GM Service Manual Online
For 1990-2009 cars only
Makes
🢒
Chevrolet
🢒
2007
🢒
Corvette
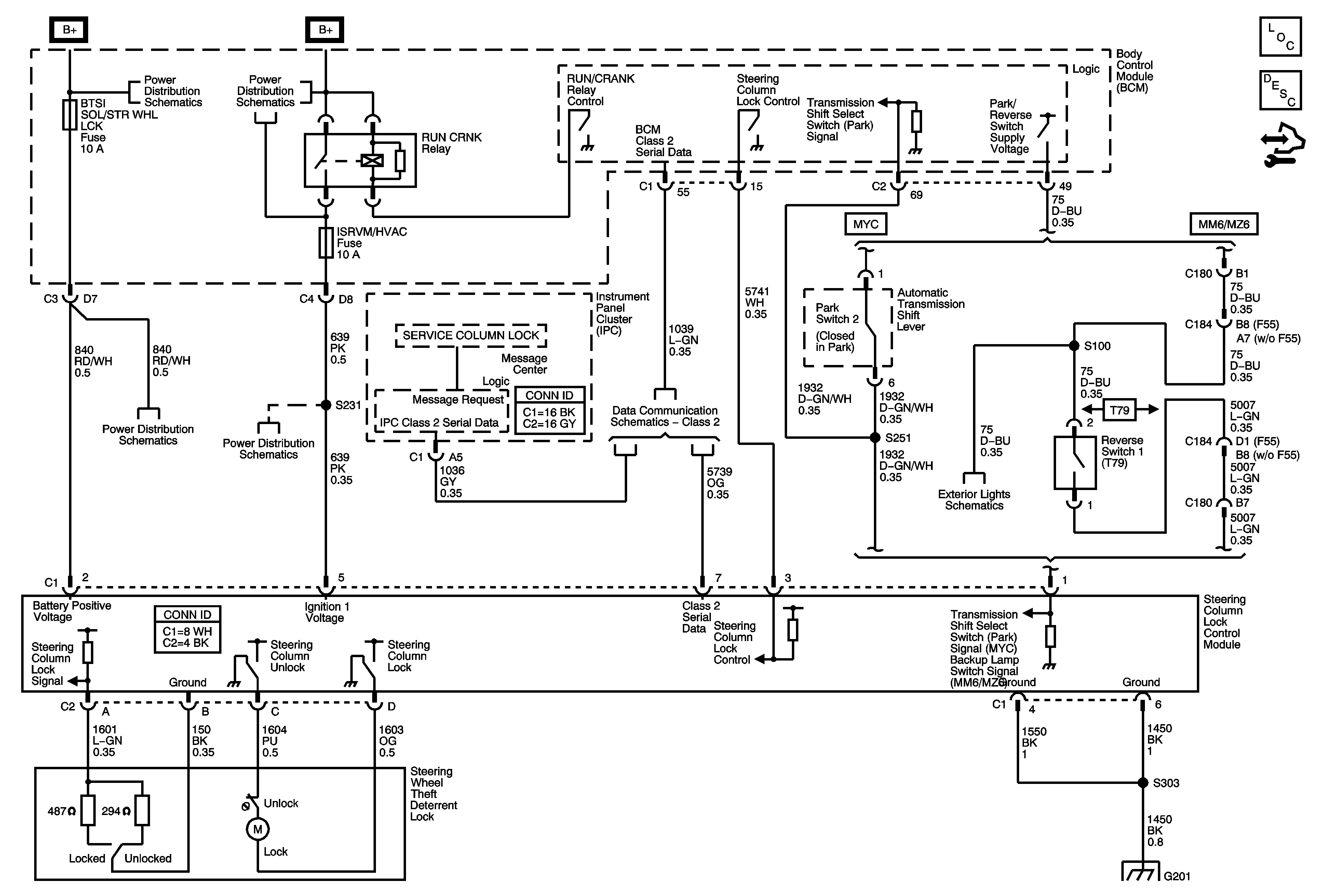
🢒 Column Lock Schematics (ULS)
Column Lock Schematics (ULS)
Master Electrical Component List
Steering Wheel and Column Description and Operation
Control Module References
Fuse Block - Underhood BATT3 and STOP/B/U/LAMPS Fuses, BCM Fuses: BTSI SOL/STR WHL LCK, RDO/S-BAND/VICS, REAR FOG/ALDL/TOP SWTCH, REVERSE LAMPS and TONNEAU RELSE, BCK/UP LAMP, STOP LAMP Relays
BCM Fuses: CLSTR/HUD, CRUISE SWTCH, CTSY/LAMP, DR LCK, EXH MDL, HVAC/PWR SND, ISRVM/HVAC and RUN CRNK Relay
Fuse Block - Underhood BATT3 and STOP/B/U/LAMPS Fuses, BCM Fuses: BTSI SOL/STR WHL LCK, RDO/S-BAND/VICS, REAR FOG/ALDL/TOP SWTCH, REVERSE LAMPS and TONNEAU RELSE, BCK/UP LAMP, STOP LAMP Relays
BCM Fuses: CLSTR/HUD, CRUISE SWTCH, CTSY/LAMP, DR LCK, EXH MDL, HVAC/PWR SND, ISRVM/HVAC and RUN CRNK Relay
Class 2
Back Up Lamps
G201