GM Service Manual Online
For 1990-2009 cars only
Makes
🢒
Chevrolet
🢒
2007
🢒
Corvette
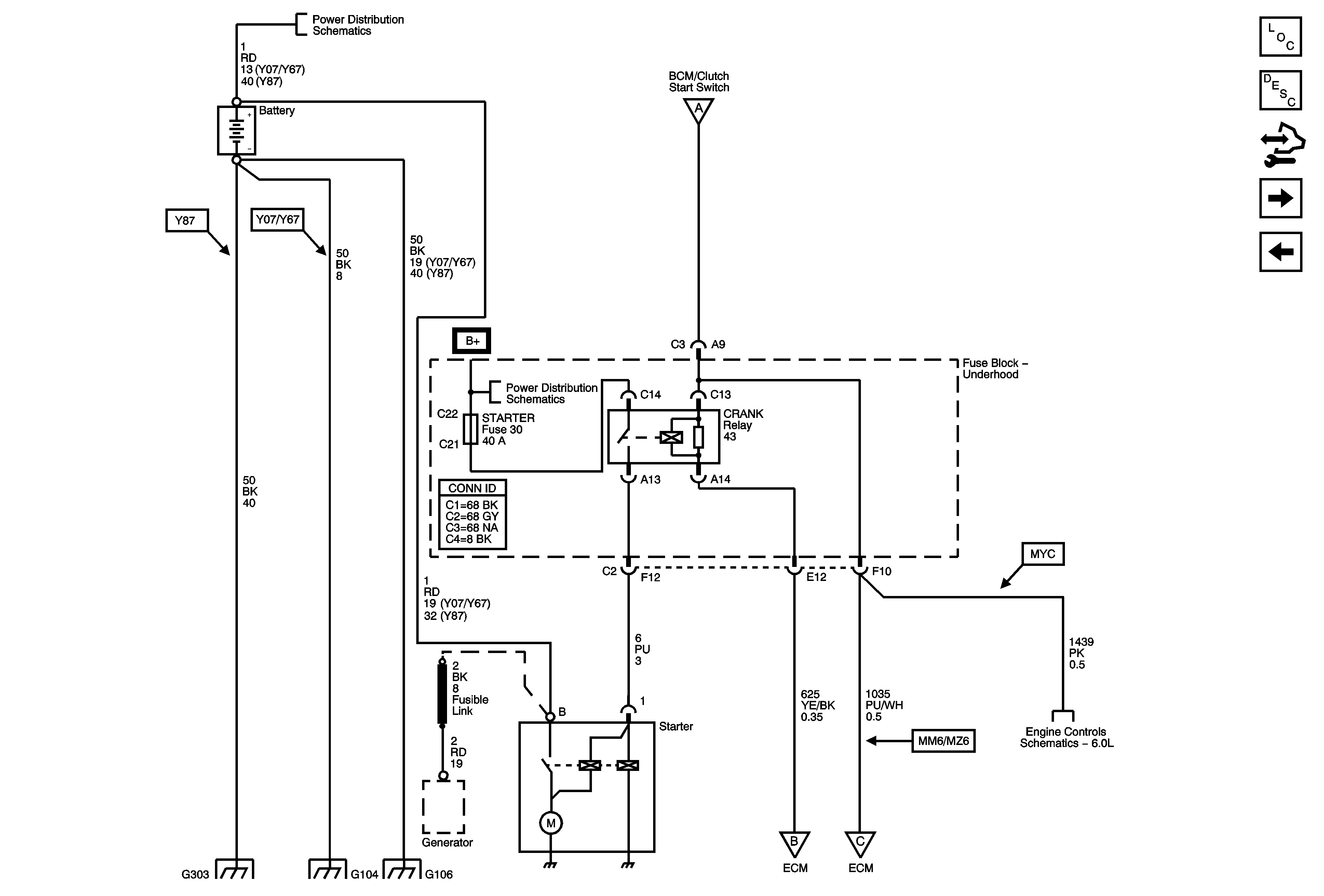
🢒 Cranking, 2 of 2
Cranking, 2 of 2
Cranking 2 of 2
Master Electrical Component List
Starting System Description and Operation
Control Module References
Charging
Cranking, 1 of 2
Fuse Block - Underhood Bussing
Cranking, 1 of 2
Fuse Block - Underhood Bussing
G104, G106, and G303
Cranking, 1 of 2
DLC, Ground, MIL and Power