GM Service Manual Online
For 1990-2009 cars only
Makes
🢒
Chevrolet
🢒
2007
🢒
Corvette
🢒 Charging
Charging
Charging
Master Electrical Component List
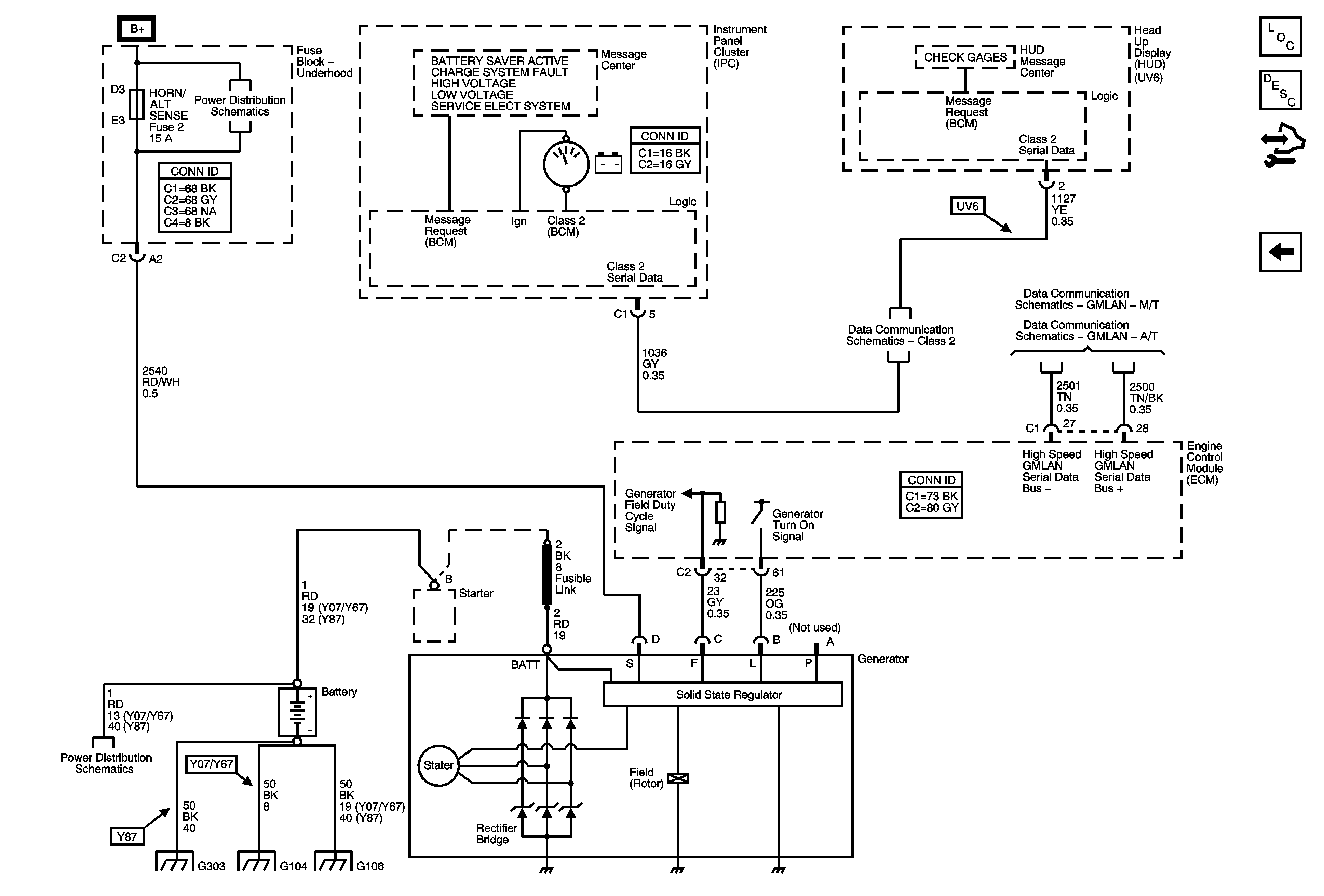
Charging System Description and Operation
Control Module References
Cranking, 2 of 2
Fuse Block - Underhood ABS, AMP, BATT2, COOLFAN, ECM/TCM/EASY KEY, HORN/ALT SENSE, HVAC, and MRRTD Fuses
Class 2
GMLAN - M/T
GMLAN - A/T
Fuse Block - Underhood Bussing
G104, G106, and G303