GM Service Manual Online
For 1990-2009 cars only
Makes
🢒
Chevrolet
🢒
2007
🢒
Corvette
🢒 Coupe (Y07)
Coupe (Y07)
Coupe (Y07)
Master Electrical Component List
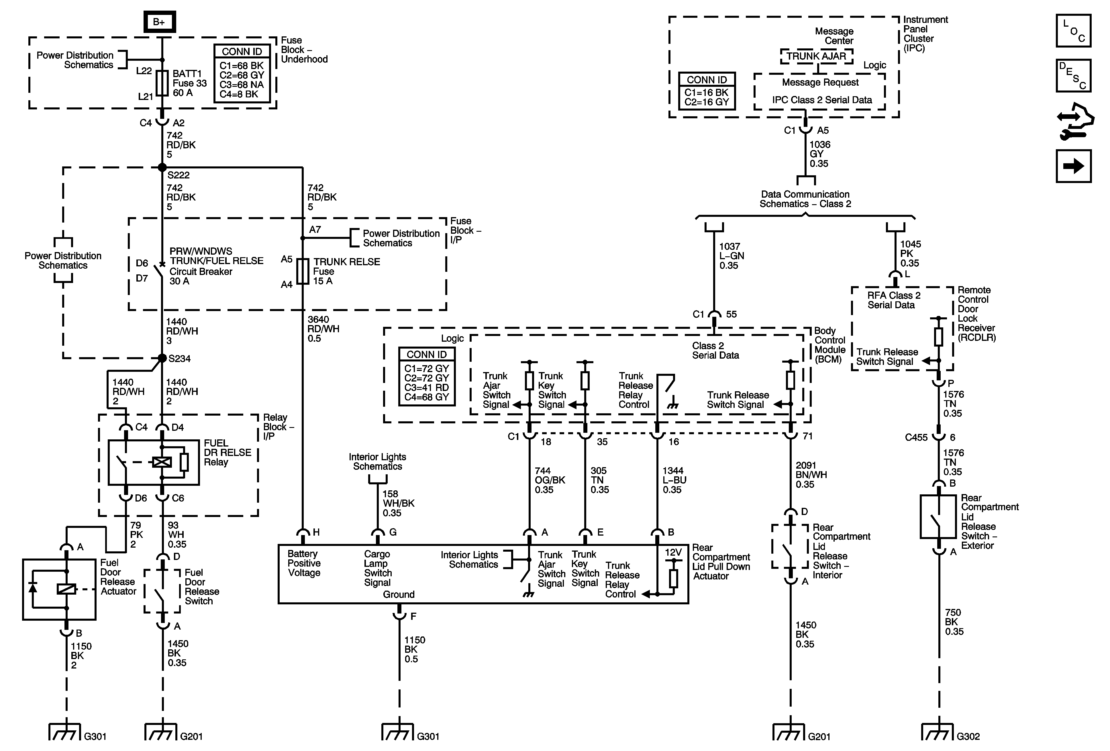
Luggage Compartment Description and Operation (Coupe)
Control Module References
Convertible (Y67/Y87)
Fuse Block - Underhood BATT1 Fuse, Fuse Block - I/P, DRVR HTD SEAT, PASS HTD SEAT Fuses, PWR SEATS MSM and PRW/WNDWS TRUNK/FUEL RELSE Circuit Breakers
Fuse Block - Underhood BATT1 Fuse, Fuse Block - I/P, DRVR HTD SEAT, PASS HTD SEAT Fuses, PWR SEATS MSM and PRW/WNDWS TRUNK/FUEL RELSE Circuit Breakers
Fuse Block - I/P AUX PWR, LTR, and TRUNK RELSE Fuses
Class 2
Rear Compartment Courtesy Lamps
G301
G201
G301
G201
G302, G401, and G402