GM Service Manual Online
For 1990-2009 cars only
Makes
🢒
Chevrolet
🢒
2007
🢒
Corvette
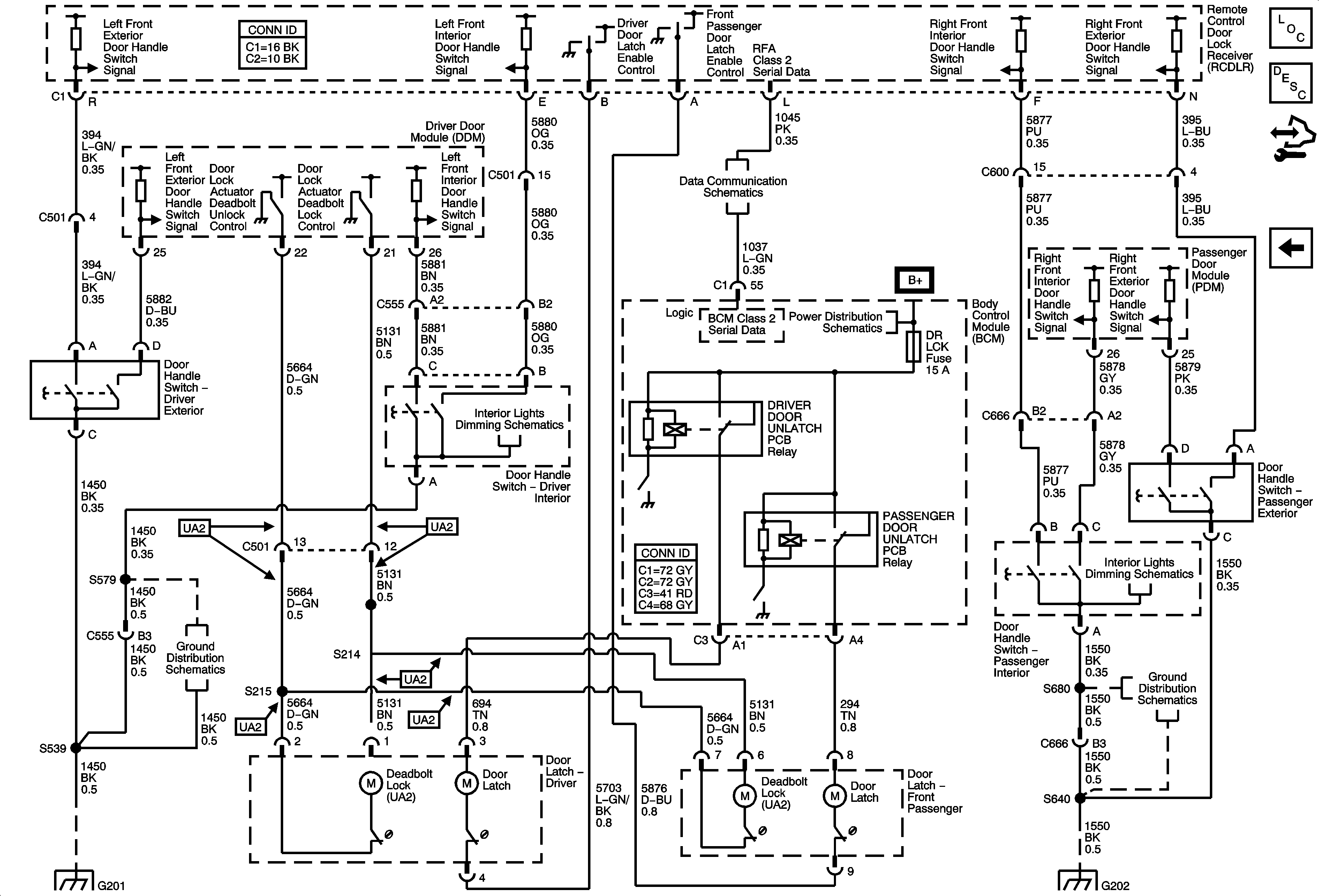
🢒 Actuators and Handle Switches
Actuators and Handle Switches
Actuators and Handle Switches
Master Electrical Component List
Power Door Locks Description and Operation
Control Module References
Indicators, Messages and Ajar/Open/Lock Switches
Class 2
DLC, HVAC Control Module, Radio and Switches
DLC, HVAC Control Module, Radio and Switches
G201
G202, 1 of 2
G201
G202, 1 of 2