GM Service Manual Online
For 1990-2009 cars only
Makes
🢒
Chevrolet
🢒
2007
🢒
Corvette
🢒 Horn Schematics
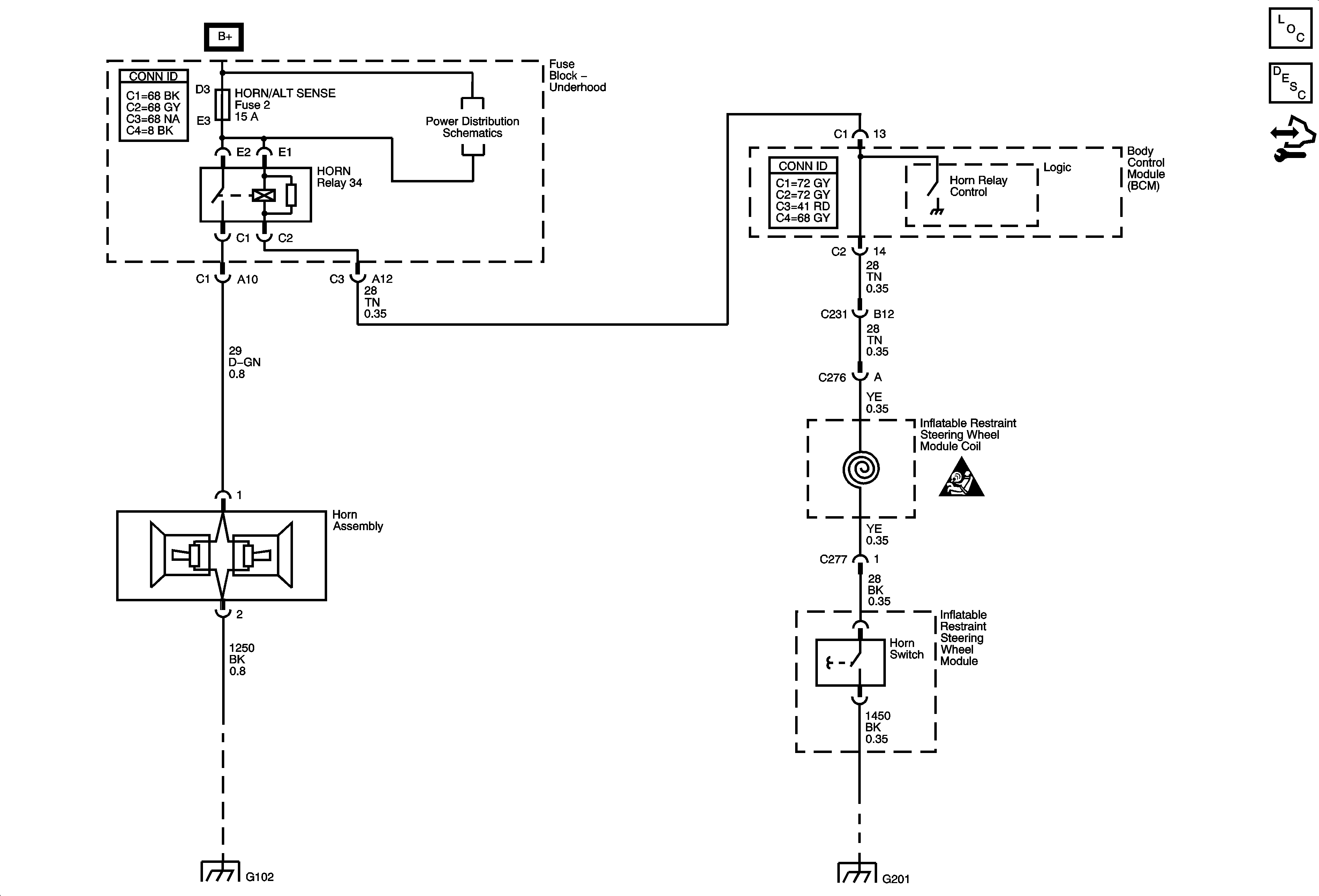
Horn Schematics
Master Electrical Component List
Horns System Description and Operation
Control Module References
Fuse Block - Underhood ABS, AMP, BATT2, COOLFAN, ECM/TCM/EASY KEY, HORN/ALT SENSE, HVAC, and MRRTD Fuses
G102
SIR Caution for Zoning
G201