GM Service Manual Online
For 1990-2009 cars only
Makes
🢒
Chevrolet
🢒
2007
🢒
Corvette
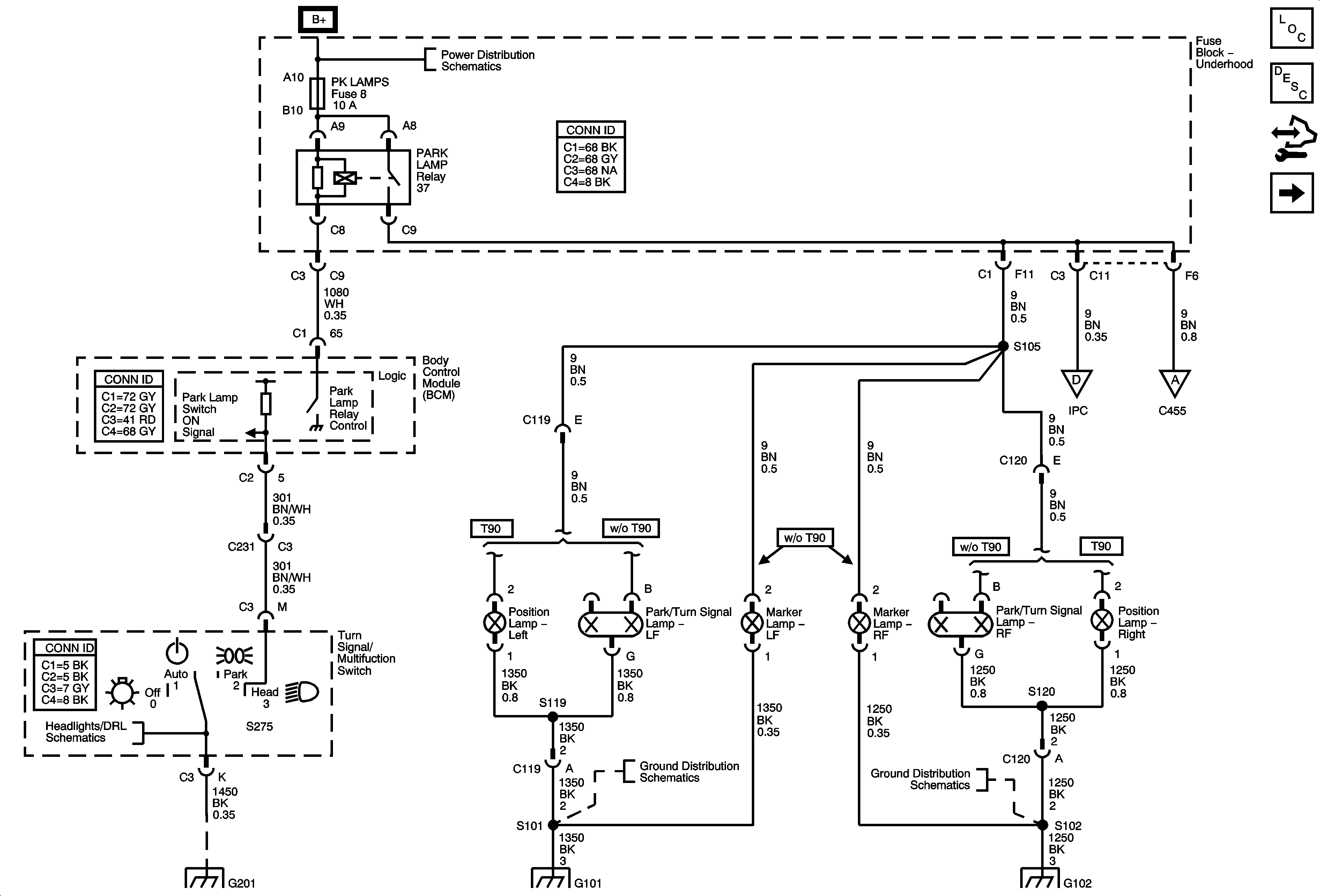
🢒 Park Lamp Control, Front Marker, Park and Position Lamps
Park Lamp Control, Front Marker, Park and Position Lamps
Park Lamp Control, Front Marker, Park and Position Lamps
Master Electrical Component List
Exterior Lighting Systems Description and Operation
Control Module References
Rear License, Marker and Park Lamps
Fuse Block - Underhood Bussing
Hazard, Stop Lamps, and Turn Signal Inputs
Rear License, Marker and Park Lamps
Headlamp/DRL Controls
G201
G101
G102
G101
G102