GM Service Manual Online
For 1990-2009 cars only
Makes
🢒
Chevrolet
🢒
2007
🢒
Corvette
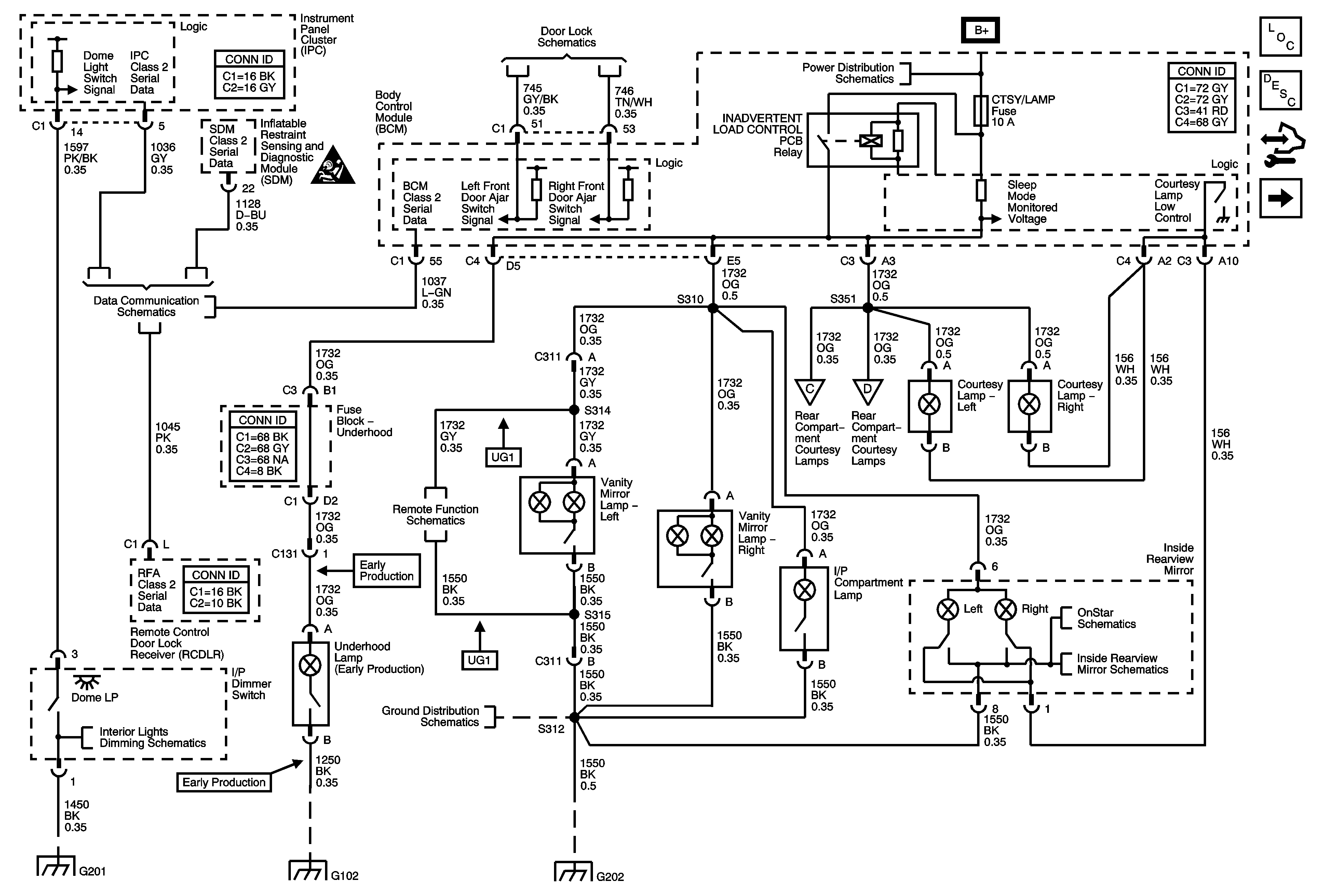
🢒 Passenger Compartment Lamps
Passenger Compartment Lamps
Passenger Compartment Lamps
Master Electrical Component List
Interior Lighting Systems Description and Operation
Control Module References
Rear Compartment Courtesy Lamps
Indicators, Messages and Ajar/Open/Lock Switches
BCM Fuses: CLSTR/HUD, CRUISE SWTCH, CTSY/LAMP, DR LCK, EXH MDL, HVAC/PWR SND, ISRVM/HVAC and RUN CRNK Relay
Class 2
Rear Compartment Courtesy Lamps
Garage Door Opener
Antenna, DLC, Ground, Power and User Inputs
Inside Rearview Mirror Schematics
DIC, Dimmer Controls, IPC and Switches
G202, 1 of 2
G201
G102
G202, 1 of 2