GM Service Manual Online
For 1990-2009 cars only
Makes
🢒
Chevrolet
🢒
2007
🢒
Corvette
🢒 Ground, Power and Wiper Motor
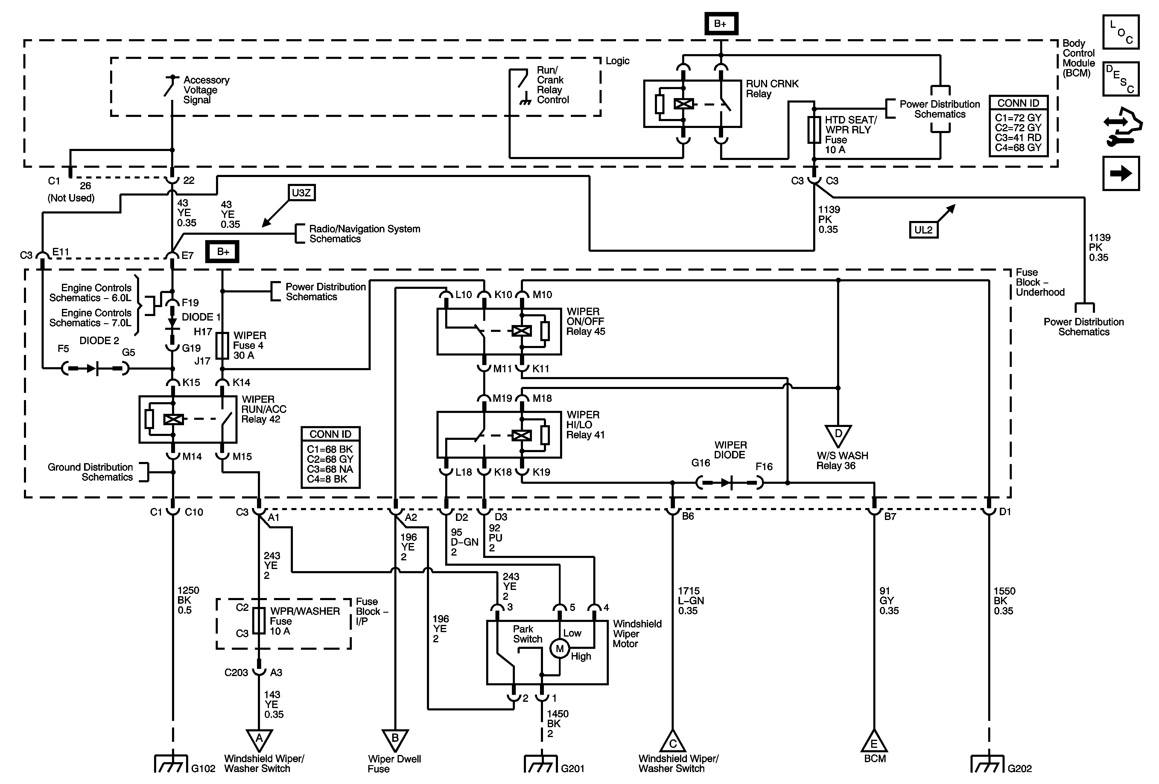
Ground, Power and Wiper Motor
Ground, Power, and Wiper Motor
Master Electrical Component List
Wiper/Washer System Description and Operation
Control Module References
Pumps and Switches
BCM Fuses: CLSTR/HUD, CRUISE SWTCH, CTSY/LAMP, DR LCK, EXH MDL, HVAC/PWR SND, ISRVM/HVAC and RUN CRNK Relay
Navigation - Japan (U3Z)
BCM Fuses: ECM, HTD SEAT/WPR Relays, GM LAN RUN/CRNK, and SDM/AOS AIRBAG, Fuse Block - Underhood ABS/MRRTD and TCM/TRANS Fuses and WIPER RUN/ACC Relay
DLC, Ground, MIL and Power
Fuse Block - Underhood LT HI BM, LT LO BM, RT HI BM, RT LO BM, WIPER and W/S WAS Fuses, HIGH BEAM, LOW BEAM, WIPER HI/LO, WIPER ON/OFF, WIPER RUN/ACC and W/S WASH Relays, Fuse Block-I/P WPR DWELL and
G102
Pumps and Switches
G102
Pumps and Switches
Pumps and Switches
G201
Pumps and Switches
Pumps and Switches
G202, 1 of 2