GM Service Manual Online
For 1990-2009 cars only
Makes
🢒
Chevrolet
🢒
2007
🢒
Corvette
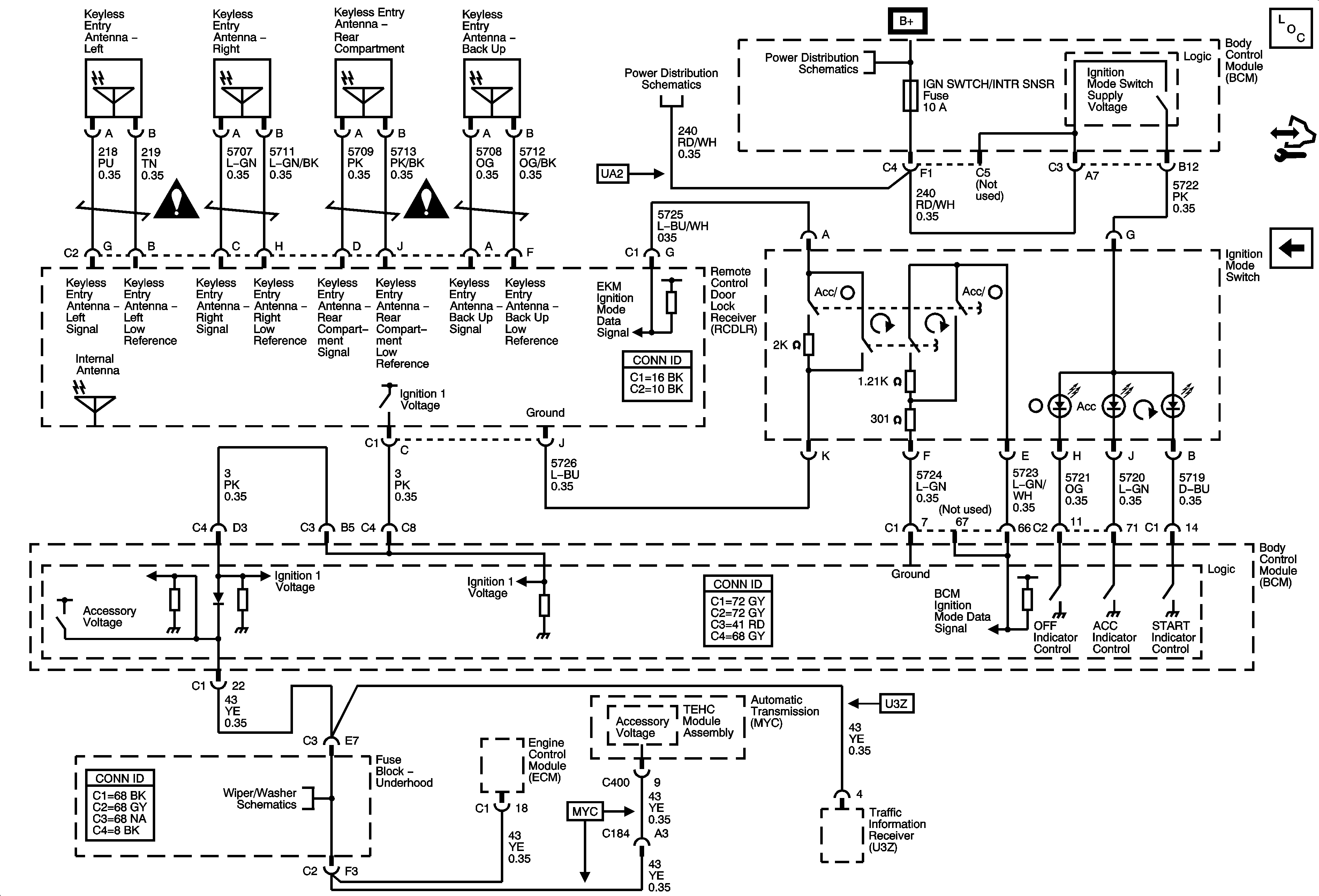
🢒 Ignition Modes
Ignition Modes
Ignition Modes
Master Electrical Component List
Control Module References
Fuse Block - Underhood LT HI BM, LT LO BM, RT HI BM, RT LO BM, WIPER and W/S WAS Fuses, HIGH BEAM, LOW BEAM, WIPER HI/LO, WIPER ON/OFF, WIPER RUN/ACC and W/S WASH Relays, Fuse Block-I/P WPR DWELL and
Fuse Block - Underhood Fuse BATT5 BCM Fuses: DRIV DR SW, IGN SW/INTR SENS, ONSTAR, TELE SW/MEM SEAT MOD, and TPA
Fuse Block - Underhood Fuse BATT5 BCM Fuses: DRIV DR SW, IGN SW/INTR SENS, ONSTAR, TELE SW/MEM SEAT MOD, and TPA
Power and Grounding Schematic Icons
Power and Grounding Schematic Icons
Ground, Power and Wiper Motor