GM Service Manual Online
For 1990-2009 cars only
Makes
🢒
Chevrolet
🢒
2007
🢒
Corvette
🢒 Power, Ground, DLC, Audio Amplifier, Radio and Audio Signals (U65)
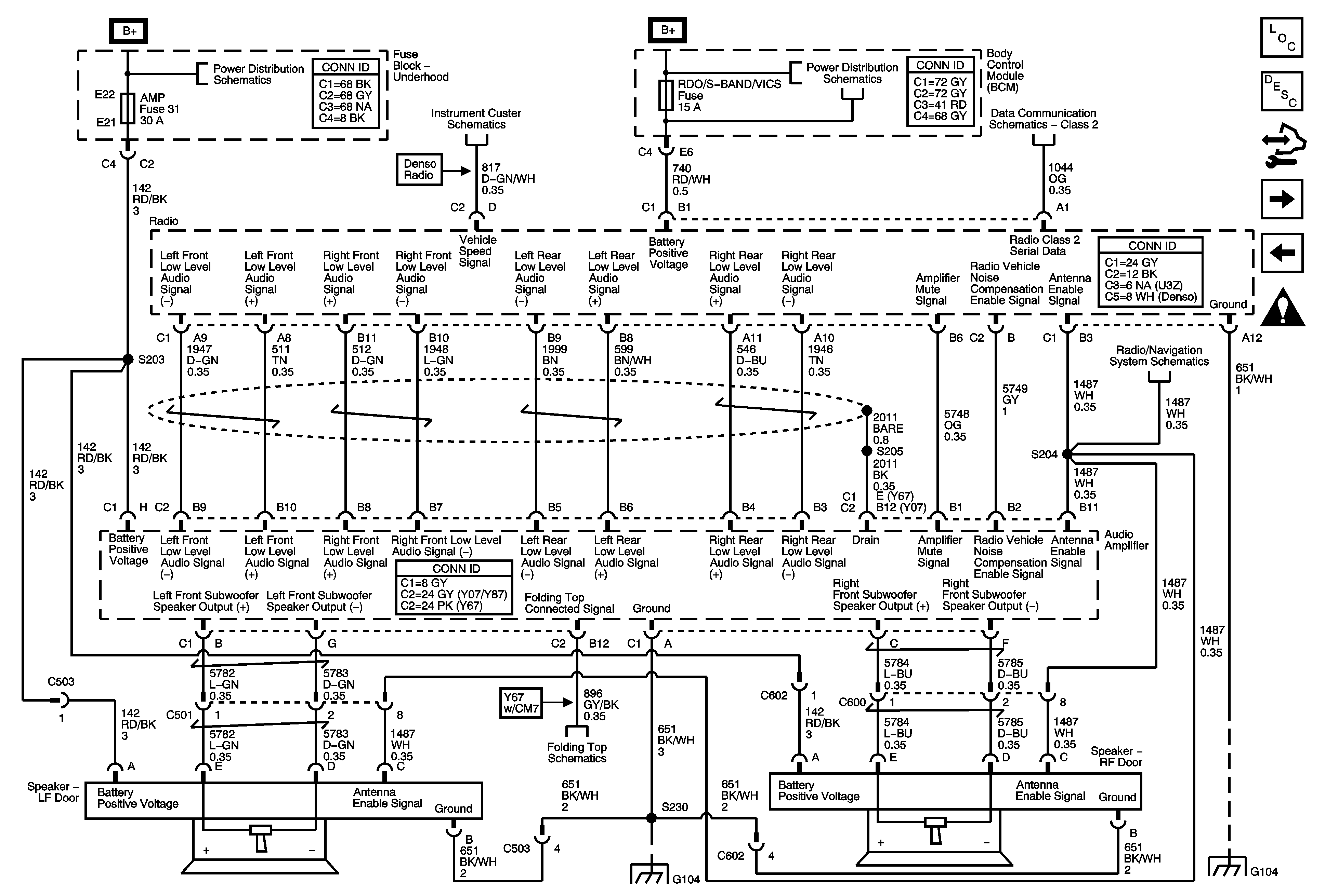
Power, Ground, DLC, Audio Amplifier, Radio and Audio Signals (U65)
Power, Ground, DLC, Audio Amplifier, Radio, Audio Signals and Front Speakers (U65)
Master Electrical Component List
Radio/Audio System Description and Operation
Control Module References
Speakers and Noise Compensation Microphone (US5)
Speakers (U66)
Entertainment/Communication Schematic Icons
Fuse Block - Underhood Bussing
Gages
Fuse Block - Underhood BATT3 and STOP/B/U/LAMPS Fuses, BCM Fuses: BTSI SOL/STR WHL LCK, RDO/S-BAND/VICS, REAR FOG/ALDL/TOP SWTCH, REVERSE LAMPS and TONNEAU RELSE, BCK/UP LAMP, STOP LAMP Relays
Class 2
Antennas except U2K, References to Navigation and OnStar
Switches (CM7)
G104, G106, and G303
G104, G106, and G303