GM Service Manual Online
For 1990-2009 cars only
Makes
🢒
Chevrolet
🢒
2007
🢒
Corvette
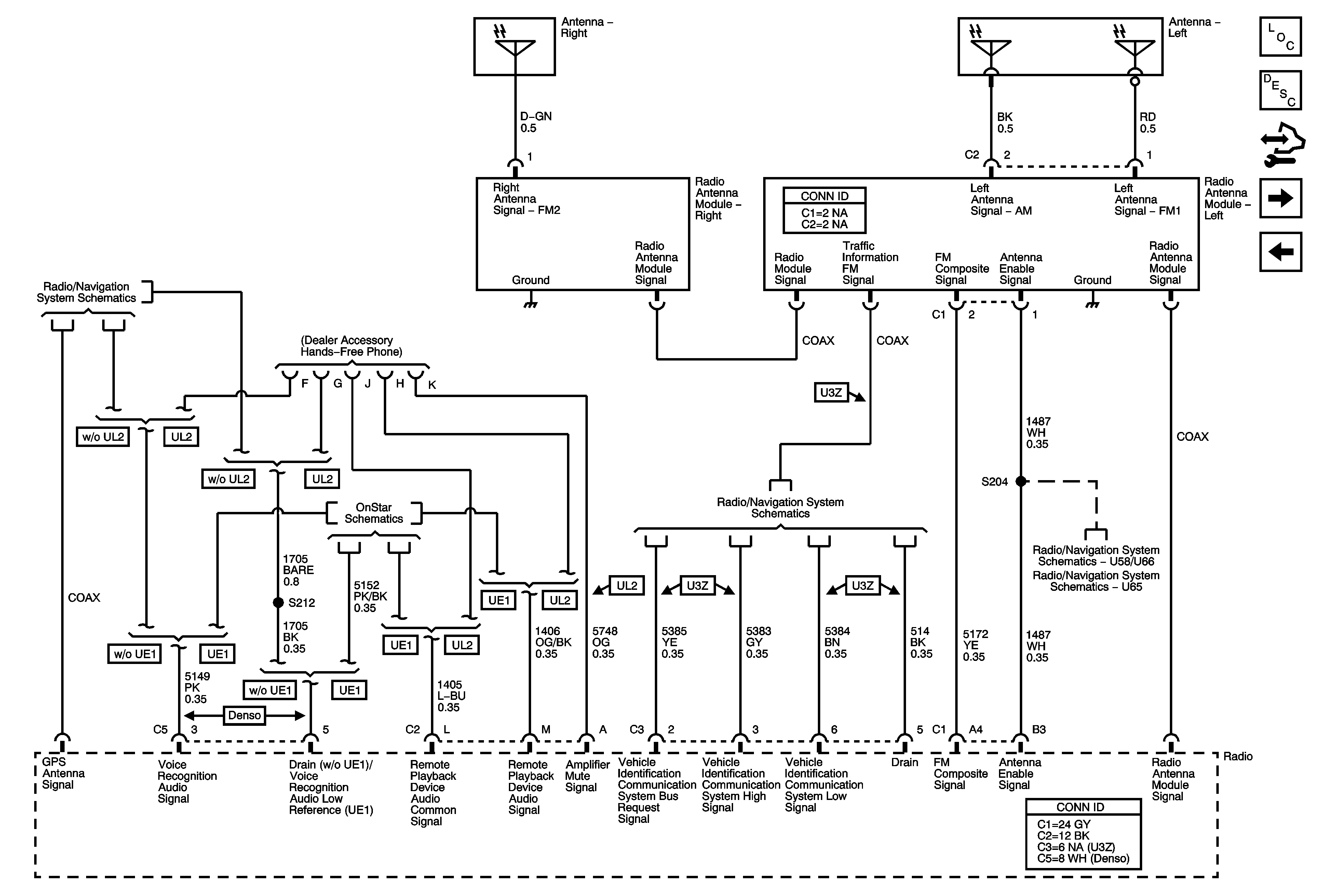
🢒 Antennas except U2K, References to Navigation and OnStar
Antennas except U2K, References to Navigation and OnStar
Antennas except U2K, References to Navigation and Onstar
Master Electrical Component List
Radio/Audio System Description and Operation
Control Module References
Digital Radio Receiver (U2K)
Speakers and Noise Compensation Microphone (US5)
Navigation except Japan
Audio Output
Navigation - Japan (U3Z)
Power, Ground, DLC, Audio Amplifier, Radio and Audio Signals (US8 and U66)
Power, Ground, DLC, Audio Amplifier, Radio and Audio Signals (U65)