GM Service Manual Online
For 1990-2009 cars only
Makes
🢒
Chevrolet
🢒
2007
🢒
Corvette
🢒 Fuel Controls - EVAP Controls
Fuel Controls - EVAP Controls
Fuel Controls - EVAP Controls
Master Electrical Component List
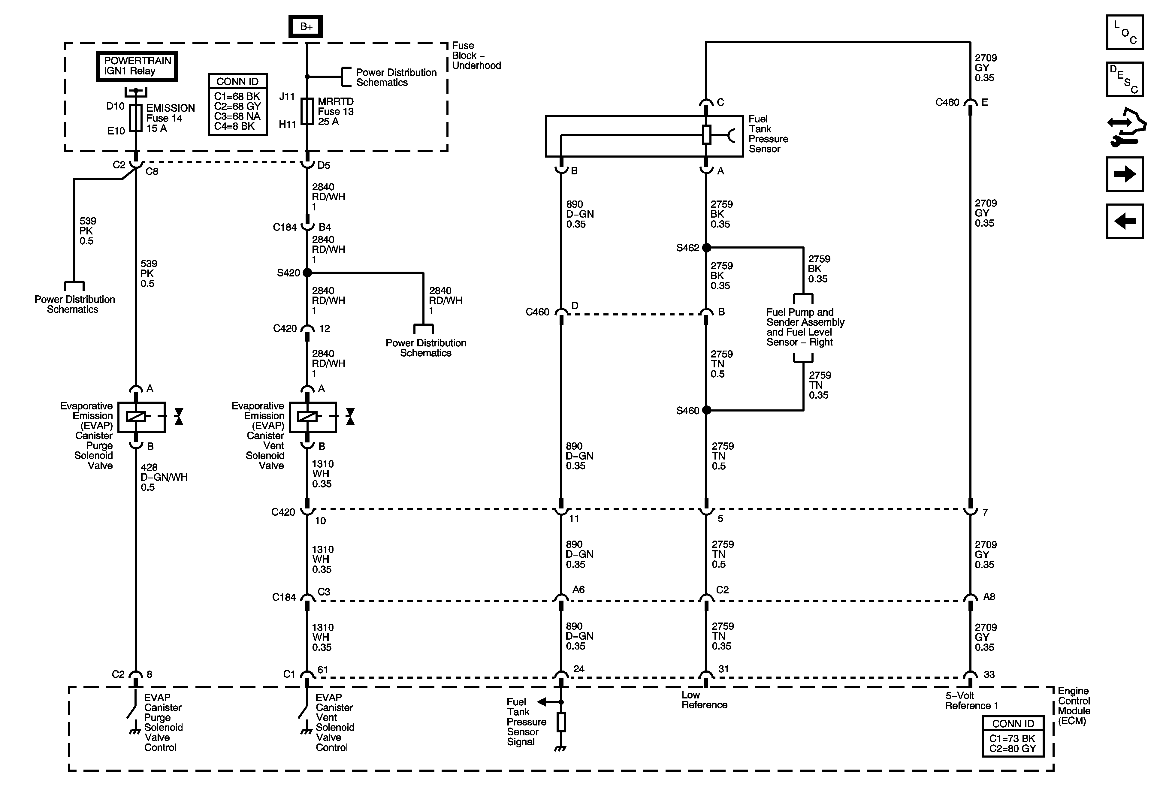
Evaporative Emission Control System Description
Control Module References
Controlled/Monitored Subsystem and Manual Transmission Control References
Fuel Pump Controls and Injectors
DLC, Ground, MIL, and Power
Fuse Block - Underhood Bussing
Fuse Block - Underhood A/C COMP, EMISSION, EVEN INJ, MAN TRAN SOL, O2 SEN, ODD INJ, and PT INPUT/ETC Fuses, A/C COMP and POWERTRAIN IGN1, Relays
Fuse Block - Underhood ABS, AMP, BATT2, COOLFAN, ECM/TCM/EASY KEY, HORN/ALT SENSE, HVAC, and MRRTD Fuses
Engine Data Sensors - Low Reference