GM Service Manual Online
For 1990-2009 cars only
Makes
🢒
Chevrolet
🢒
2004
🢒
Epica
🢒
Engine
🢒
Engine Controls - 2.0L (L34 GMDAT)
🢒 Engine Controls Schematics
Figure
1:
Module Power, Ground, Serial Data, Malfunction Indicator Lamp (MIL)
Master Electrical Component List
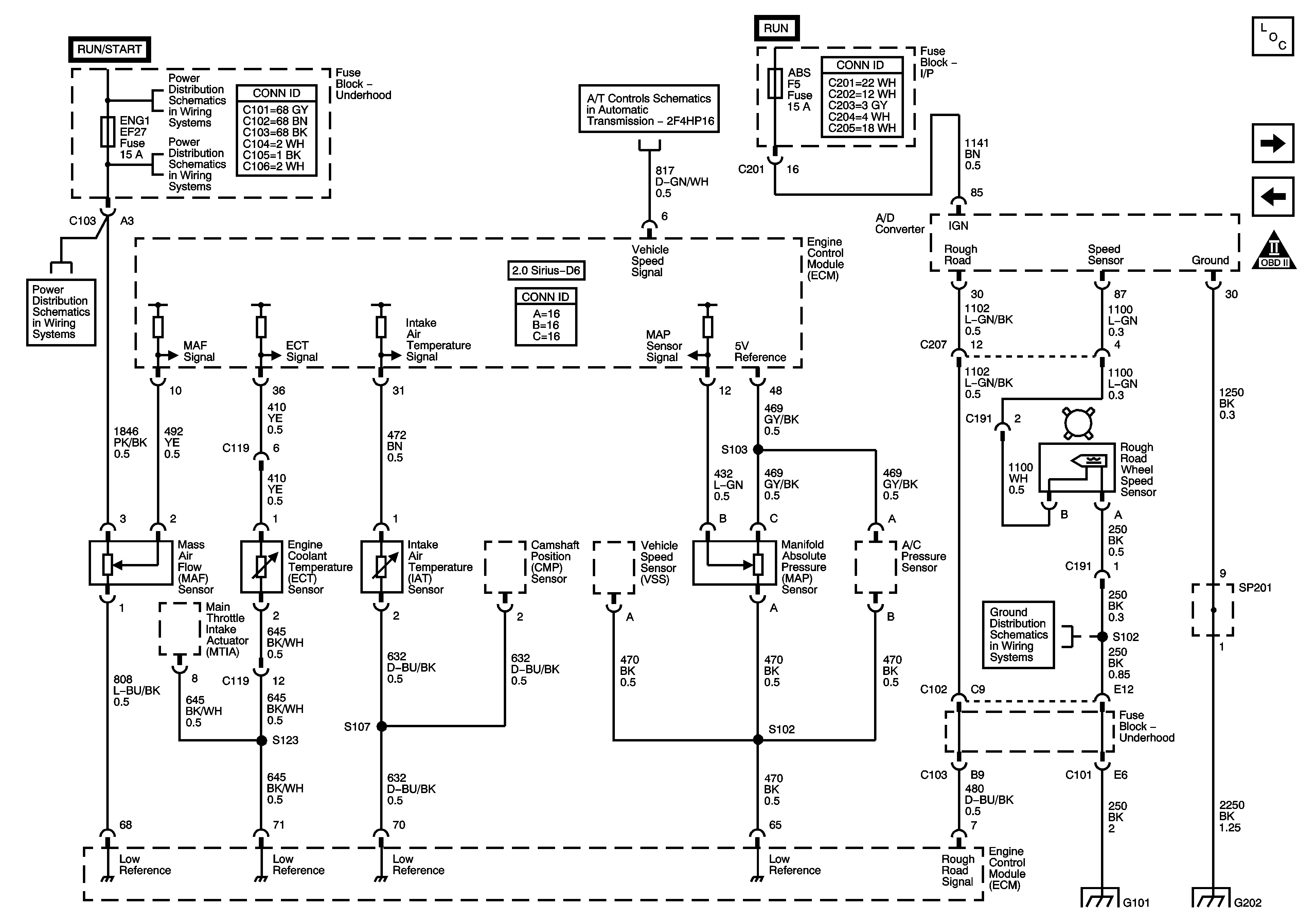
Engine Data Sensors - Pressure and Temperature, Vehicle Speed Sensor (VSS), Mass Air Flow (MAF)
Engine Controls Schematic Icons
Underhood Fuse Block - STOP LAMPS, HI BEAM PASSING, and ECM Fuses
Underhood Fuse Block - ENG1, COOL FAN HIGH, and COOL FAN LOW Fuses
Underhood Fuse Block - IGN1 Fuse, Ignition Switch, I/P Fuse Block - LTR, HTD SEAT, CLK, RADIO, AIR BAG, BCK/UP CRUISE, and ECM Fuses
I/P Fuse Block - WPR, TCM BTSI, BCM ABS, CLSTR AUTO A/C and WSWA Fuses
Underhood Fuse Block - IGN1 Fuse, Ignition Switch, I/P Fuse Block - LTR, HTD SEAT, CLK, RADIO, AIR BAG, BCK/UP CRUISE, and ECM Fuses
G103 (2.5L)
Data Link Connector
I/P Fuse Block - WPR, TCM BTSI, BCM ABS, CLSTR AUTO A/C and WSWA Fuses
Figure
2:
Engine Data Sensors - Pressure and Temperature, Vehicle Speed Sensor (VSS), Mass Air Flow (MAF)
Master Electrical Component List
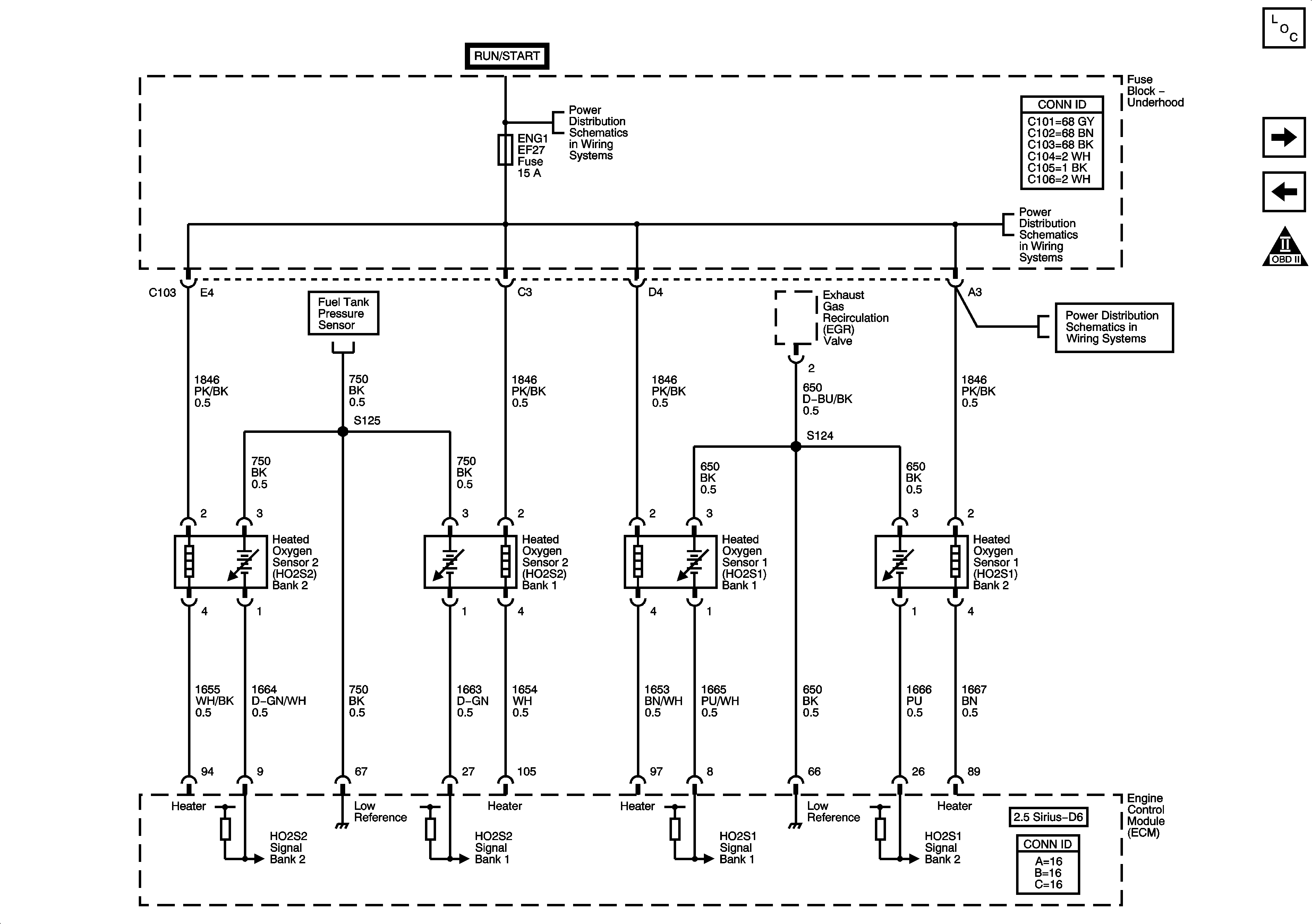
Engine Data Sensors - Oxygen Sensors
Module Power, Ground, Serial Data, Malfunction Indicator Lamp (MIL)
Engine Controls Schematic Icons
Underhood Fuse Block - ENG1, COOL FAN HIGH, and COOL FAN LOW Fuses
Underhood Fuse Block - ENG1, COOL FAN HIGH, and COOL FAN LOW Fuses
Vehicle Speed Signal
Underhood Fuse Block - ENG1, COOL FAN HIGH, and COOL FAN LOW Fuses
G101
Figure
3:
Engine Data Sensors - Oxygen Sensors
Master Electrical Component List
Engine Data Sensors - Main Throttle Idle Actuator (MTIA)
Engine Data Sensors - Pressure and Temperature, Vehicle Speed Sensor (VSS), Mass Air Flow (MAF)
Engine Controls Schematic Icons
Underhood Fuse Block - ENG1, COOL FAN HIGH, and COOL FAN LOW Fuses
Underhood Fuse Block - ENG1, COOL FAN HIGH, and COOL FAN LOW Fuses
Fuel Controls - Evaporative Emissions Controls, Device Controls
Underhood Fuse Block - ENG1, COOL FAN HIGH, and COOL FAN LOW Fuses
Figure
4:
Engine Data Sensors - Main Throttle Idle Actuator (MTIA)
Master Electrical Component List
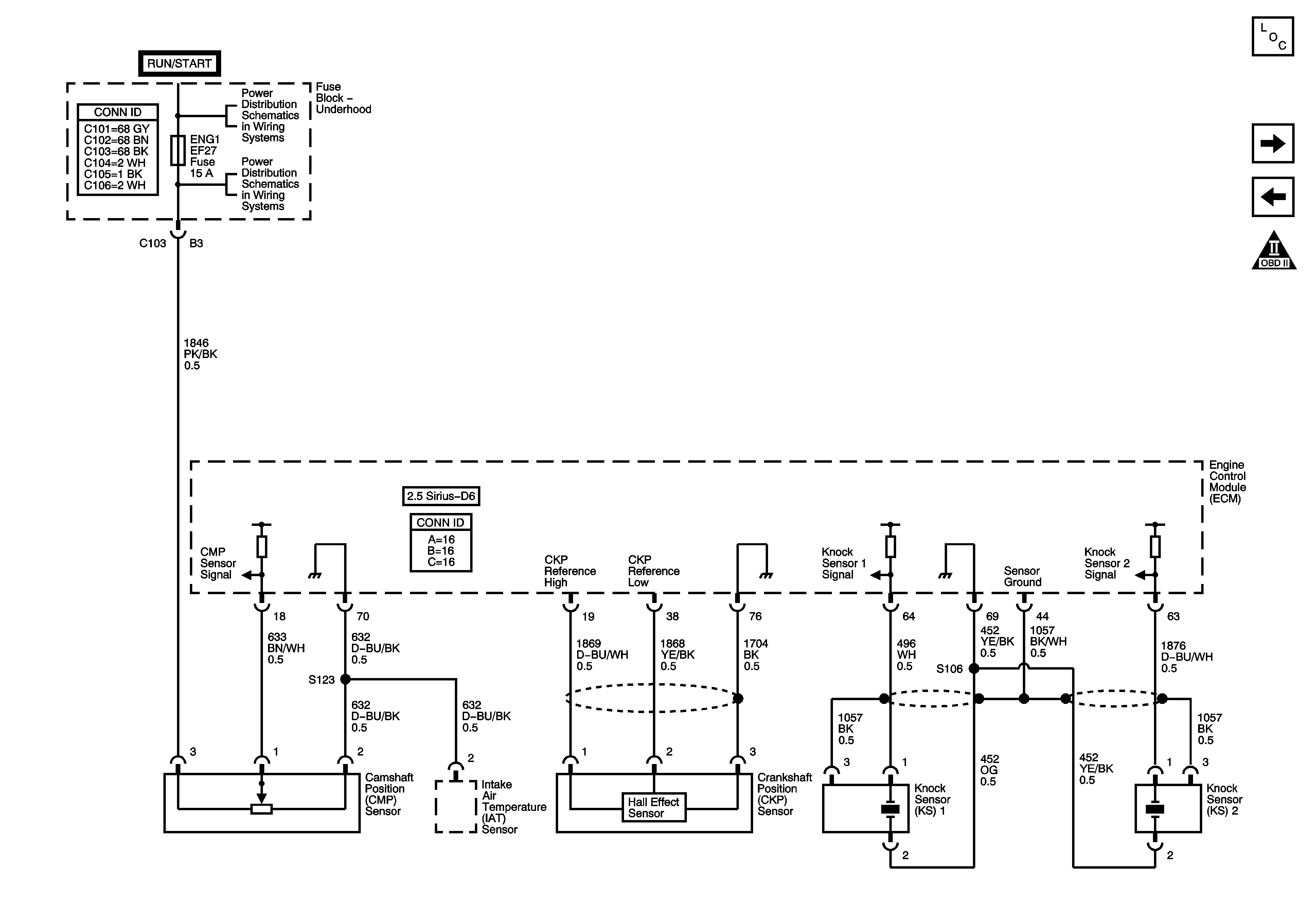
Ignition Controls - Ignition System (1-3)
Engine Data Sensors - Oxygen Sensors
Engine Controls Schematic Icons
Figure
5:
Ignition Controls - Ignition System (1-3)
Master Electrical Component List
Ignition Control - Ignition System (4-6)
Engine Data Sensors - Main Throttle Idle Actuator (MTIA)
Engine Controls Schematic Icons
Underhood Fuse Block - Fuel Pump Relay, FUEL and ECM Fuses
Ignition Controls - Sensors
Ignition Controls - Sensors
Figure
6:
Ignition Control - Ignition System (4-6)
Master Electrical Component List
Ignition Controls - Sensors
Ignition Controls - Ignition System (1-3)
Engine Controls Schematic Icons
Ignition Controls - Ignition System (1-3)
Ignition Controls - Ignition System (1-3)
Figure
7:
Ignition Controls - Sensors
Master Electrical Component List
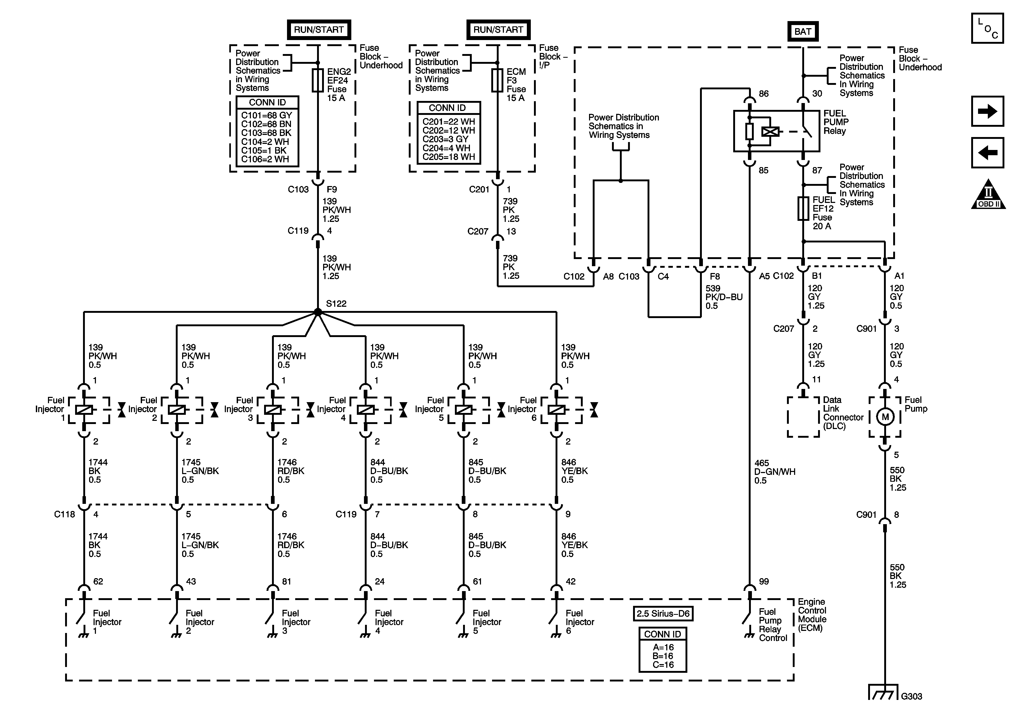
Fuel Controls - Fuel Pump Controls and Fuel Injectors
Ignition Control - Ignition System (4-6)
Engine Controls Schematic Icons
Underhood Fuse Block - ENG1, COOL FAN HIGH, and COOL FAN LOW Fuses
Underhood Fuse Block - ENG1, COOL FAN HIGH, and COOL FAN LOW Fuses
Figure
8:
Fuel Controls - Fuel Pump Controls and Fuel Injectors
Master Electrical Component List
Fuel Controls - Evaporative Emissions Controls, Device Controls
Ignition Controls - Sensors
Engine Controls Schematic Icons
Underhood Fuse Block (2.0L) - ENG MAIN Relay and ENG2 Fuse
Underhood Fuse Block - IGN1 Fuse, Ignition Switch, I/P Fuse Block - LTR, HTD SEAT, CLK, RADIO, AIR BAG, BCK/UP CRUISE, and ECM Fuses
Underhood Fuse Block - Battery Feeds
Underhood Fuse Block - Fuel Pump Relay, FUEL and ECM Fuses
Underhood Fuse Block - Battery Feeds
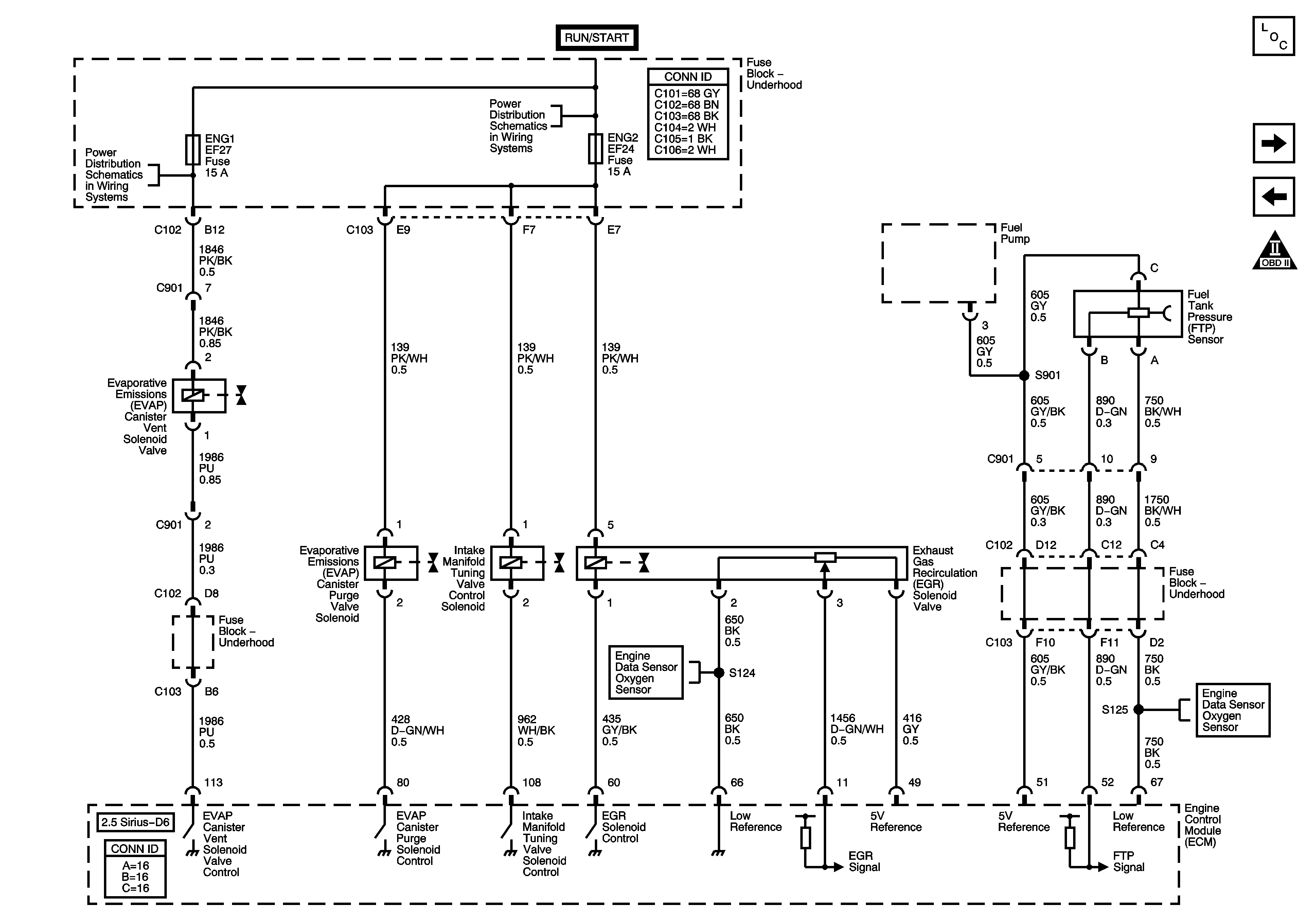
Figure
9:
Fuel Controls - Evaporative Emissions Controls, Device Controls
Master Electrical Component List
Controlled/Monitored Subsystem References
Fuel Controls - Fuel Pump Controls and Fuel Injectors
Engine Controls Schematic Icons
Underhood Fuse Block - ENG1, COOL FAN HIGH, and COOL FAN LOW Fuses
Underhood Fuse Block (2.5L) - ENG MAIN Relay and ENG2 Fuse
Engine Data Sensors - Oxygen Sensors
Engine Data Sensors - Oxygen Sensors
Figure
10:
Controlled/Monitored Subsystem References
Master Electrical Component List
Engine Controls Schematic Icons
Power, Ground, and Gages (2.5L Sirius D6)
Cooling Fans
Blower Controls
Blower Controls Automatic