GM Service Manual Online
For 1990-2009 cars only
Makes
🢒
Chevrolet
🢒
2004
🢒
Epica
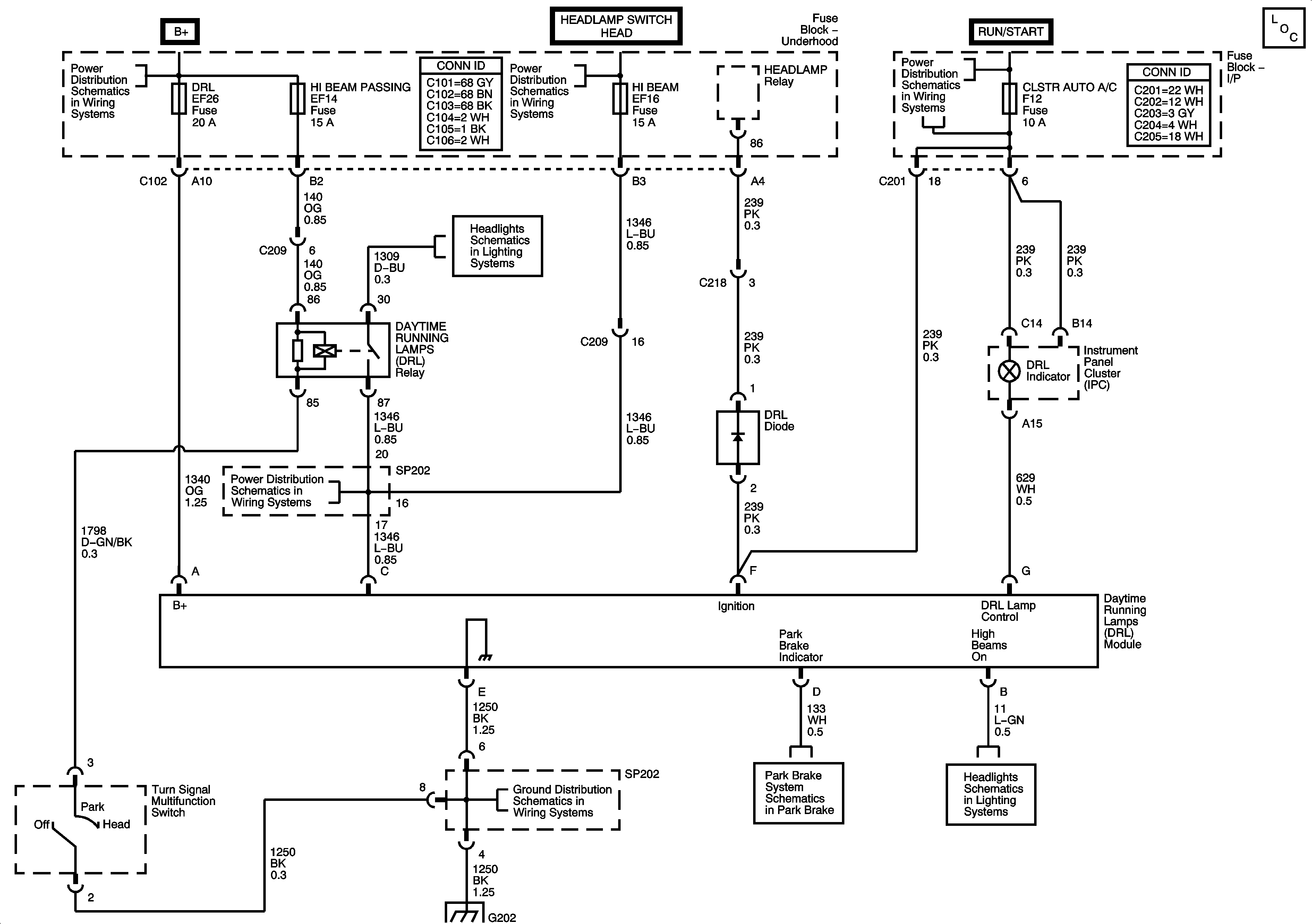
🢒 Daytime Running Lamp (DRL) (North America)
Daytime Running Lamp (DRL) (North America)
Daytime Running Lamps (DRL) (North America)
Master Electrical Component List
Underhood Fuse Block - HEADLAMP Relay, and LOW BEAM LT, LOW BEAM RT, and DRL Fuses
Underhood Fuse Block - STOP LAMPS, HI BEAM PASSING, and ECM Fuses
I/P Fuse Block - WPR, TCM BTSI, BCM ABS, CLSTR AUTO A/C and WSWA Fuses
Headlight Leveling
Underhood Fuse Block - STOP LAMPS, HI BEAM PASSING, and ECM Fuses
G201, G202
Brake Lamp Warning Circuit
Headlight Leveling