GM Service Manual Online
For 1990-2009 cars only

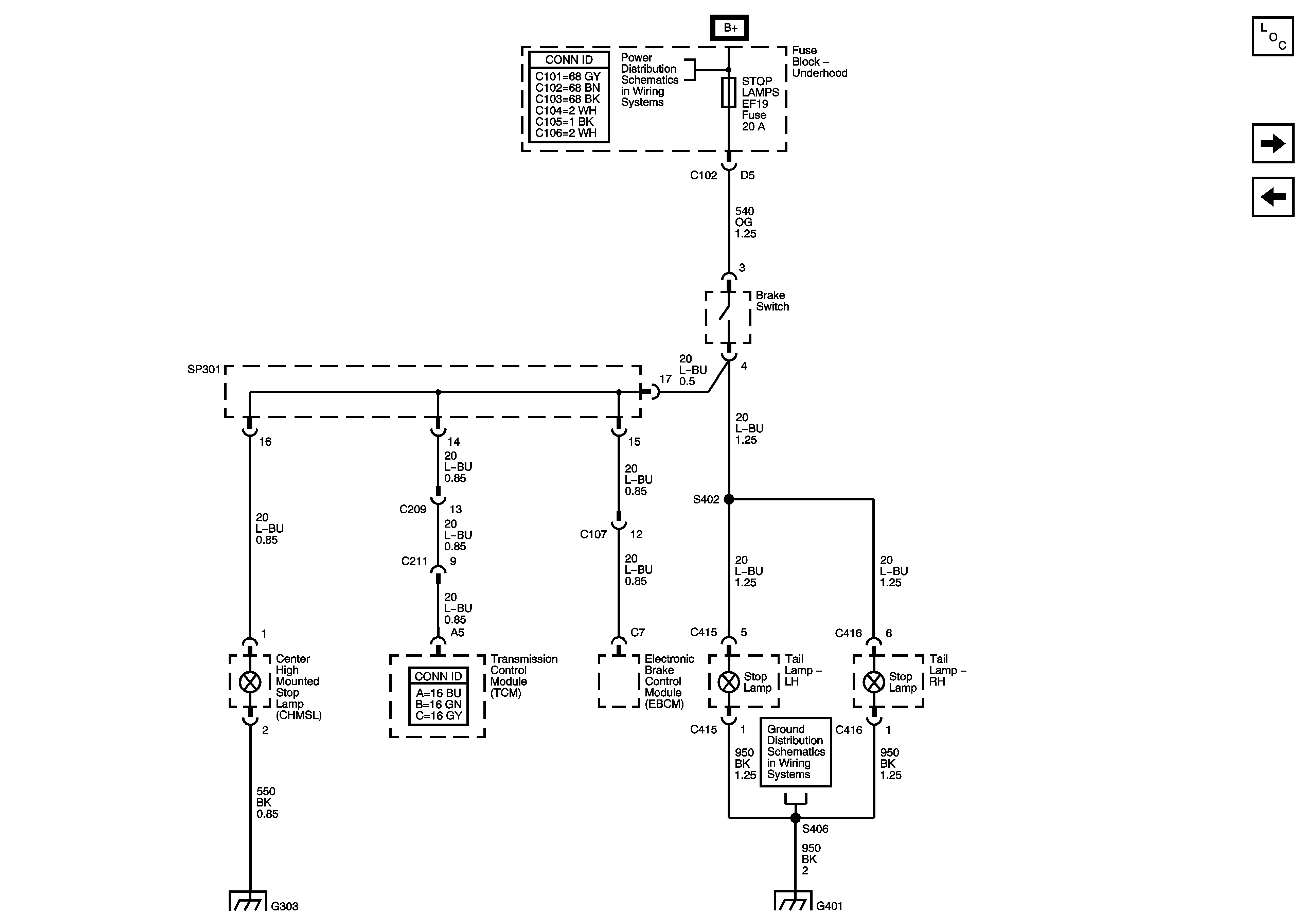
Stop Lamps

Stop Lamps


Object Number: 1257174  Size: FS
Master Electrical Component List
Backup Lamps
Turn and Hazard Lamps - Except North America
Underhood Fuse Block - STOP LAMPS, HI BEAM PASSING, and ECM Fuses
G401