GM Service Manual Online
For 1990-2009 cars only
Makes
🢒
Chevrolet
🢒
2004
🢒
Epica
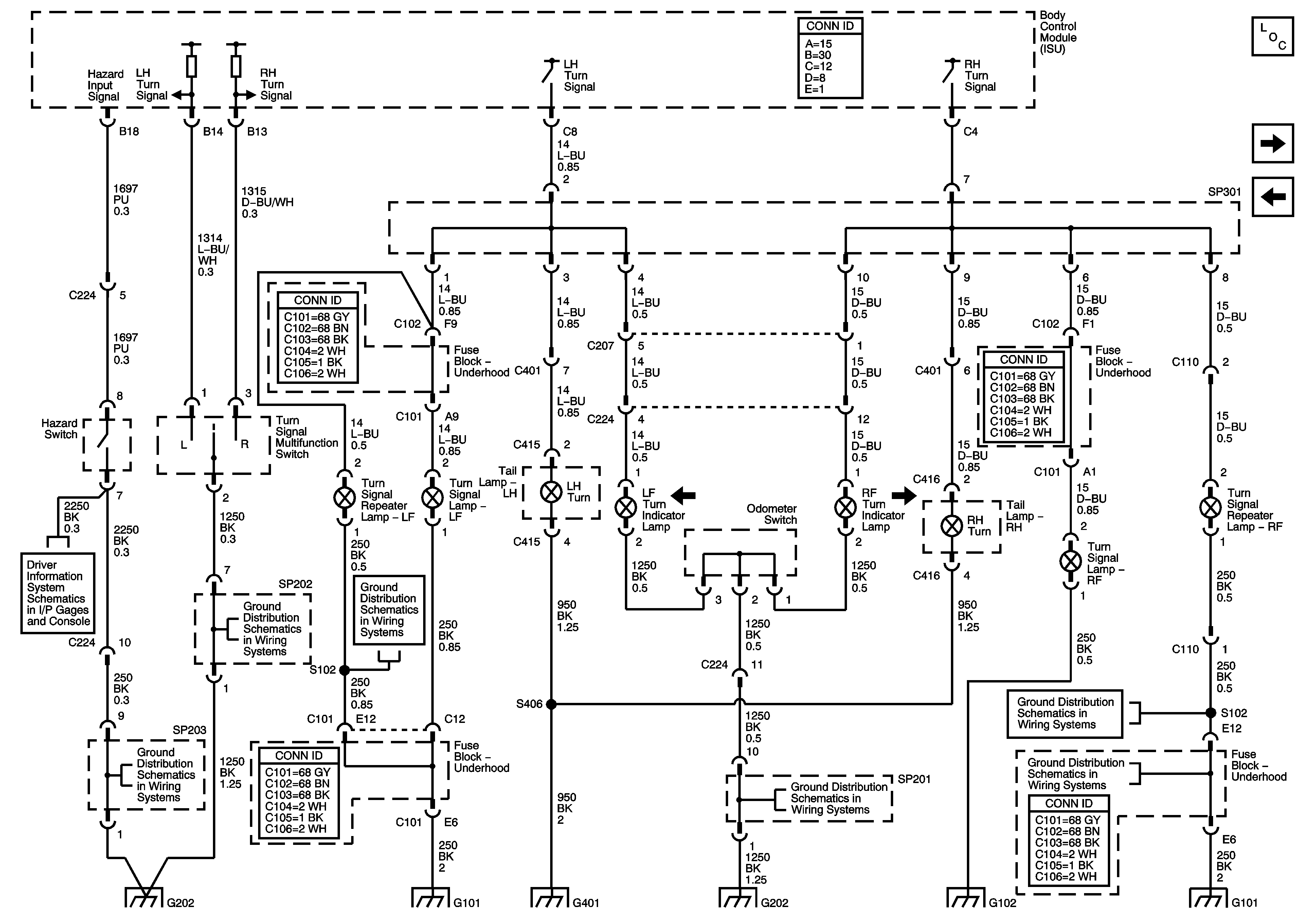
🢒 Turn and Hazard Lamps - North America
Turn and Hazard Lamps - North America
Turn and Hazard Lamps - North America
Master Electrical Component List
Turn and Hazard Lamps - Except North America
Park Lamps - Except North America
Clock (North America)
G201, G202
G201, G202
G101
G201, G202
G101