GM Service Manual Online
For 1990-2009 cars only
Makes
🢒
Chevrolet
🢒
2004
🢒
Epica
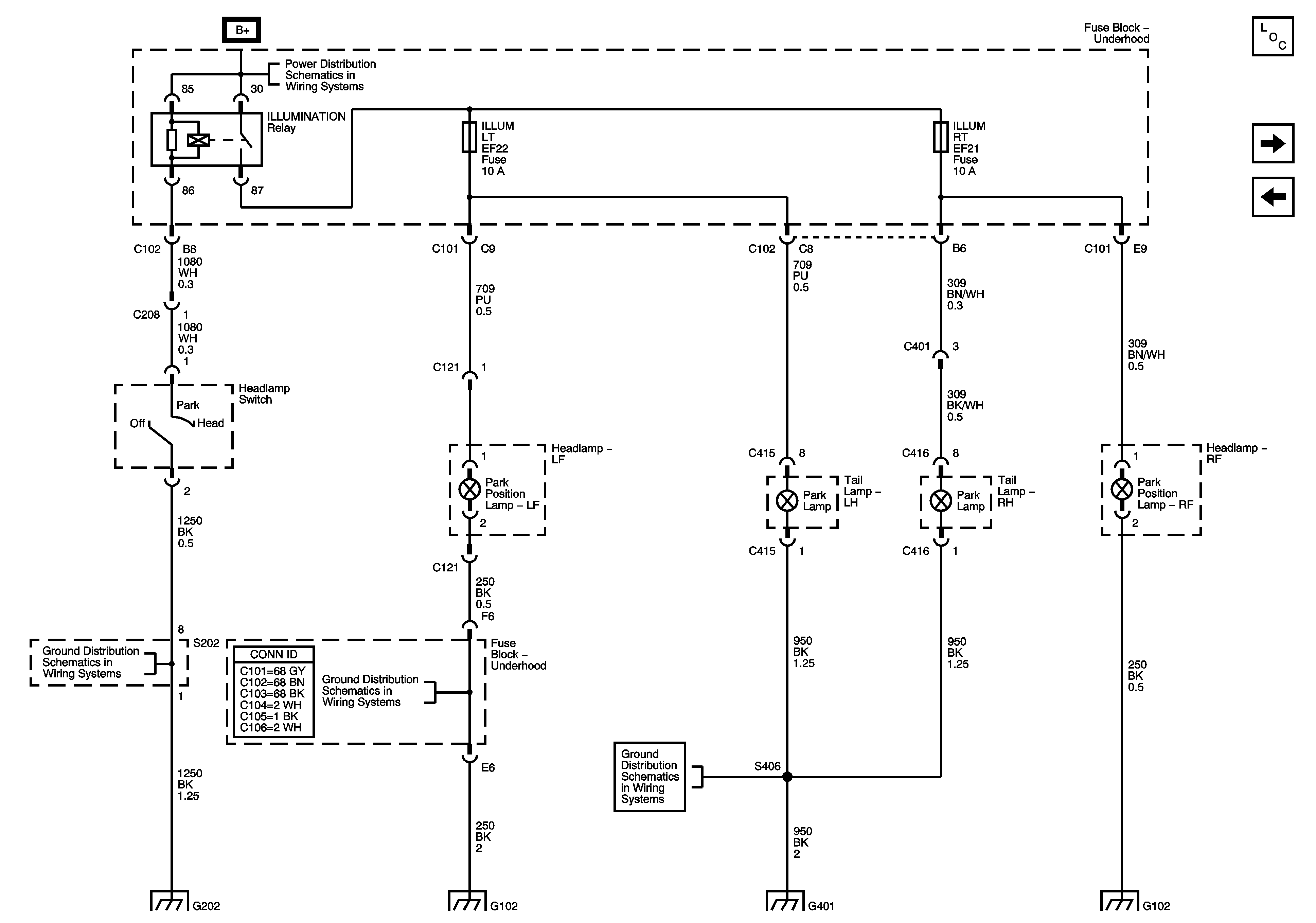
🢒 Park Lamps - Except North America
Park Lamps - Except North America
Park Lamps - Except North America
Master Electrical Component List
Turn and Hazard Lamps - North America
Park Lamps - North America
Underhood Fuse Block - ABS, BCM BATT, IllUM RT, and ILLUM LT Fuses
G201, G202
G102
G401