GM Service Manual Online
For 1990-2009 cars only

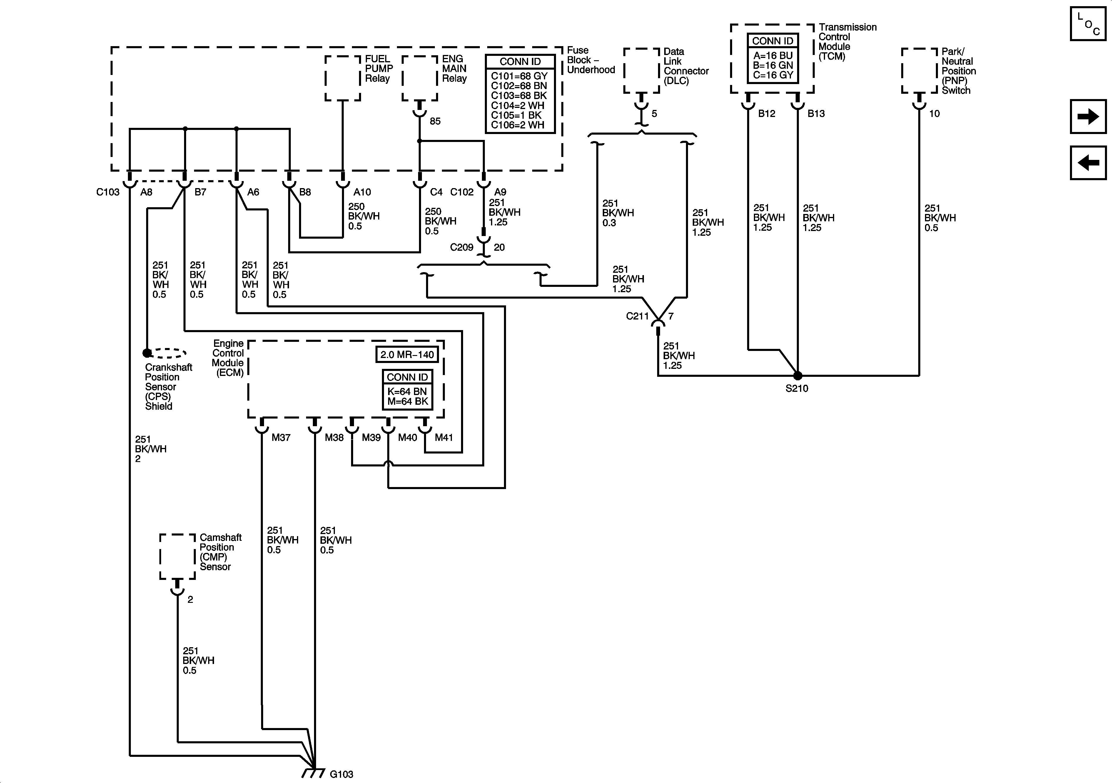
G103 (MR-140)

G103 (MR-140)


Object Number: 1461070  Size: FS
Master Electrical Component List
G103 and G104 (ITMS-6F)
G102