GM Service Manual Online
For 1990-2009 cars only

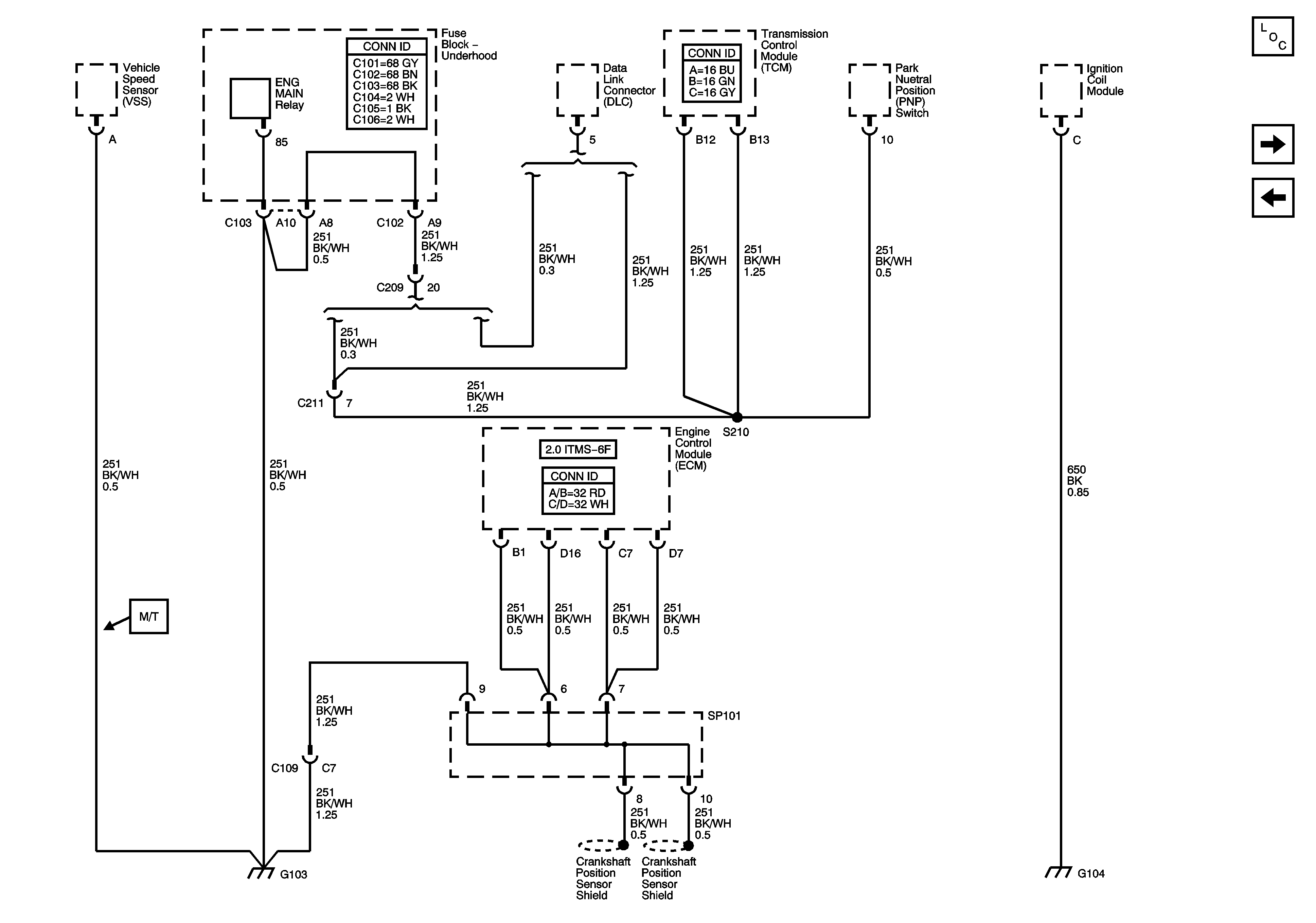
G103 and G104 (ITMS-6F)

G103 and G104 (ITMS-6F)


Object Number: 1461069  Size: FS
Master Electrical Component List
G103 (2.5L)
G103 (MR-140)