GM Service Manual Online
For 1990-2009 cars only

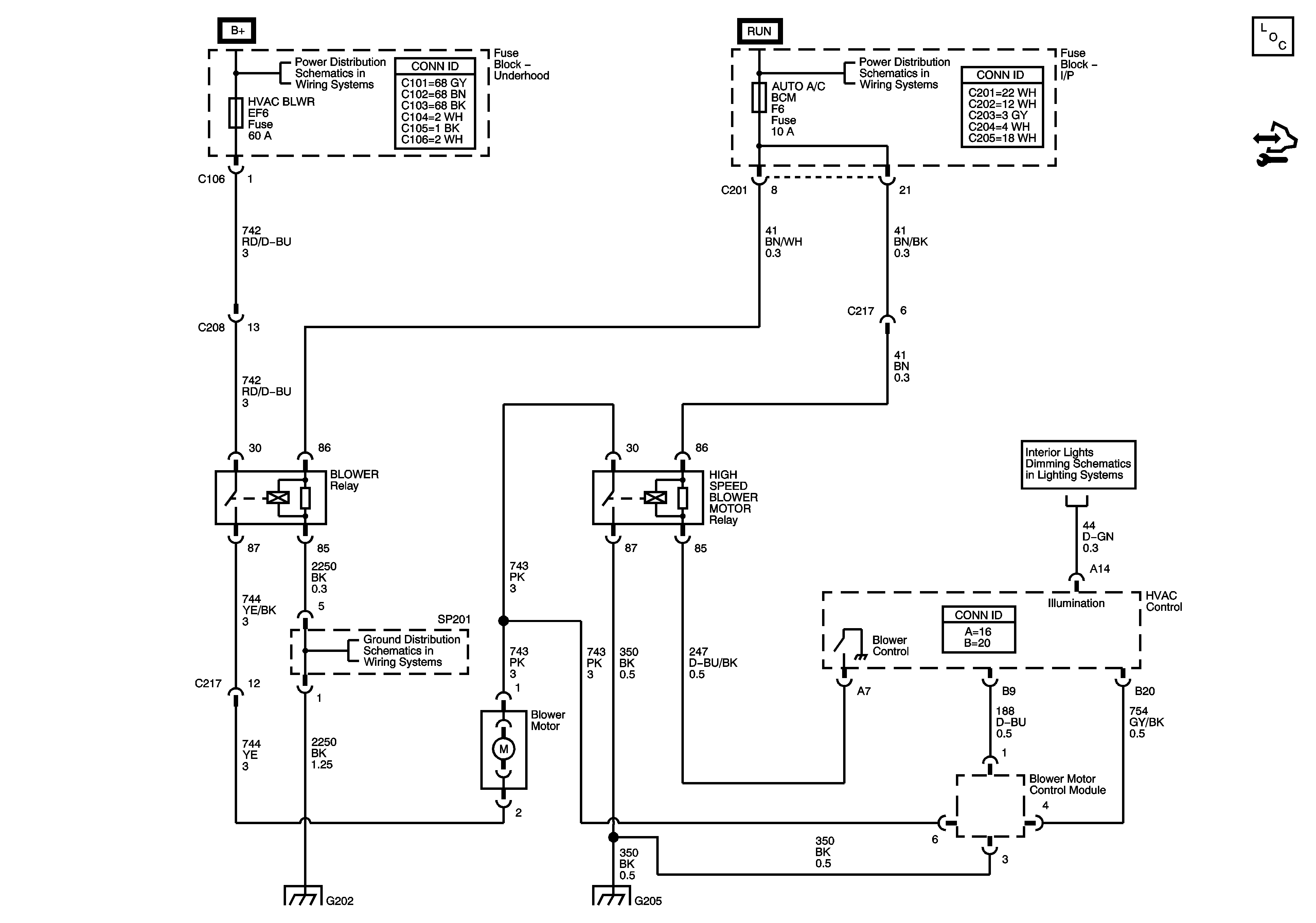
Blower Controls

Blower Controls


Object Number: 1685609  Size: FS
Master Electrical Component List
HVAC, BLWR, S/ROOF, PWR SEAT Fuses
IGN 2 Fuse, Ignition Switch, I/P Fuse Block - AUTO A/C BCM, HVAC EPS, TPMS, ABS, HTD MIR FusesIGN 2 Fuse, Ignition Switch, I/P Fuse Block - AUTO A/C BCM, HVAC EPS, TPMS, ABS, HTD MIR Fuses
G201, G202, SP203
Interior Lights Dimming Schematics
G202, SP201
G205 (C68), G205 (C60)