GM Service Manual Online
For 1990-2009 cars only
Makes
🢒
Chevrolet
🢒
2005
🢒
Epica
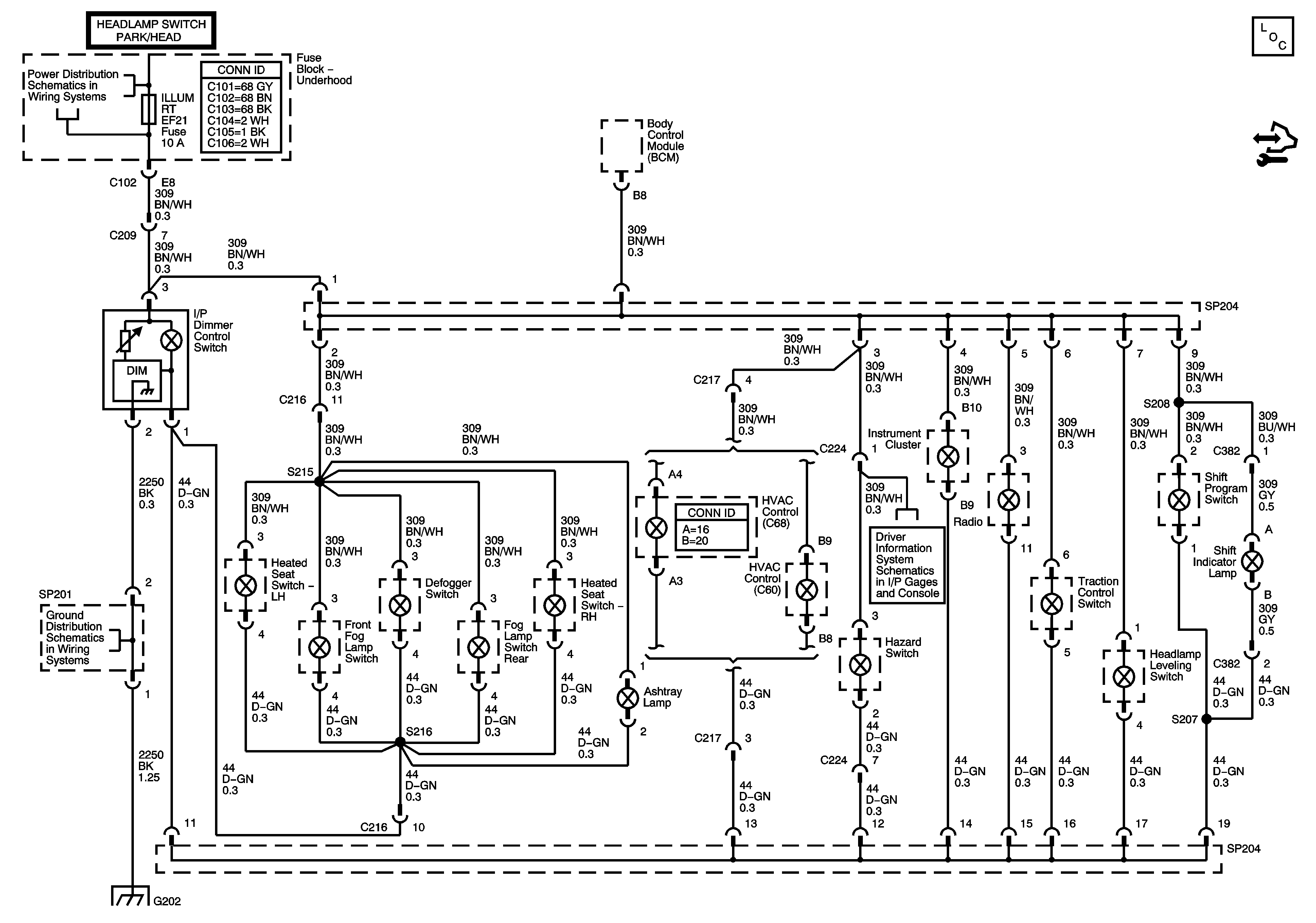
🢒 Interior Lights Dimming Schematics
Interior Lights Dimming Schematics
Master Electrical Component List
ABS, BCM BATT, ILLUM RT, ILLUM LT Fuses
G201, G202, SP203
Clock (North America)
G201, G202, SP203