GM Service Manual Online
For 1990-2009 cars only
Makes
🢒
Chevrolet
🢒
2005
🢒
Epica
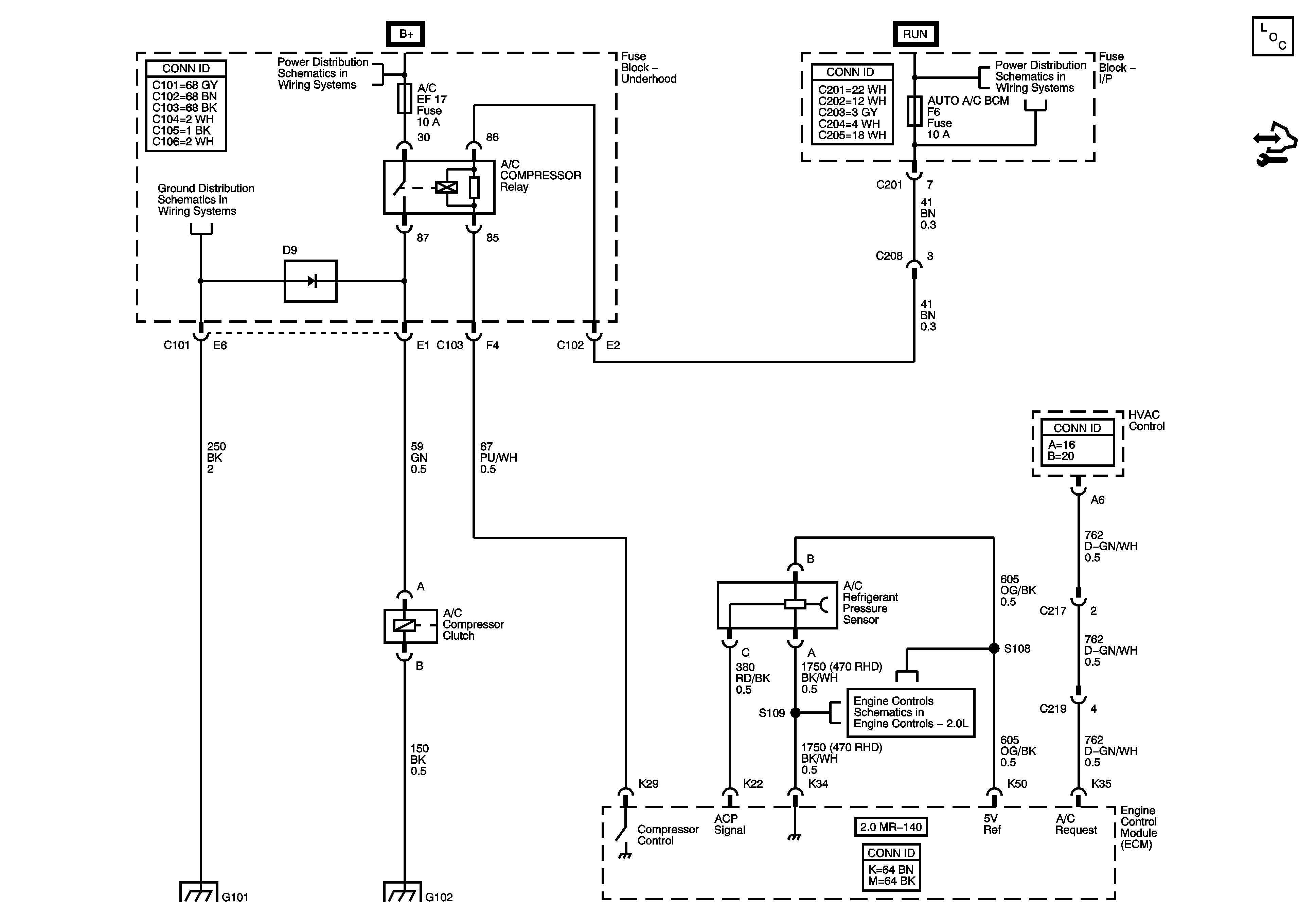
🢒 Compressor Controls (2.0L MR 140)
Compressor Controls (2.0L MR 140)
Compressor Controls (2.0L MR 140)
Master Electrical Component List
A/C, IP BATT Fuses, I/P Fuse Block, RADIO, CRUISE, AUTO A/C CLSTR, DLC Fuses
IGN 2 Fuse, Ignition Switch, I/P Fuse Block - AUTO A/C BCM, HVAC EPS, TPMS, ABS, HTD MIR FusesIGN 2 Fuse, Ignition Switch, I/P Fuse Block - AUTO A/C BCM, HVAC EPS, TPMS, ABS, HTD MIR Fuses
G101
ECT, TP, MAP, IAT Sensors
G101
G102