GM Service Manual Online
For 1990-2009 cars only
Makes
🢒
Chevrolet
🢒
2005
🢒
Epica
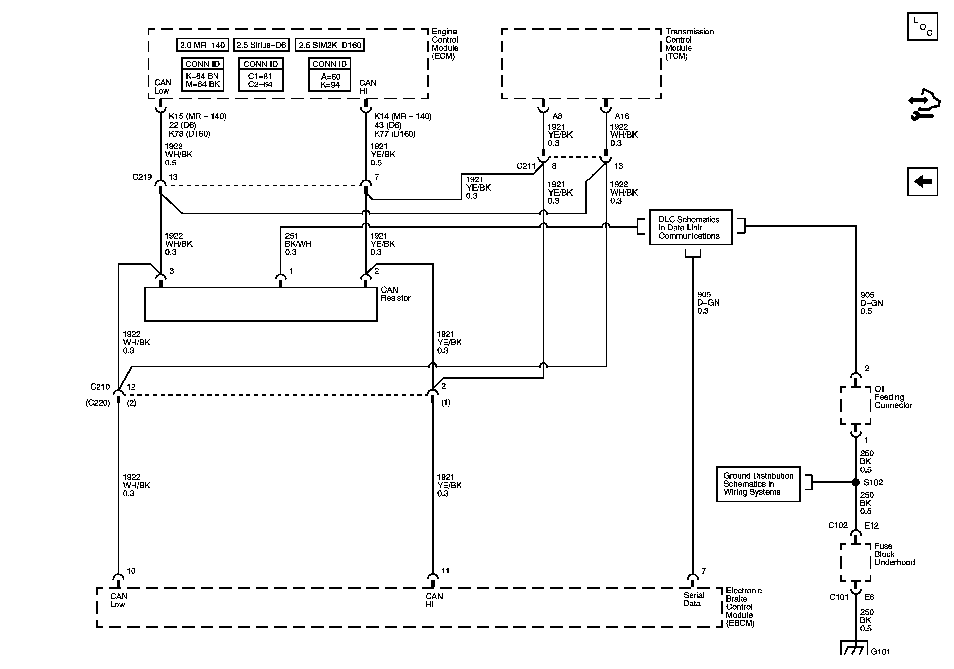
🢒 Serial Data, CAN Resistor, Oil Feeding Connector
Serial Data, CAN Resistor, Oil Feeding Connector
Serial Data, CAN Resistor, Oil Feeding Connector
Master Electrical Component List
Wheel Speed Sensors
DLC Schematics
G101
G101