GM Service Manual Online
For 1990-2009 cars only
Makes
🢒
Chevrolet
🢒
2005
🢒
Epica
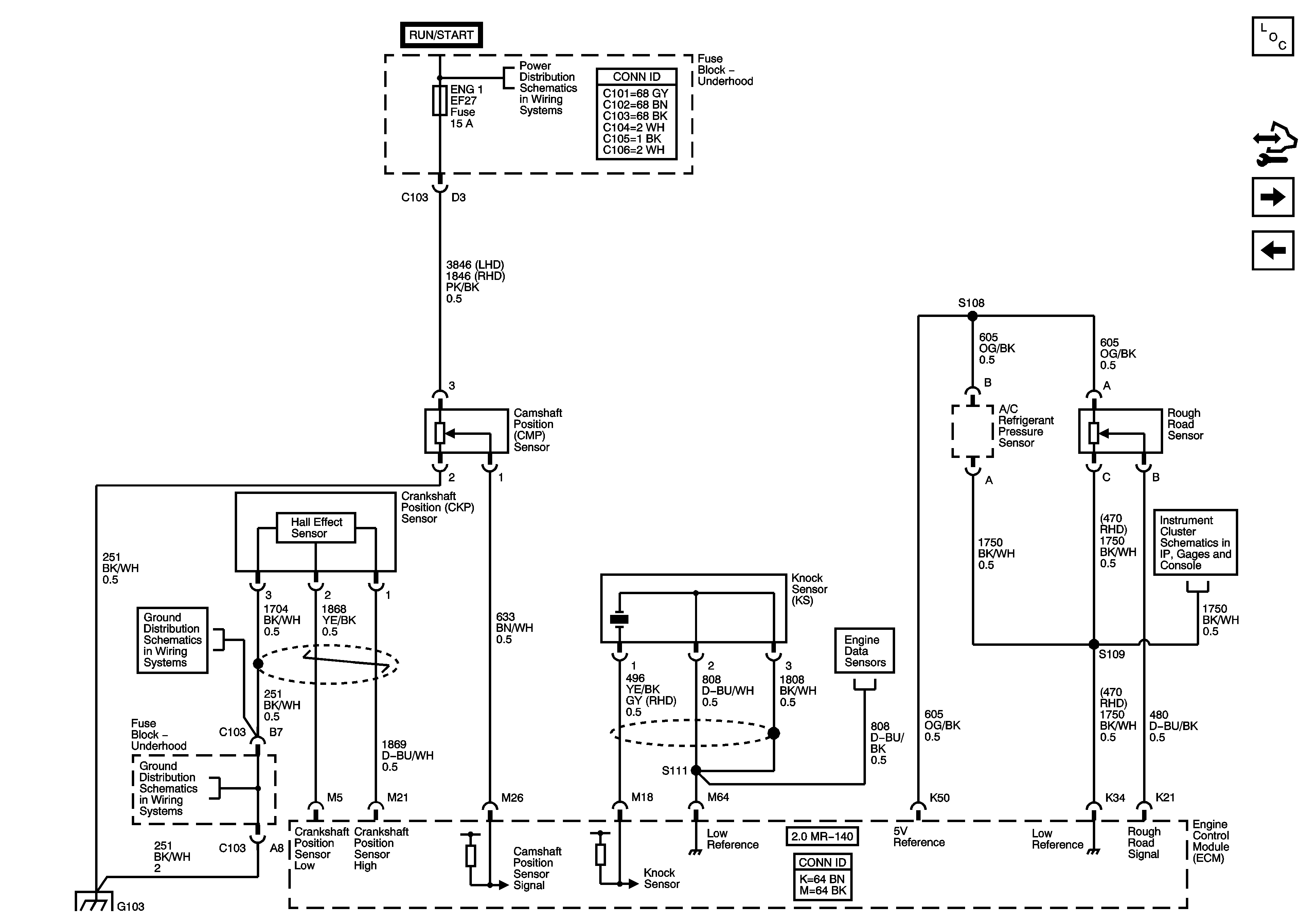
🢒 CKP,CMP, Rough Road, Knock Sensors
CKP,CMP, Rough Road, Knock Sensors
CKP, CMP, Rough Road, Knock Sensors
Master Electrical Component List
Fuel Pump and Injectors
Ignition Coil Module
ENG 1, COOL FAN HIGH, COOL FAN LOW Fuses
Power, Ground and Gages 2.0L MR 140
G103 (2.0L MR140)
G103 (2.0L MR140)
G103 (2.0L MR140)