GM Service Manual Online
For 1990-2009 cars only

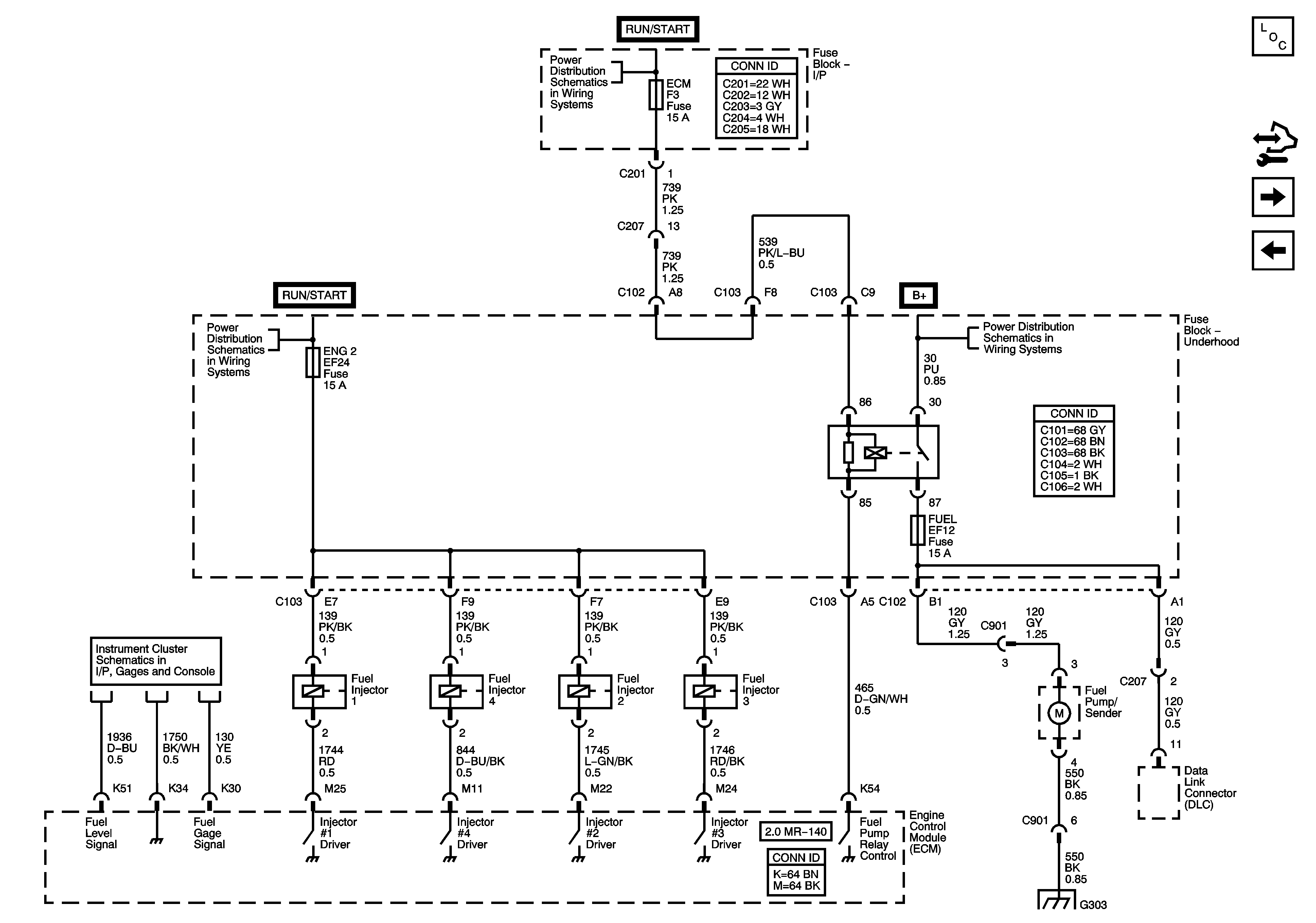
Fuel Pump and Injectors

Fuel Pump and Injectors


Object Number: 1685624  Size: FS
Master Electrical Component List
EVAP Purge Valve, IAC Valve, EGR Valve
CKP, CMP, Rough Road, Knock Sensors
IGN 1, Fuse, Ignition Switch, I/P Fuse Block, - LTR, HTD SEAT, CLK, RADIO, AIR BAG, BCK/UP, CRUISE, ECM Fuses
ENG MAIN Relay, ECM, ENG 2 Fuses (2.0L)
Fuse Block - Underhood Bussing (1 of 2)
Power, Ground and Gages 2.0L MR 140
G303