GM Service Manual Online
For 1990-2009 cars only
Makes
🢒
Chevrolet
🢒
2005
🢒
Epica
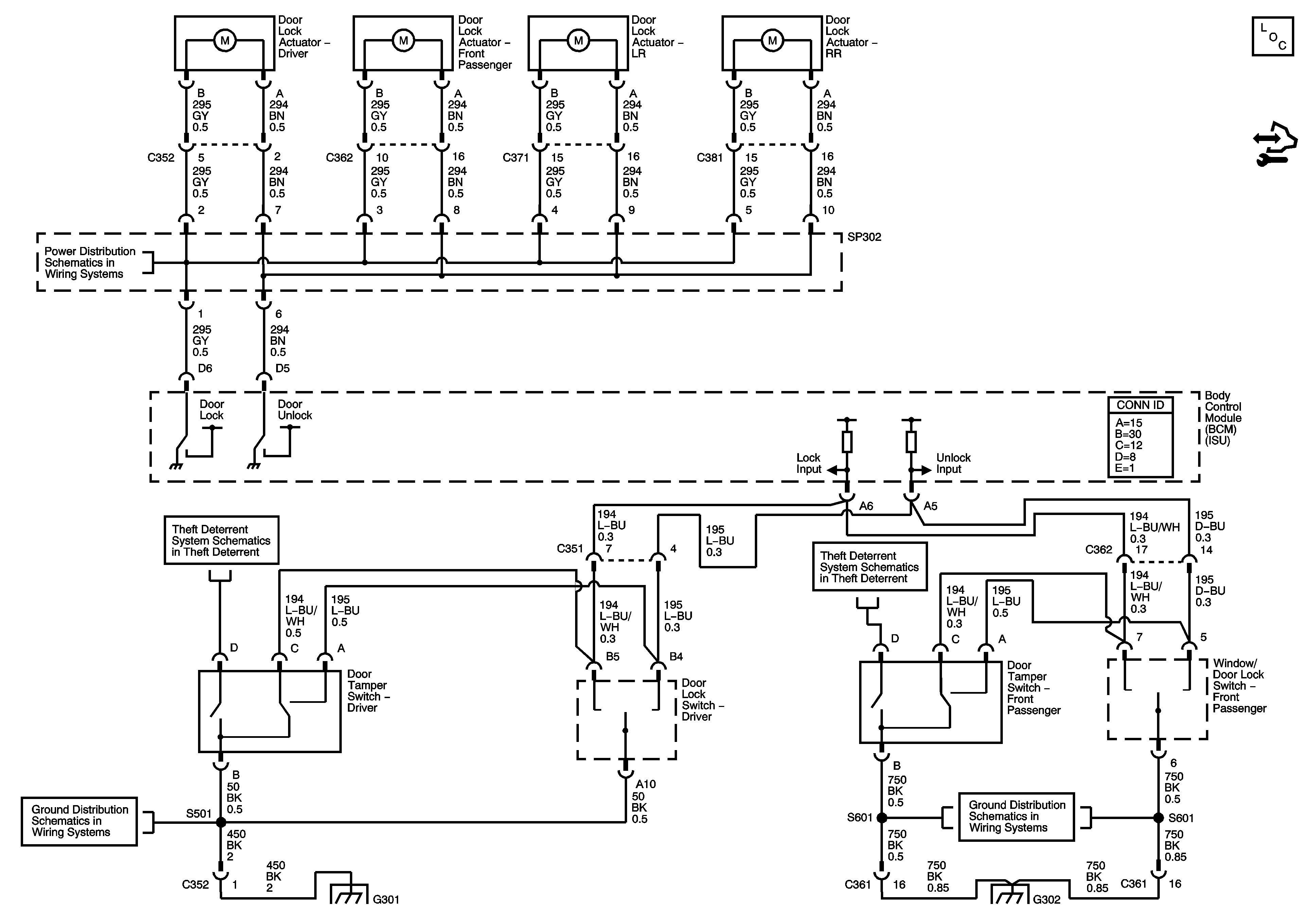
🢒 Door Lock/Indicator Schematics
Door Lock/Indicator Schematics
Master Electrical Component List
INT LTS, FRT DEFOG Fuses
Theft Deterrent Schematics (2 of 2)
Theft Deterrent Schematics (2 of 2)
G301
G302
G302