GM Service Manual Online
For 1990-2009 cars only
Makes
🢒
Chevrolet
🢒
2005
🢒
Epica
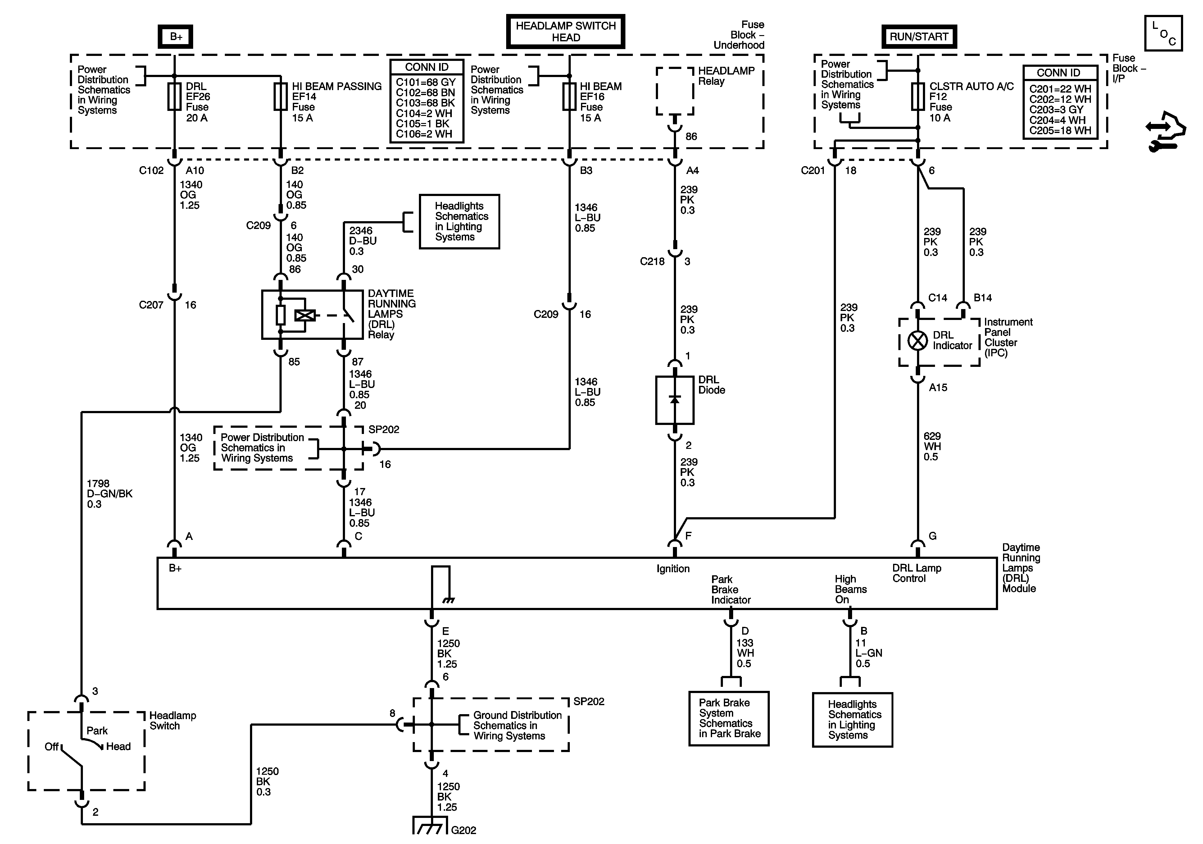
🢒 Daytime Running Lamps (DRL) (North America)
Daytime Running Lamps (DRL) (North America)
Daytime Running Lights (DRL) (North America)
Master Electrical Component List
HEADLAMP Relay, LOW BEAM LT, LOW BEAM RT, DRL, CLSTR AUTO A/C Fuses
STOP LAMPS, HI BEAM PASSING, ECM Fuses
WPR, TCM BTSI, BCM ABS, CLSTR AUTO A/C, WSWA Fuses
STOP LAMPS, HI BEAM PASSING, ECM Fuses
G201, G202, SP203
Brake Warning System Schematics
G201, G202, SP203
Headlights Schematics
Headlights Schematics