GM Service Manual Online
For 1990-2009 cars only

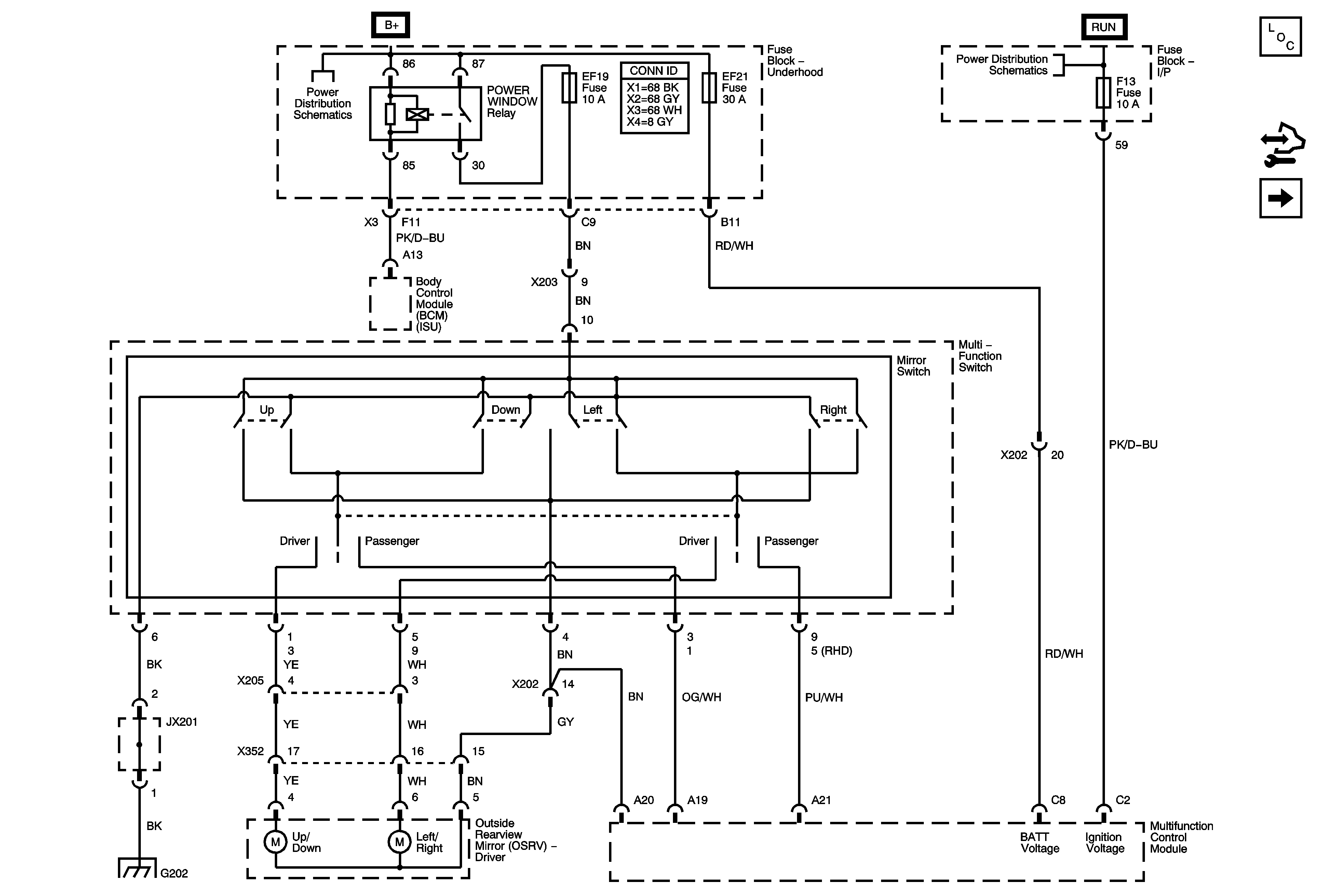
Outside Rearview Mirror Schematics Power Mirror - Standard


Object Number: 1860556  Size: FS
Master Electrical Component List
Control Module References
Alternator, EF1, EF3, EF5, EF18, EF19, EF27, EF30, EF33 Fuses
Defogger Schematics
Defogger Schematics
G202 (1 of 2)

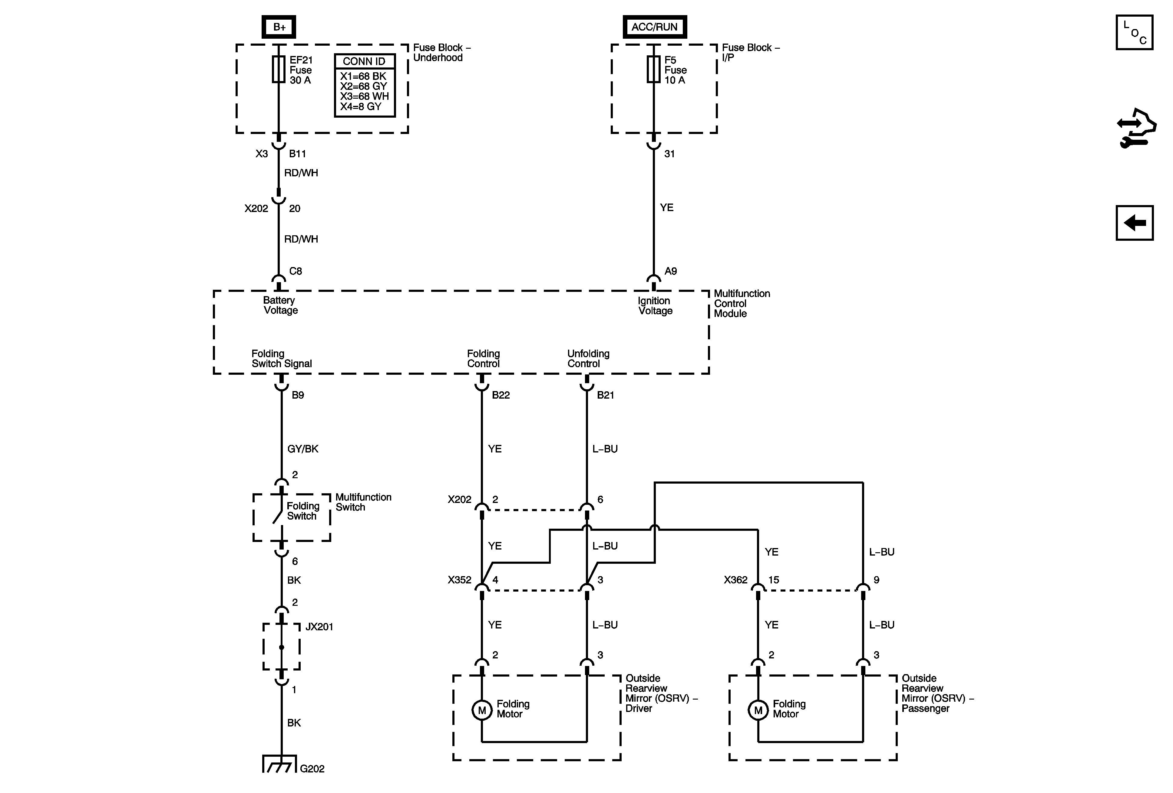
Outside Rearview Mirror Schematics Power Mirror -w/Power Folding

Figure 1:

Driver Outside Mirror


Object Number: 1860557  Size: FS
Master Electrical Component List
Control Module References
Passenger Outside Mirror
Alternator, EF1, EF3, EF5, EF18, EF19, EF27, EF30, EF33 Fuses
Alternator, EF1, EF3, EF5, EF18, EF19, EF27, EF30, EF33 Fuses
G202 (1 of 2)
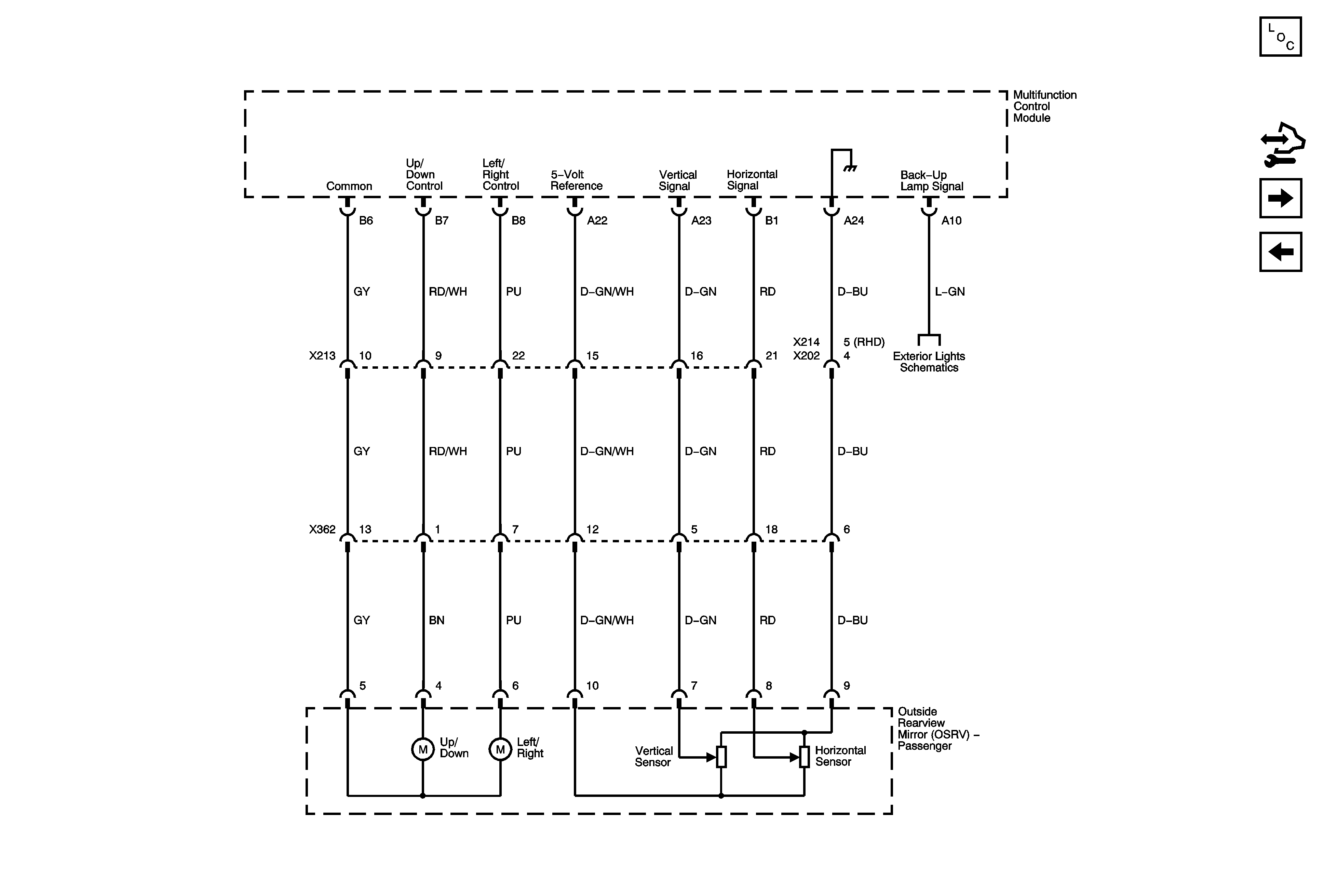
Figure 2:

Passenger Outside Mirror


Object Number: 1860558  Size: FS
Master Electrical Component List
Control Module References
Folding Mirror
Driver Outside Mirror
Park Lamps
Figure 3:

Folding Mirror


Object Number: 1860560  Size: FS
Master Electrical Component List
Control Module References
Passenger Outside Mirror
G202 (1 of 2)