GM Service Manual Online
For 1990-2009 cars only
Makes
🢒
Chevrolet
🢒
2007
🢒
Epica
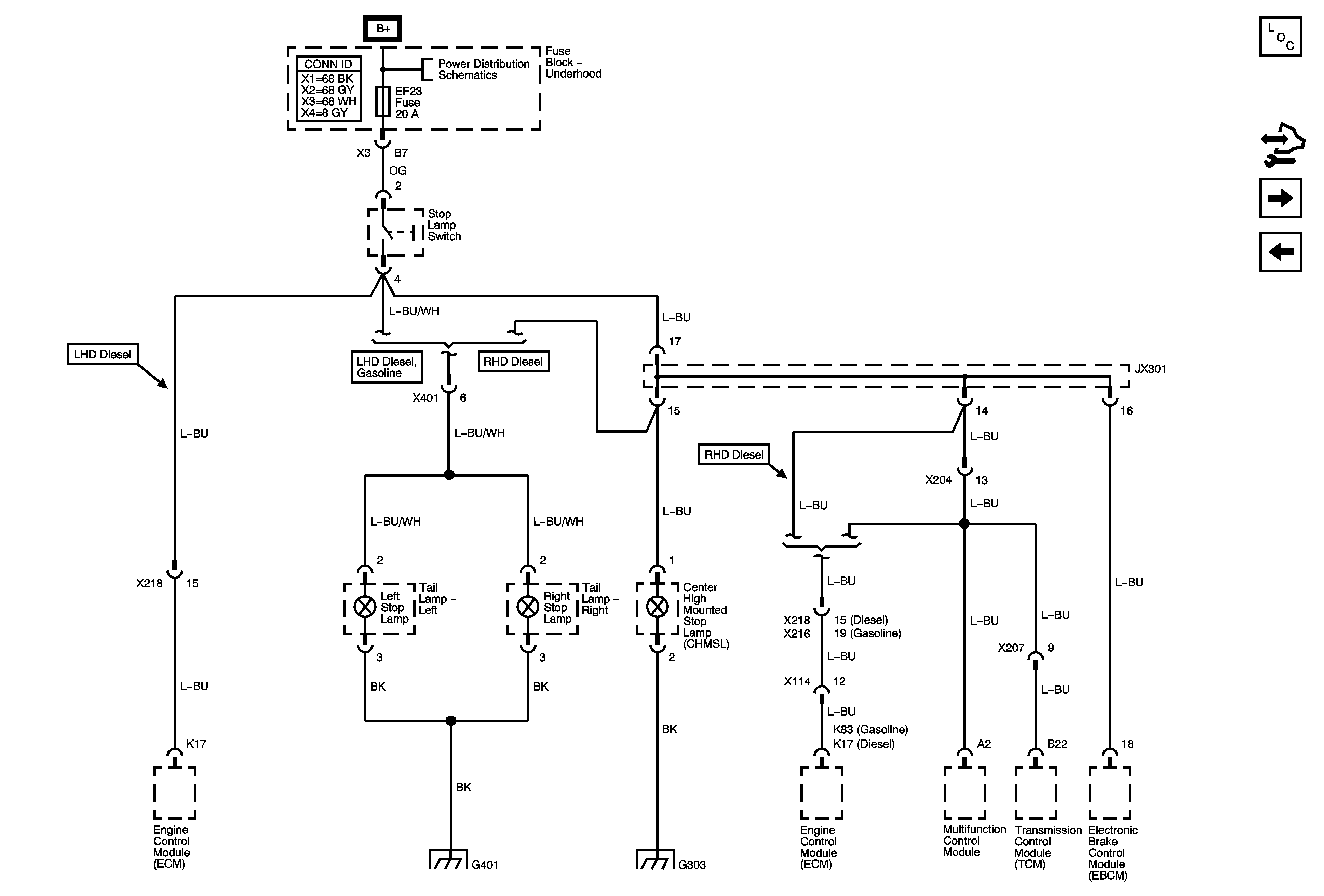
🢒 Stop Lamps
Stop Lamps
Stop Lamps
Master Electrical Component List
Control Module References
Backup Lamps
Turn and Hazard Lamps
Alternator, EF1, EF3, EF5, EF18, EF19, EF27, EF30, EF33 Fuses
G401
G303