GM Service Manual Online
For 1990-2009 cars only
Makes
🢒
Chevrolet
🢒
2007
🢒
Epica
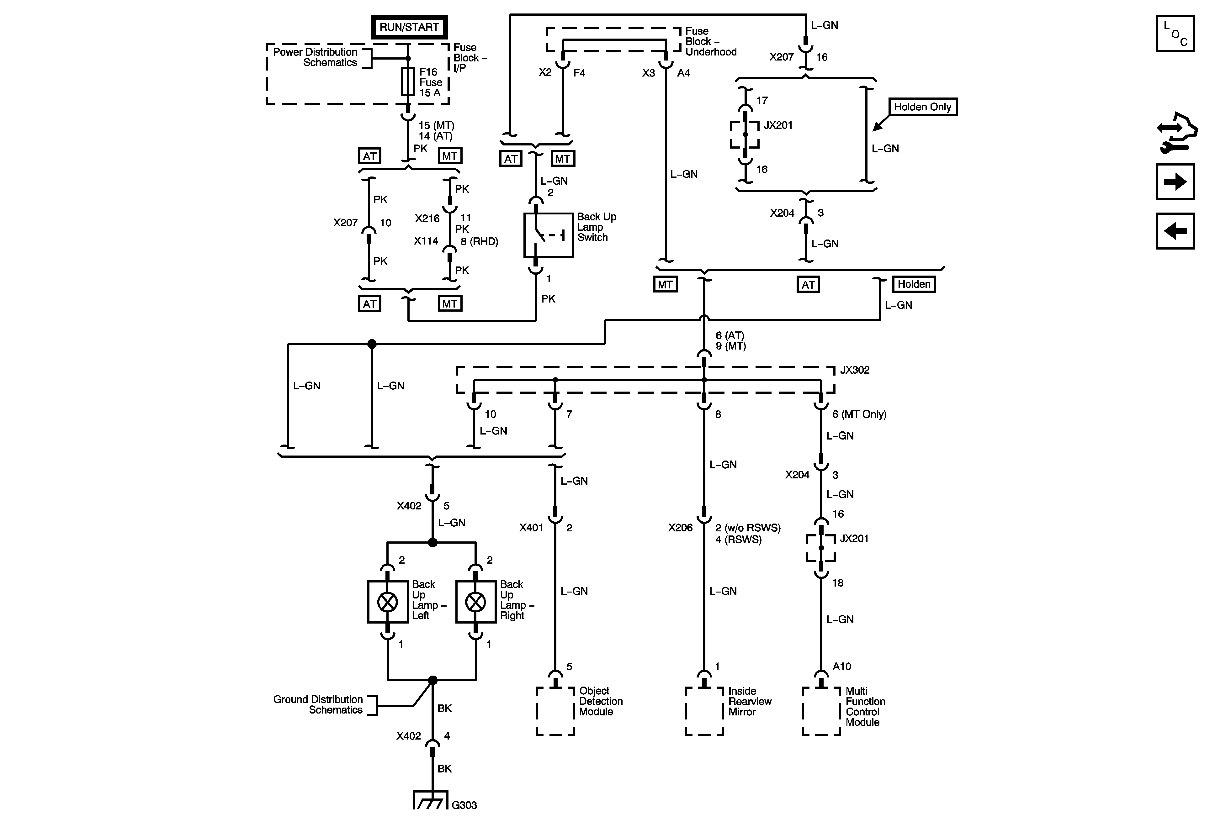
🢒 Backup Lamps
Backup Lamps
Backup Lamps
Master Electrical Component List
Control Module References
Battery Saver
Stop Lamps
Alternator, EF1, EF3, EF5, EF18, EF19, EF27, EF30, EF33 Fuses
G101, G106, G107
G303