GM Service Manual Online
For 1990-2009 cars only
Makes
🢒
Chevrolet
🢒
2007
🢒
Epica
🢒 Interior Lights Dimming Control
Interior Lights Dimming Control
Interior Lights Dimming Control
Master Electrical Component List
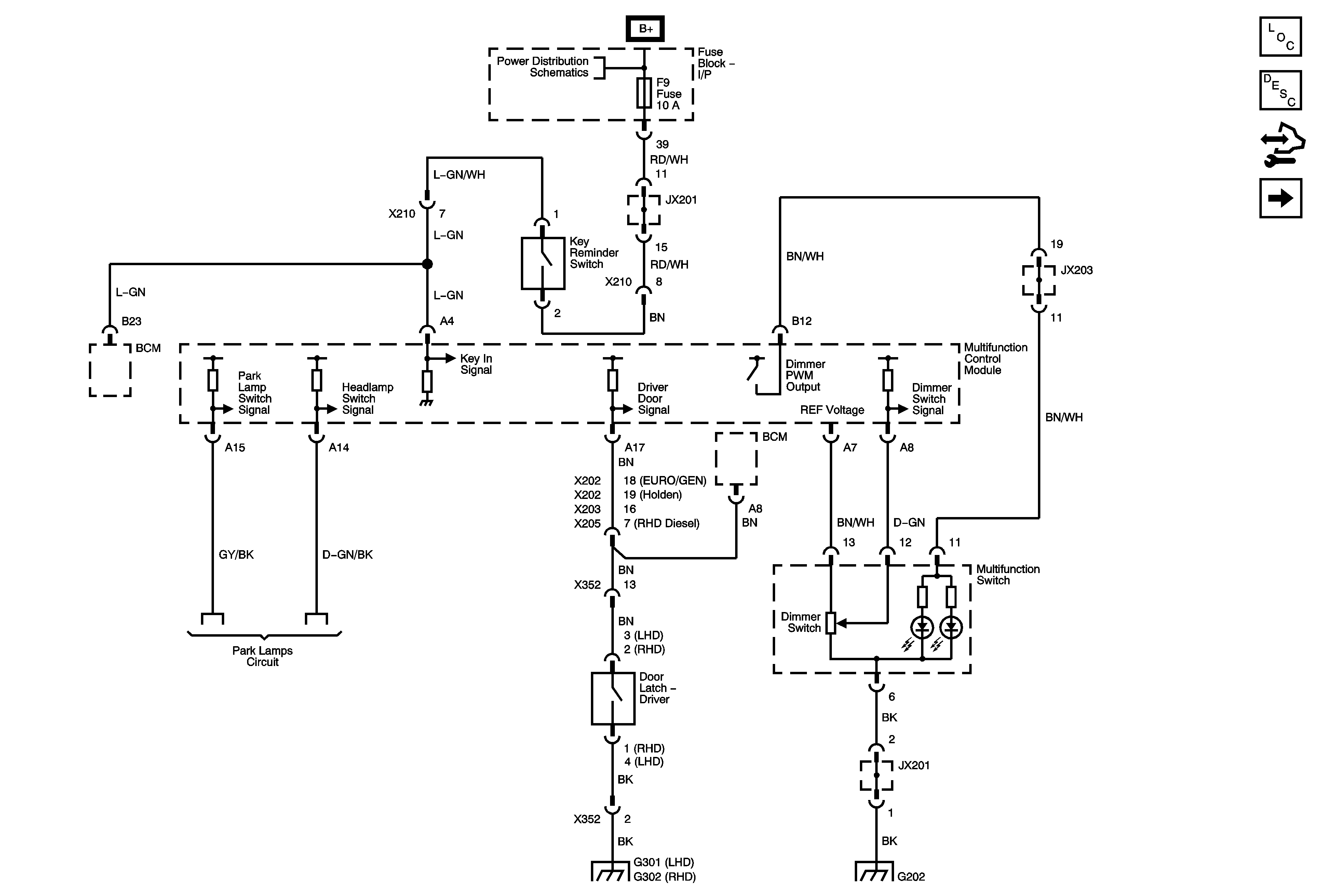
Interior Lighting Systems Description and Operation
Control Module References
Interior Lights Dimming
Alternator, EF1, EF3, EF5, EF18, EF19, EF27, EF30, EF33 Fuses
Park Lamps
G301
G302
G202 (1 of 2)