GM Service Manual Online
For 1990-2009 cars only
Makes
🢒
Chevrolet
🢒
2007
🢒
Epica
🢒 Starting System
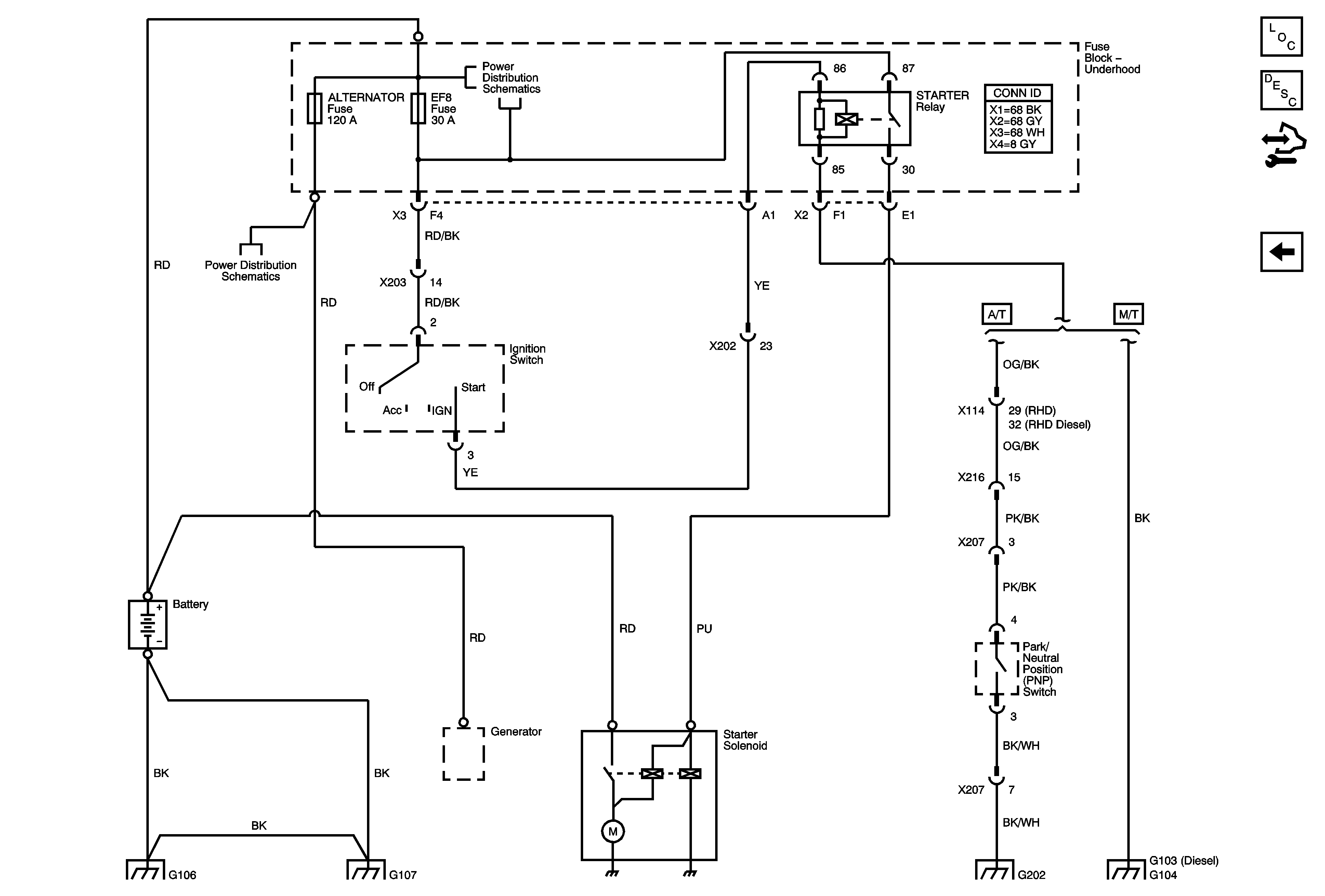
Starting System
Starting System
Master Electrical Component List
Starting System Description and Operation
Control Module References
Charging System
Alternator, EF1, EF3, EF5, EF18, EF19, EF27, EF30, EF33 Fuses
Alternator, EF1, EF3, EF5, EF18, EF19, EF27, EF30, EF33 Fuses
G101, G106, G107
G101, G106, G107
G202 (1 of 2)
G103, G105, G201
G104