GM Service Manual Online
For 1990-2009 cars only
Makes
🢒
Chevrolet
🢒
2007
🢒
Epica
🢒 Charging System
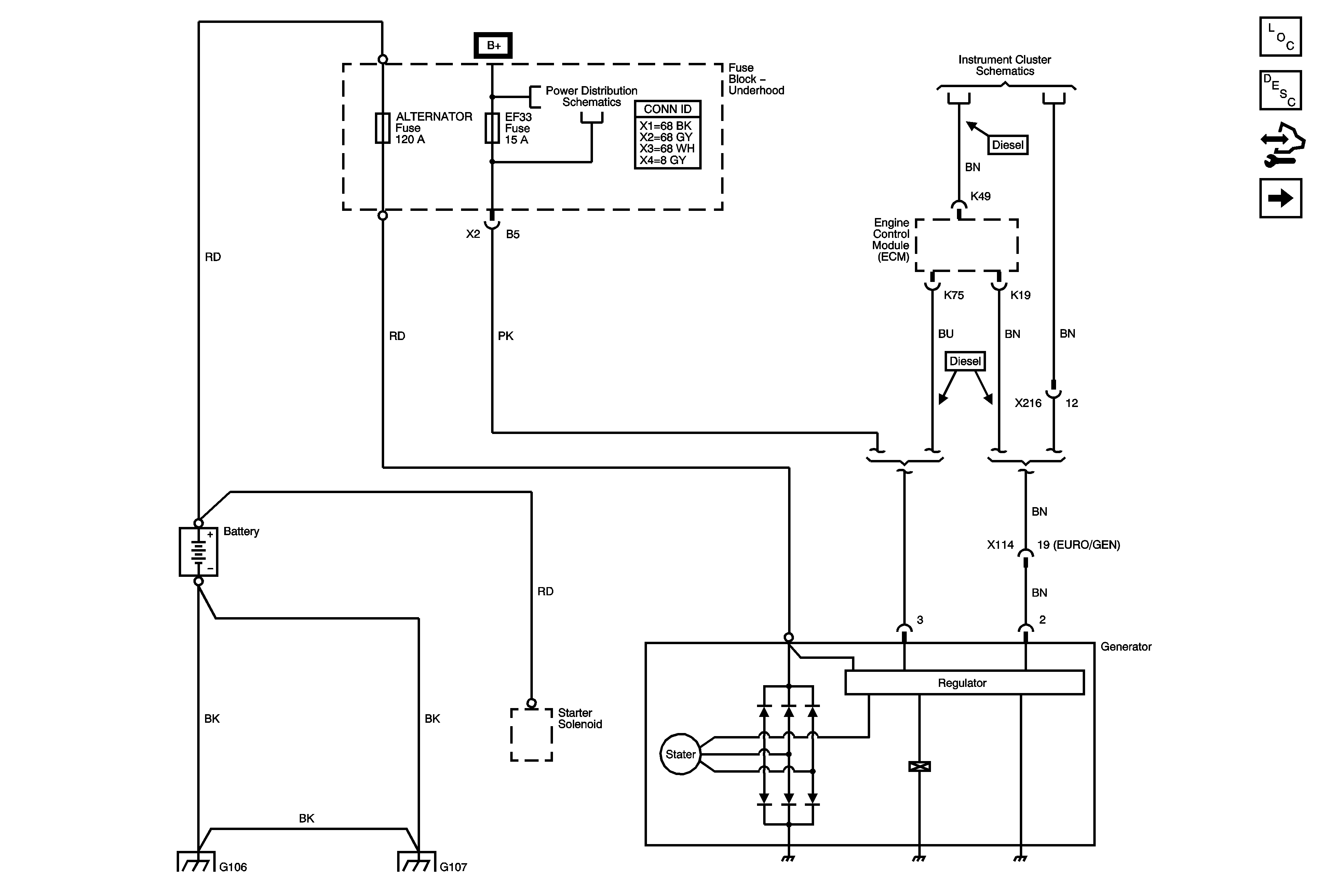
Charging System
Charging System
Master Electrical Component List
Charging System Description and Operation
Control Module References
Starting System
Alternator, EF1, EF3, EF5, EF18, EF19, EF27, EF30, EF33 Fuses
Power, Ground and Gages
G101, G106, G107
G101, G106, G107