GM Service Manual Online
For 1990-2009 cars only
Makes
🢒
Chevrolet
🢒
2007
🢒
Epica
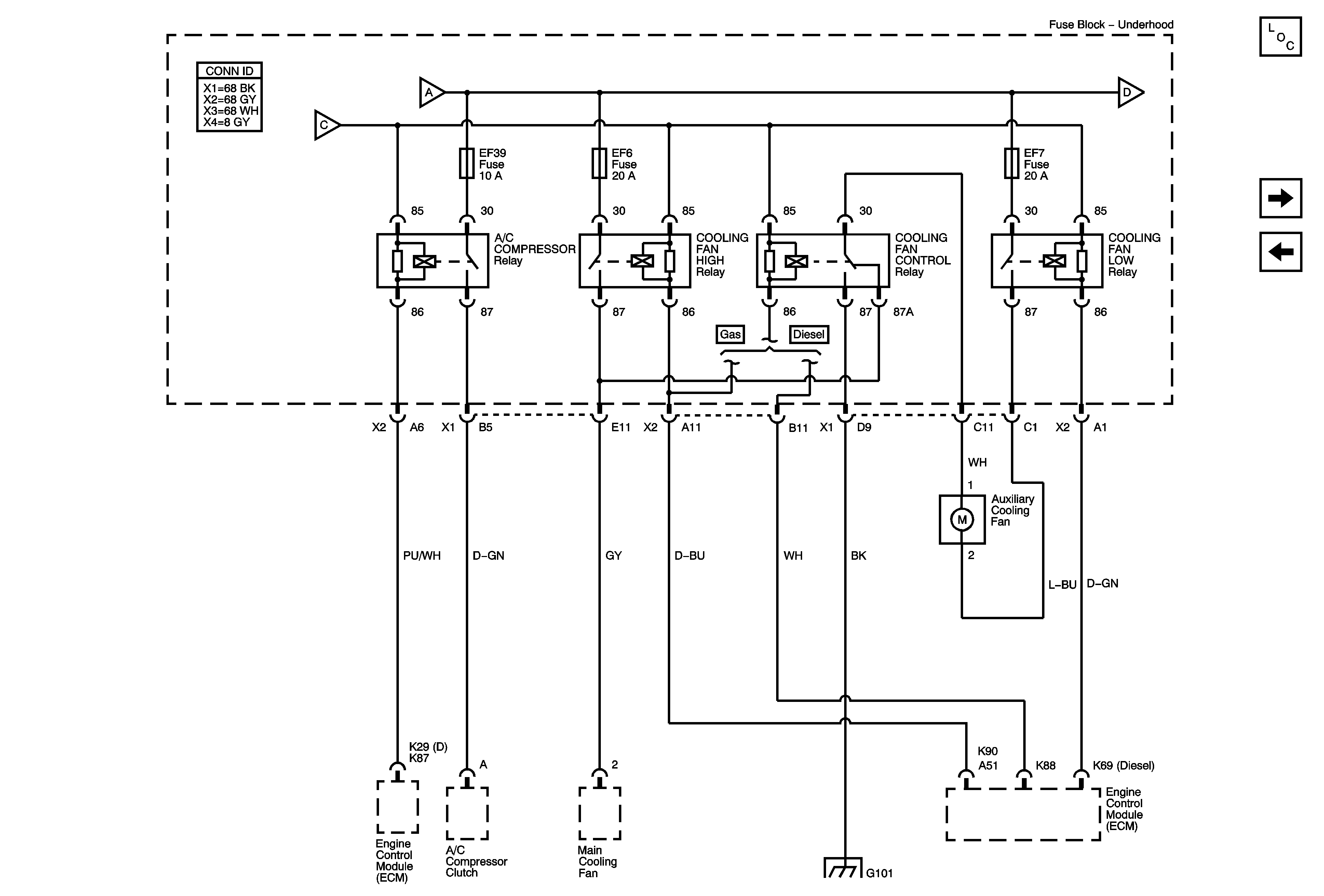
🢒 EF6, EF7, EF39, Fuses
EF6, EF7, EF39, Fuses
EF6, EF7, EF39 Fuses
Master Electrical Component List
EF2, EF4, EF8, EF15, EF20, EF22, EF24, EF25, EF29, Fuses
EF33 Fuse
EF33 Fuse
Alternator, EF1, EF3, EF5, EF18, EF19, EF27, EF30, EF33 Fuses
EF2, EF4, EF8, EF15, EF20, EF22, EF24, EF25, EF29, Fuses
G101, G106, G107