GM Service Manual Online
For 1990-2009 cars only
Makes
🢒
Chevrolet
🢒
2007
🢒
Epica
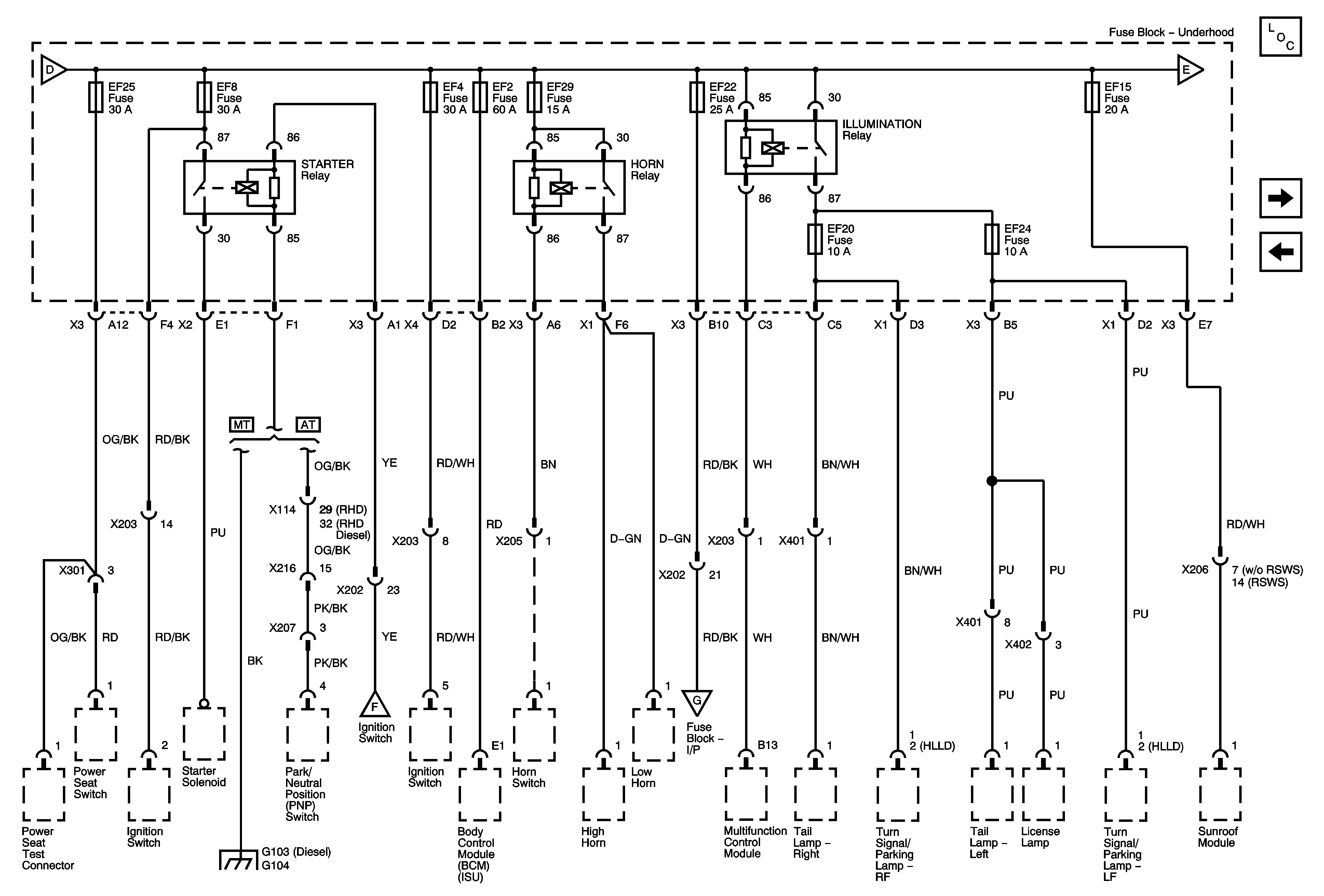
🢒 EF2, EF4, EF8, EF15, EF20, EF22, EF24, EF25, EF29, Fuses
EF2, EF4, EF8, EF15, EF20, EF22, EF24, EF25, EF29, Fuses
EF2, EF4, EF8, EF15, EF20, EF22, EF24, EF25, EF29 Fuses
Master Electrical Component List
EF17, EF21, EF23, EF35, EF36, EF37 Fuses
EF6, EF7, EF39, Fuses
EF6, EF7, EF39, Fuses
EF17, EF21, EF23, EF35, EF36, EF37 Fuses
EF8, EF4 Fuses, Ignition Switch, F1, F2, F3, F4, F5, F6, F7, F10, F11, F12, F13, F14, F16, F17, F18, F20, F21, F23 Fuses
F8, F9, F15, F22 Fuses
G103, G105, G201
G104