GM Service Manual Online
For 1990-2009 cars only
Makes
🢒
Chevrolet
🢒
2007
🢒
Epica
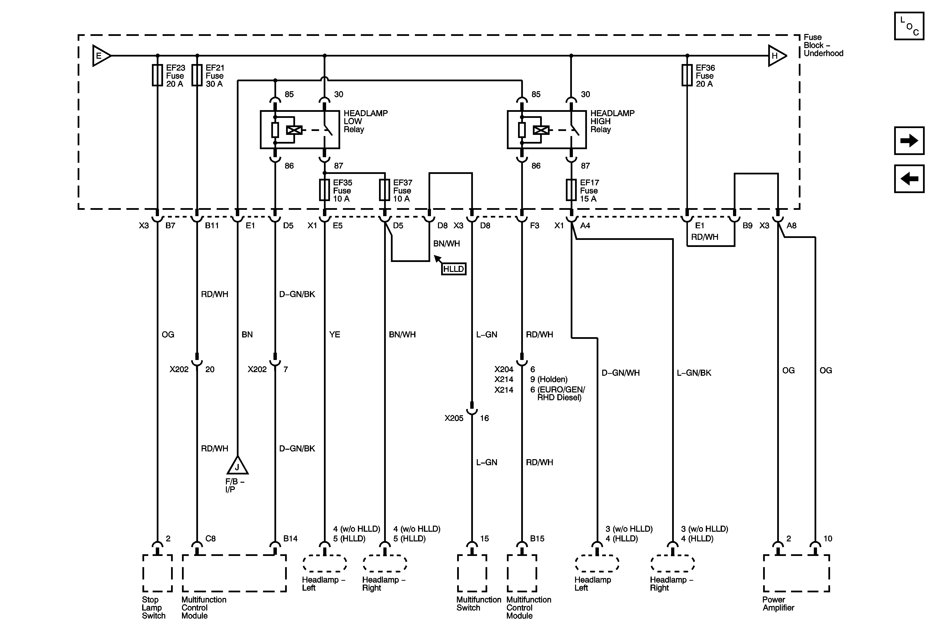
🢒 EF17, EF21, EF23, EF35, EF36, EF37 Fuses
EF17, EF21, EF23, EF35, EF36, EF37 Fuses
EF17, EF21, EF23, EF35, EF36, EF37 Fuses
Master Electrical Component List
EF26, EF28, EF34, Fuses
EF2, EF4, EF8, EF15, EF20, EF22, EF24, EF25, EF29, Fuses
EF2, EF4, EF8, EF15, EF20, EF22, EF24, EF25, EF29, Fuses
EF26, EF28, EF34, Fuses
F4, F13, F20, F21 Fuses