GM Service Manual Online
For 1990-2009 cars only
Makes
🢒
Chevrolet
🢒
2007
🢒
Epica
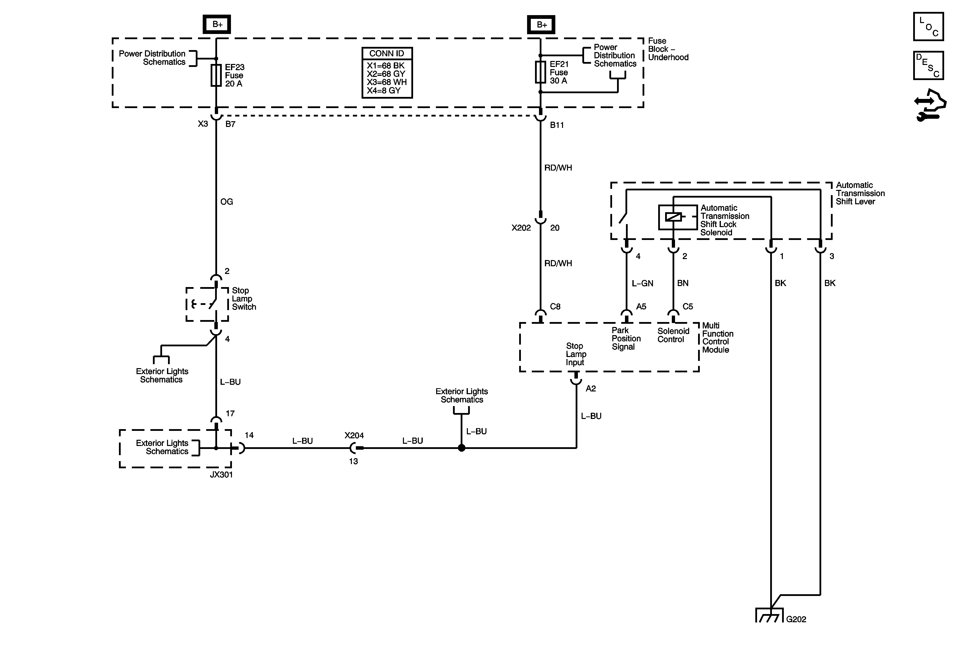
🢒 Automatic Transmission Shift Lock Control 2.0L
Automatic Transmission Shift Lock Control 2.0L
Master Electrical Component List
Transmission General Description
Control Module References
Alternator, EF1, EF3, EF5, EF18, EF19, EF27, EF30, EF33 Fuses
Alternator, EF1, EF3, EF5, EF18, EF19, EF27, EF30, EF33 Fuses
Park Lamps
Park Lamps
Park Lamps
G202 (1 of 2)