GM Service Manual Online
For 1990-2009 cars only
Makes
🢒
Chevrolet
🢒
2008
🢒
Epica
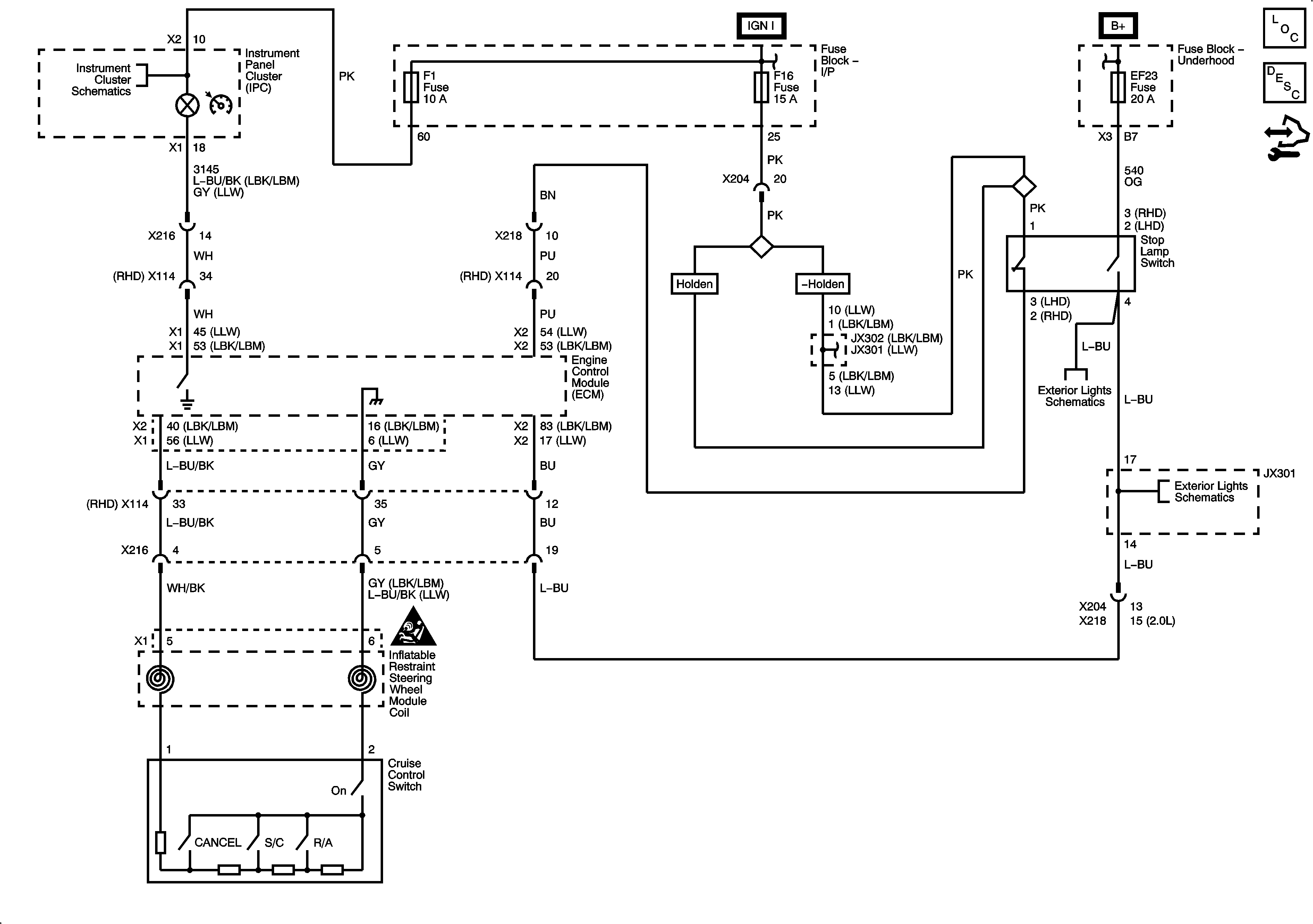
🢒 Cruise Control Schematics
Cruise Control Schematics
Master Electrical Component List
Cruise Control Description and Operation
Control Module References
Indicators 2 of 3
Ignition Switch
B+ Bus
Fuse Block - I/P F10, F16, F17 Fuses
Stop Lamps
Stop Lamps
SIR Caution for Zoning