GM Service Manual Online
For 1990-2009 cars only
Makes
🢒
Chevrolet
🢒
2008
🢒
Epica
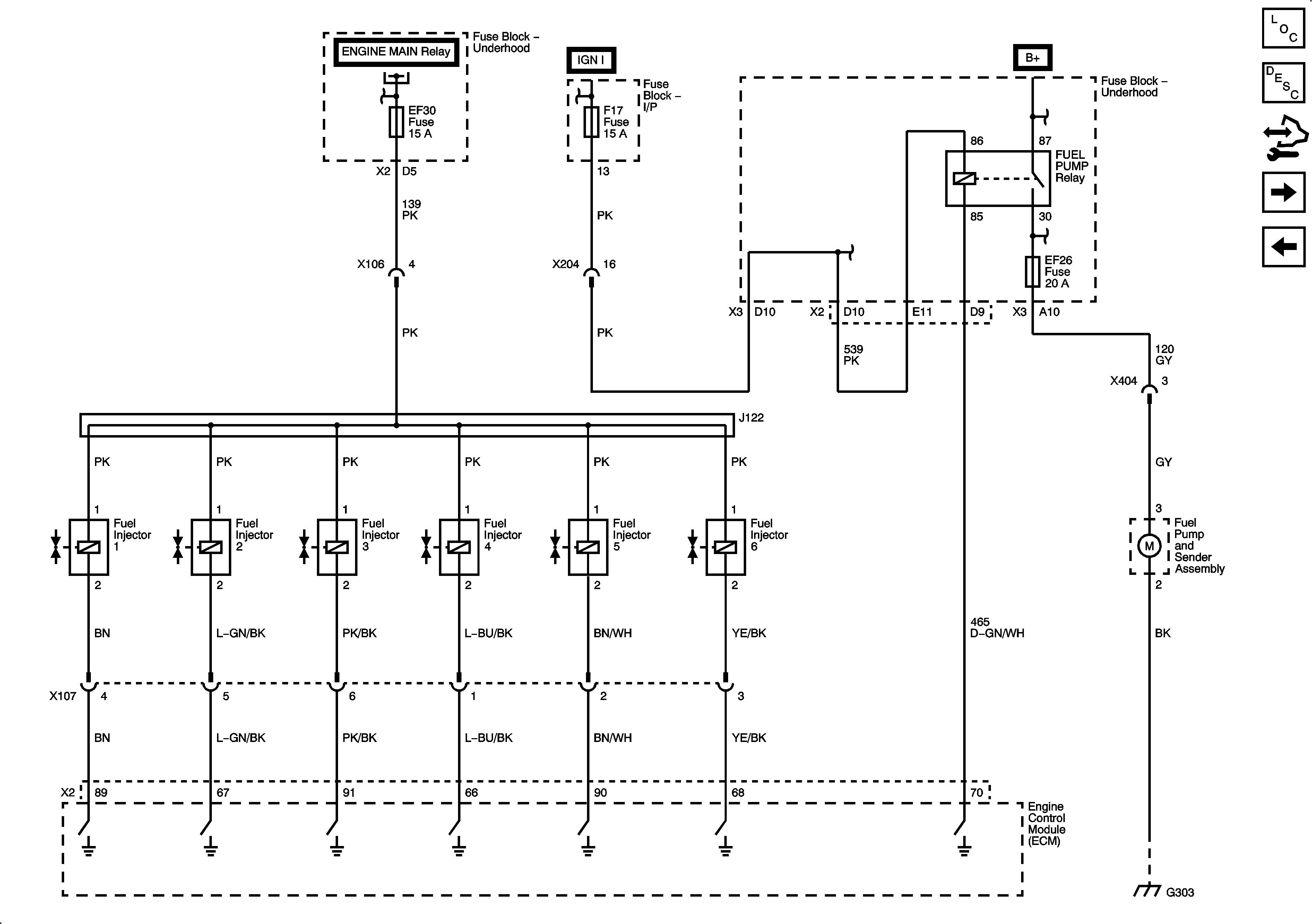
🢒 Fuel Pump and Fuel Injectors
Fuel Pump and Fuel Injectors
Fuel Pump and Fuel Injectors
Master Electrical Component List
Fuel System Description
Control Module References
Fuel Controls - EVAP Controls
Ignition Controls - Sensors
Power, Ground, Serial Data and MIL
Ignition Switch
Fuse Block - Underhood ALTERNATOR, EF1, EF3, EF5, EF18, EF19, Ef27, EF30, EF31 Fuses and POWER WINDOW, ENGINE MAIN Relays
Fuse Block - I/P F10, F16, F17 Fuses
Fuse Block - Underhood EF26, EF28 Fuses and FUEL PUMP Relay
G303