GM Service Manual Online
For 1990-2009 cars only
Makes
🢒
Chevrolet
🢒
2008
🢒
Epica
🢒 Manual Transmission Schematics
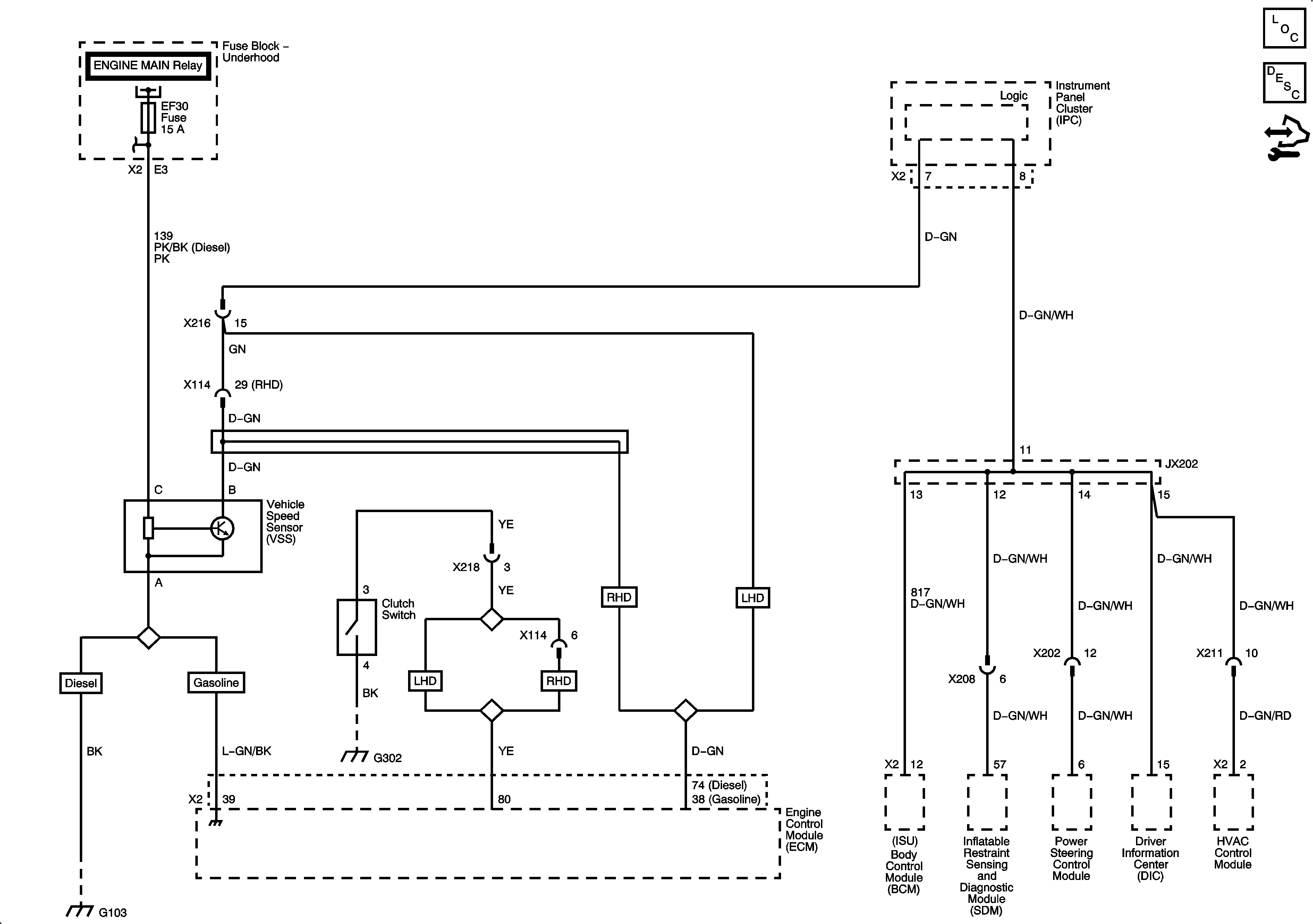
Manual Transmission Schematics
Master Electrical Component List
Transmission System Description and Operation
Control Module References
B+ Bus
Fuse Block - Underhood ALTERNATOR, EF1, EF3, EF5, EF18, EF19, Ef27, EF30, EF31 Fuses and POWER WINDOW, ENGINE MAIN Relays
G103, G105, G108 (Diesel), G201
G302 (RHD)
G302 (LHD)