GM Service Manual Online
For 1990-2009 cars only
Makes
🢒
Chevrolet
🢒
2008
🢒
Epica
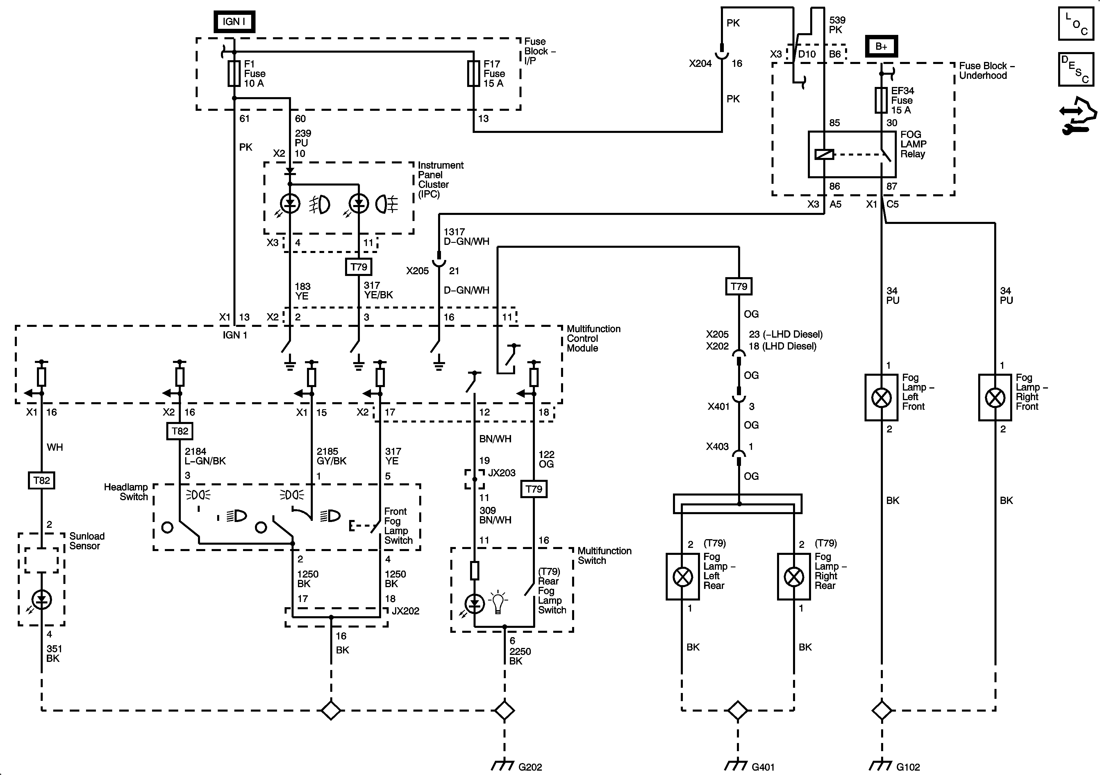
🢒 Fog Lights Schematics
Fog Lights Schematics
Master Electrical Component List
Exterior Lighting Systems Description and Operation
Control Module References
Ignition Switch
Fuse Block - I/P F10, F16, F17 Fuses
B+ Bus
G202, 1 of 2
G401
G102