GM Service Manual Online
For 1990-2009 cars only
Makes
🢒
Chevrolet
🢒
2008
🢒
Epica
🢒 Illumination
Illumination
Illumination
Master Electrical Component List
Interior Lighting Systems Description and Operation
Control Module References
Dimming Control
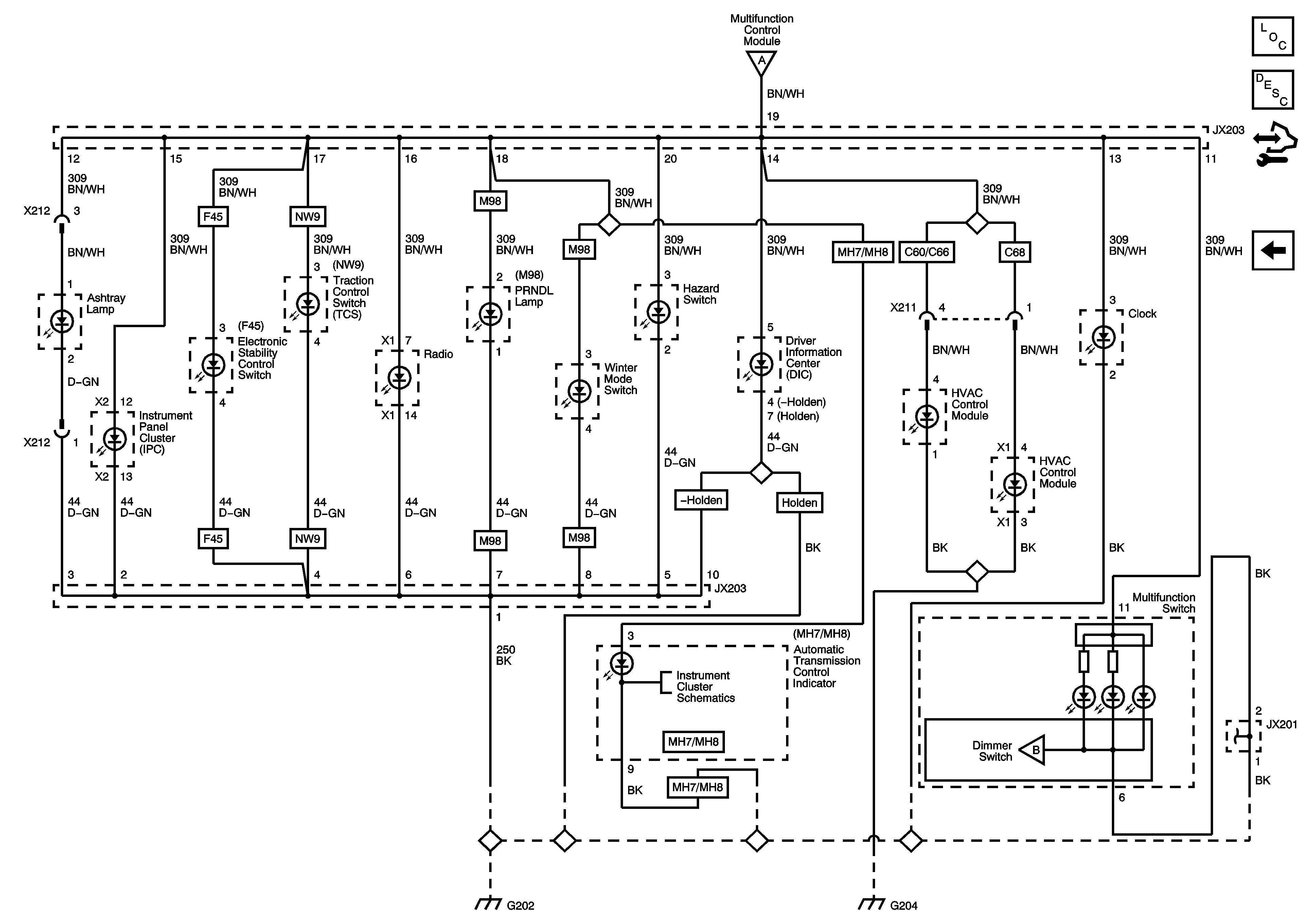
G202, 2 of 2
G202, 1 of 2
G203, G204
Dimming Control
Dimming Control
Automatic Transmission Control Indicator (MH7/MH8)