GM Service Manual Online
For 1990-2009 cars only

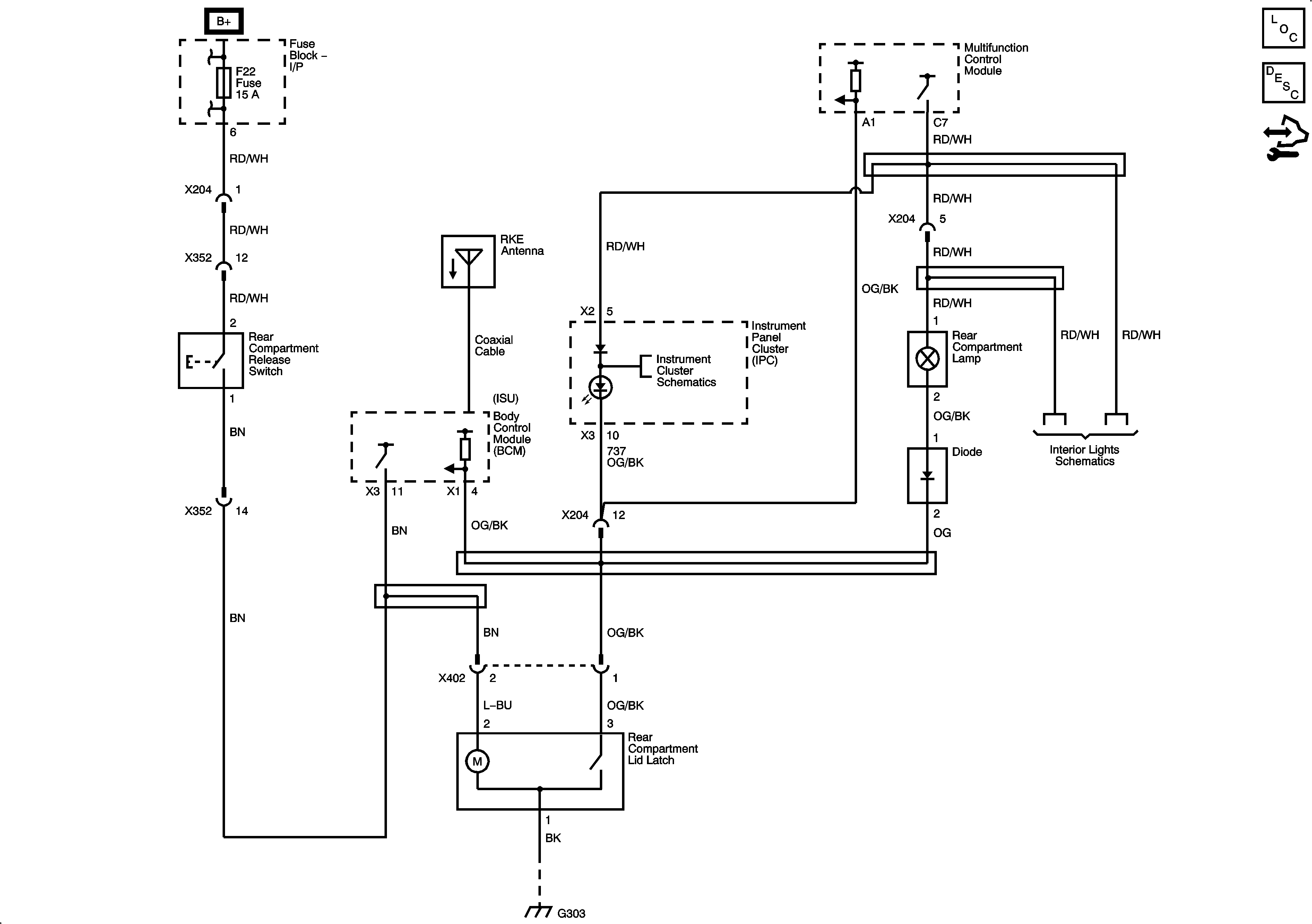
Release Systems Schematics


Object Number: 1990293  Size: FS
Master Electrical Component List
Power Door Locks Description and Operation
Control Module References
Fuse Block - I/P F8, F9, F15, F22, F23 Fuses
Indicators 3 of 3
Interior Lights Schematics
G303