GM Service Manual Online
For 1990-2009 cars only
Makes
🢒
Chevrolet
🢒
2008
🢒
Epica
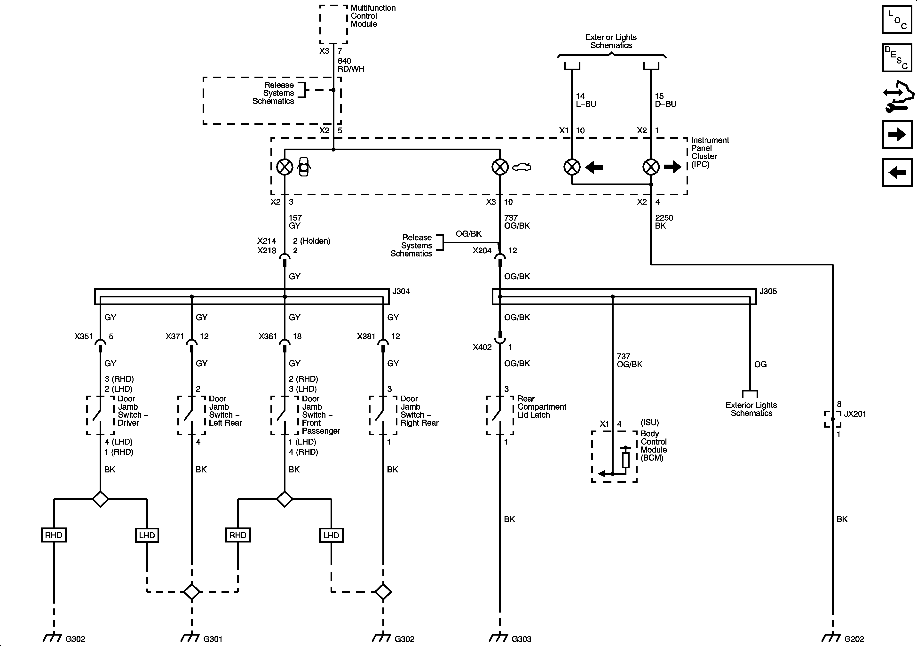
🢒 Indicators 3 of 3
Indicators 3 of 3
Indicators 3 of 3
Master Electrical Component List
Instrument Cluster Description and Operation
Control Module References
Illumination
Indicators 2 of 3
Release Systems Schematics
Turn and Hazard Lamps
Release Systems Schematics
G302 (RHD)
G301 (LHD)
G301 (RHD)
G302 (LHD)
G303
G202, 1 of 2