GM Service Manual Online
For 1990-2009 cars only
Makes
🢒
Chevrolet
🢒
2008
🢒
Epica
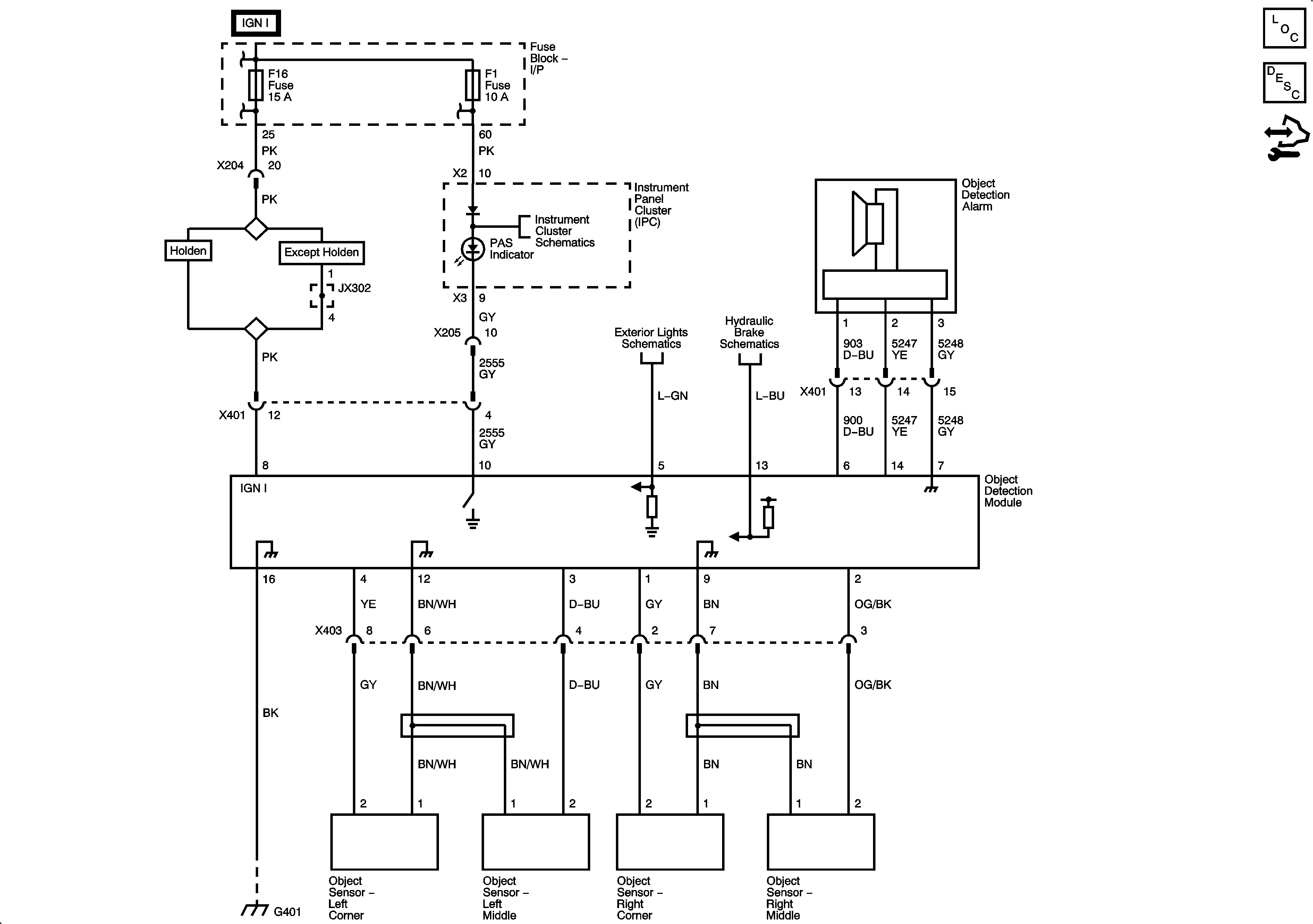
🢒 Object Detection Schematics (UD7)
Object Detection Schematics (UD7)
Master Electrical Component List
Theft Systems Description and Operation
Control Module References
Ignition Switch
Fuse Block - I/P F10, F16, F17 Fuses
Fuse Block - I/P F1, F2, F3, F11, F12, F18 Fuses
Indicators 2 of 3
Backup Lamps (M98/MFB/MFN)
Hydraulic Brake Schematics
G401