GM Service Manual Online
For 1990-2009 cars only
Makes
🢒
Chevrolet
🢒
2008
🢒
Epica
🢒 Power, Ground, Indicators and Sensors
Power, Ground, Indicators and Sensors
Power, Ground, Indicators and Sensors
Master Electrical Component List
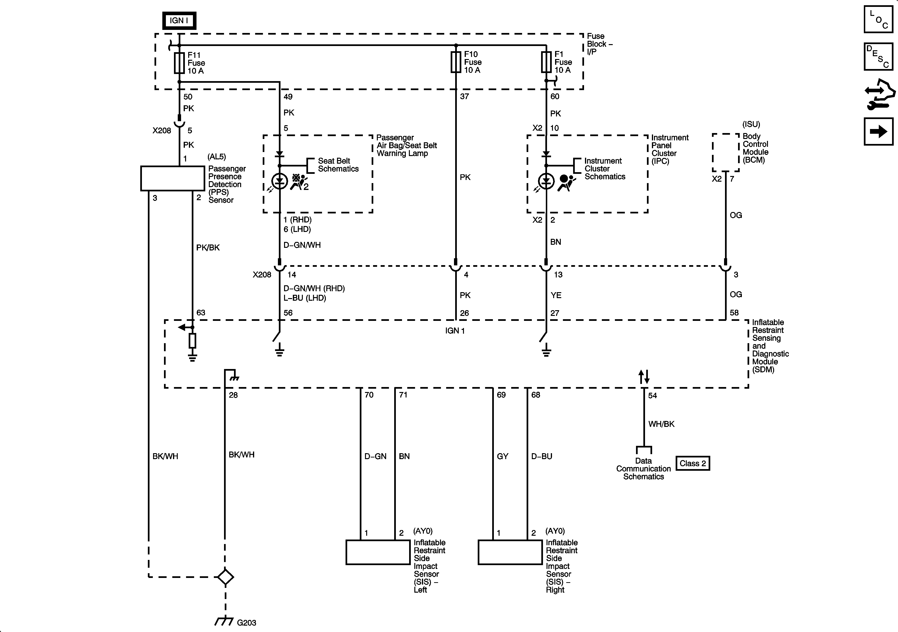
SIR System Description and Operation
Control Module References
Airbag and Pretensioner Deployment Loops
Ignition Switch
Fuse Block - I/P F1, F2, F3, F11, F12, F18 Fuses
Seat Belt Schematics
Indicators 1 of 3
Power, Ground, Class 2
G203, G204