GM Service Manual Online
For 1990-2009 cars only
Makes
🢒
Chevrolet
🢒
2008
🢒
Epica
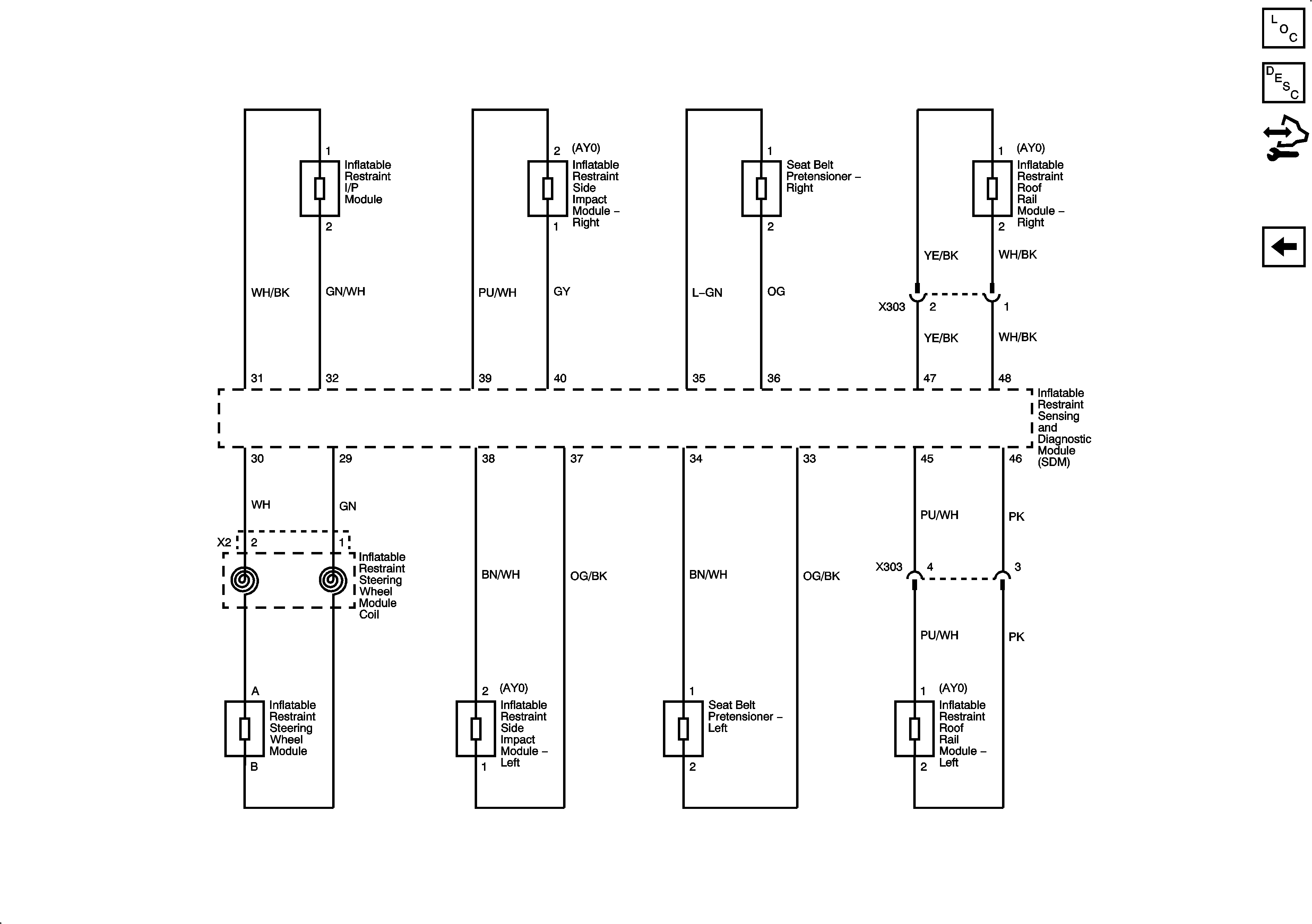
🢒 Airbag and Pretensioner Deployment Loops
Airbag and Pretensioner Deployment Loops
Airbag and Pretensioner Deployment Loops
Master Electrical Component List
SIR System Description and Operation
Control Module References
Power, Ground, Indicators and Sensors