GM Service Manual Online
For 1990-2009 cars only
Makes
🢒
Chevrolet
🢒
2008
🢒
Epica
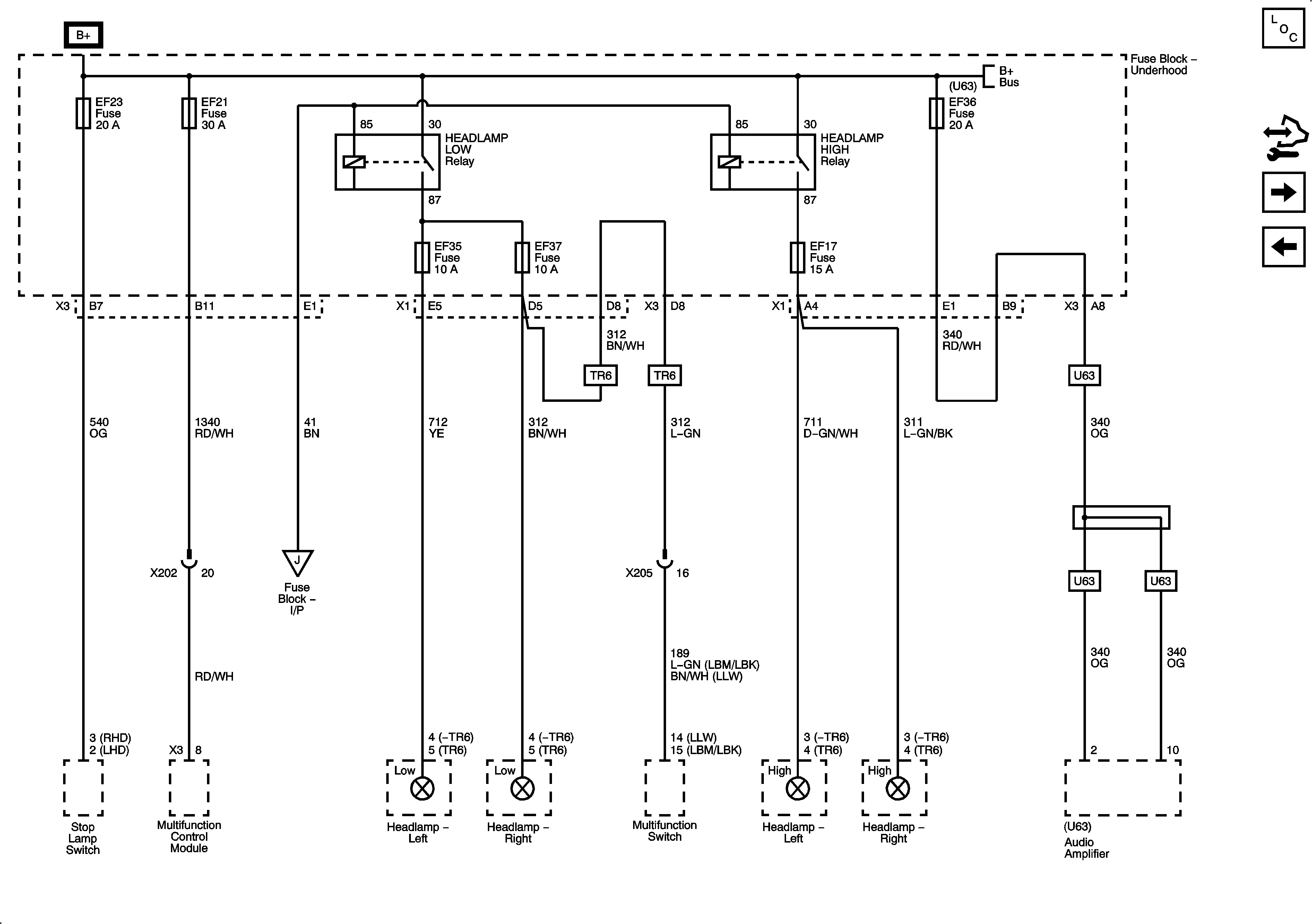
🢒 Fuse Block - Underhood EF17, EF21, EF23, EF35, EF36, EF37 Fuses and HEADLAMP LOW, HEADLAMP HIGH Relays
Fuse Block - Underhood EF17, EF21, EF23, EF35, EF36, EF37 Fuses and HEADLAMP LOW, HEADLAMP HIGH Relays
Fuse Block - Underhood EF17, EF21, EF23, EF35, EF36, EF37 Fuses and HEADLAMP LOW, HEADLAMP HIGH Relays
Master Electrical Component List
Control Module References
Fuse Block - Underhood EF26, EF28 Fuses and FUEL PUMP Relay
Fuse Block - Underhood EF2, EF4, EF8, EF15, EF20, EF22, EF24, EF25 Fuses and ILLUMINATION, STARTER Relays
B+ Bus
Fuse Block - I/P F4, F13, F21 Fuses