GM Service Manual Online
For 1990-2009 cars only
Makes
🢒
Chevrolet
🢒
2008
🢒
Epica
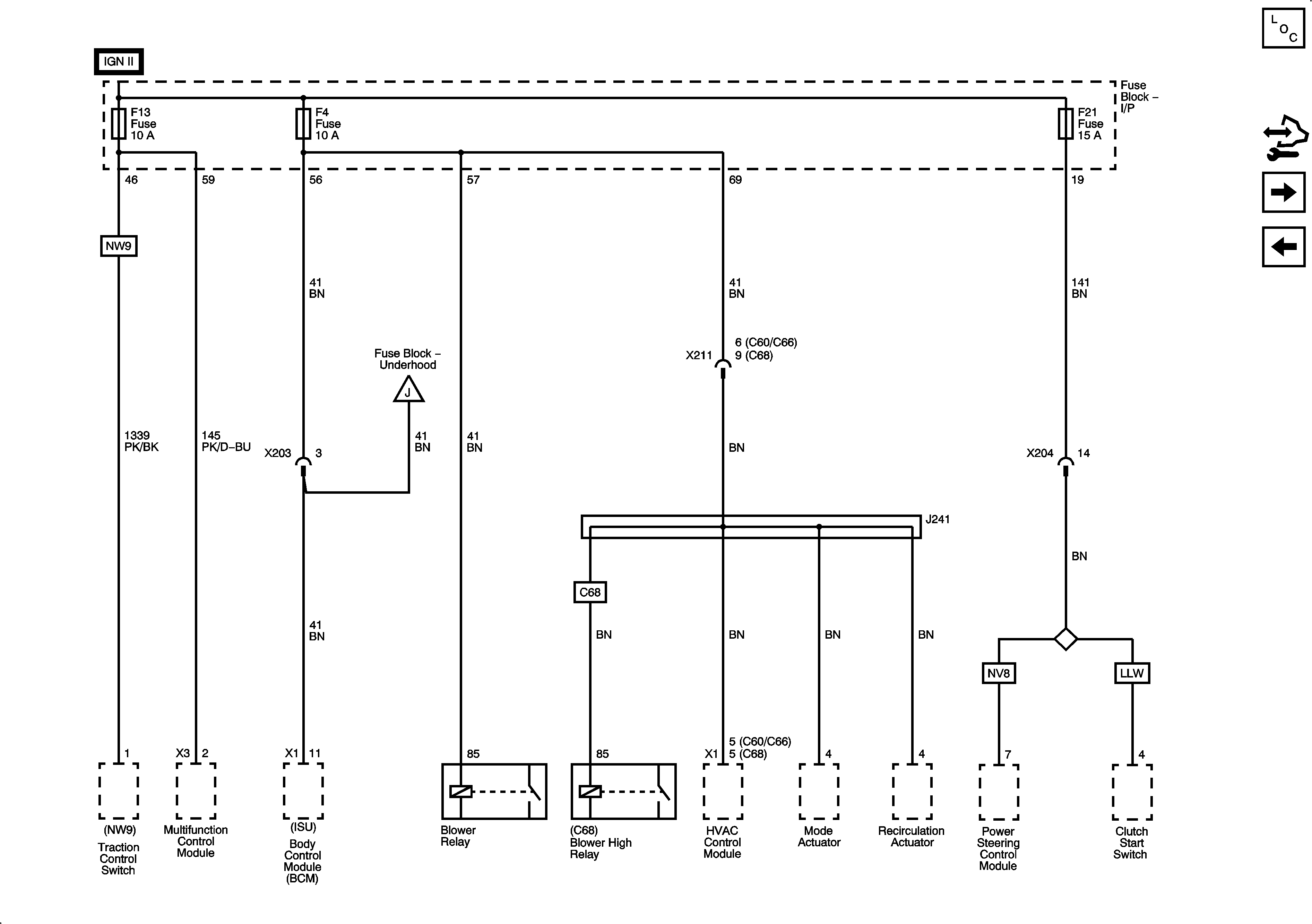
🢒 Fuse Block - I/P F4, F13, F21 Fuses
Fuse Block - I/P F4, F13, F21 Fuses
Fuse Block - I/P F4, F13, F21 Fuses
Master Electrical Component List
Control Module References
Fuse Block - I/P F5, F6, F7, F14 Fuses
Fuse Block - I/P F1, F2, F3, F11, F12, F18 Fuses
Fuse Block - Underhood EF17, EF21, EF23, EF35, EF36, EF37 Fuses and HEADLAMP LOW, HEADLAMP HIGH Relays